Εγγραφή
Σύνδεση
(0)
(0)
Δεν υπάρχουν προϊόντα στο καλάθι σας.
Αναζήτηση
Genuine Piaggio Group Parts
UpMap
Μοτοσυκλέτα
Scooter
Εξατμίσεις
Βάσεις κινητού, ActionCam, GPS
Λιπαντικά
Αναβάτης
Αντικλεπτικά
Μπαταρίες
Βιβλία
Πακέτα Συντήρησης Scooter/Moto
Motoholics e-Gift Card
Μεταχειρισμένα
Service
Μενου
Genuine Piaggio Group Parts
UpMap
Μοτοσυκλέτα
Scooter
Εξατμίσεις
Βάσεις κινητού, ActionCam, GPS
Λιπαντικά
Αναβάτης
Αντικλεπτικά
Μπαταρίες
Βιβλία
Πακέτα Συντήρησης Scooter/Moto
Motoholics e-Gift Card
Service
Αρχική σελίδα
/
Genuine Piaggio Group Parts
/
Piaggio
/
Scooter
/
-HISTORICAL CATALOGS 1998-2005
/
Liberty 125 La Poste
/
Κινητήρας
/
Βαλβίδα εξαέρωσης λαδιού
Φιλτράρισμα με τιμή
Κατηγορίες
Genuine Piaggio Group Parts
UpMap
Μοτοσυκλέτα
Scooter
Εξατμίσεις
Βάσεις κινητού, ActionCam, GPS
Λιπαντικά
Αναβάτης
Αντικλεπτικά
Μπαταρίες
Βιβλία
Πακέτα Συντήρησης Scooter/Moto
Motoholics e-Gift Card
Κατασκευαστές
AKRAPOVIC
VICMA
Bart Factory
PMT TYRES
Barnett
CHT CHIARAVALLI
MAXIMA RACING OILS
ABUS
AFAM
Aprilia
Armadillo Covers
aSpecialParts
AWA TECH
AXP
Barkbusters
Beeline
Benelli
BITUBO
BMW
BONAMICI RACING
Brembo
BS BATTERY
Bullster
Cardo
CFMOTO
CMS
CNC Racing
Denicol Lubricants
DNA
domino
Προβολή όλων
Είδατε πρόσφατα
ΔΙΑΚΟΠΤΗΣ ΚΕΝΤΡΙΚΟΣ SCOOTER 125<>300-643132
ΡΟΔΕΛΛΑ 12,1Χ22Χ1 Μ05-Μ08-Μ19-274246
ΣΦΥΚΤΗΡΑΣ ΚΑΛΩΔΙΩΝ-1D001143
Δημοφιλεις ετικετες
aprilia
battery
exatmish
exhaust
hpcorse
hp-corse
silencer
slipon
slip-on
teliko
vespa
εξάτμιση
μπαταρια
σιλανσιέ
τελικό
Προβολή όλων
Βαλβίδα εξαέρωσης λαδιού
17650|50300000000001008010100490027||0018940|βαλβιδα-εξαερωσησ-λαδιου-26|Βαλβίδα εξαέρωσης λαδιού
Προβολή ως
Πλέγμα
Λίστα
Ταξινόμηση ανά
Κορυφαίες επιλογές πρώτα
Αλφαβητικά Α - Ω
Αλφαβητικά Ω - Α
Αύξουσα τιμή
Φθίνουσα τιμή
Δημιουργήθηκε στις
Εμφάνιση
30
60
120
ανά σελίδα
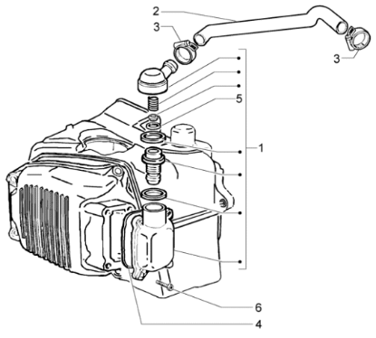
ΒΙΔΑ M5X20-877136
Το προιόν είναι το Νουμερο: 6 στην εικόνα.
€0,07
+Καλάθι
+Σύγκριση
Προσθήκη στα αγαπημένα
ΚΑΠΑΚΙ ΑΝΑΘΥΜΙΑΣΕΩΝ ΕΤ4 125/150-829008
Το προιόν είναι το Νουμερο: 1 στην εικόνα.
€19,00
+Καλάθι
+Σύγκριση
Προσθήκη στα αγαπημένα
ΚΟΛΙΕΣ ΚΟΛΑΡΟ ΝΕΡΟΥ 16-27 W1-10040000
Το προιόν είναι το Νουμερο: 3 στην εικόνα.
€2,91
+Καλάθι
+Σύγκριση
Προσθήκη στα αγαπημένα
ΚΟΛΙΕΣ ΣΥΓΚΡ ΚΟΛΑΡΟ ΝΕΡΟΥ ΜΕ ΒΙΔΑ 23-35m-AP8104097
Το προιόν είναι το Νουμερο: 3 στην εικόνα.
€2,00
+Καλάθι
+Σύγκριση
Προσθήκη στα αγαπημένα
ΚΟΛΙΕΣ ΣΥΓΚΡ ΚΟΛΑΡΟ ΝΕΡΟΥ ΜΙΑΣ ΧΡΗΣΗΣ-CM001904
Το προιόν είναι το Νουμερο: 3 στην εικόνα.
€0,64
+Καλάθι
+Σύγκριση
Προσθήκη στα αγαπημένα
Ο-ΡΙΝΓΚ ΚΑΠΑΚΙΟΥ ΑΝΑΘΥΜ SCOOTER 125-300-1A003985
Το προιόν είναι το Νουμερο: 4 στην εικόνα.
€1,00
+Καλάθι
+Σύγκριση
Προσθήκη στα αγαπημένα
ΡΟΔΕΛΛΑ-825363
Το προιόν είναι το Νουμερο: 5 στην εικόνα.
€0,19
+Καλάθι
+Σύγκριση
Προσθήκη στα αγαπημένα
ΣΩΛΗΝΑΚΙ ΕΞΑΕΡ ΛΑΔΙΟΥ VESPA ET4-842737
Το προιόν είναι το Νουμερο: 2 στην εικόνα.
€9,50
+Καλάθι
+Σύγκριση
Προσθήκη στα αγαπημένα
Τα cookies μας βοηθούν να παρέχουμε τις υπηρεσίες μας. Με τη χρήση των υπηρεσιών μας, συμφωνείτε με τη χρήση των cookies.
ΟΚ
Μάθε περισσότερα