Εγγραφή
Σύνδεση
(0)
(0)
Δεν υπάρχουν προϊόντα στο καλάθι σας.
Αναζήτηση
Genuine Piaggio Group Parts
UpMap
Μοτοσυκλέτα
Scooter
Εξατμίσεις
Βάσεις κινητού, ActionCam, GPS
Λιπαντικά
Αναβάτης
Αντικλεπτικά
Μπαταρίες
Βιβλία
Πακέτα Συντήρησης Scooter/Moto
Motoholics e-Gift Card
Μεταχειρισμένα
Service
Μενου
Genuine Piaggio Group Parts
UpMap
Μοτοσυκλέτα
Scooter
Εξατμίσεις
Βάσεις κινητού, ActionCam, GPS
Λιπαντικά
Αναβάτης
Αντικλεπτικά
Μπαταρίες
Βιβλία
Πακέτα Συντήρησης Scooter/Moto
Motoholics e-Gift Card
Service
Αρχική σελίδα
/
Genuine Piaggio Group Parts
/
Moto Guzzi
/
Motorbike
/
V 85 E5+
/
V85 TT Travel E5+ 2024-2025 (EMEA)
/
Αμάξωμα
/
Βαλίτσα ΔΞ
Φιλτράρισμα με τιμή
Κατηγορίες
Genuine Piaggio Group Parts
UpMap
Μοτοσυκλέτα
Scooter
Εξατμίσεις
Βάσεις κινητού, ActionCam, GPS
Λιπαντικά
Αναβάτης
Αντικλεπτικά
Μπαταρίες
Βιβλία
Πακέτα Συντήρησης Scooter/Moto
Motoholics e-Gift Card
Κατασκευαστές
AKRAPOVIC
VICMA
Bart Factory
PMT TYRES
Barnett
CHT CHIARAVALLI
MAXIMA RACING OILS
ABUS
AFAM
Aprilia
Armadillo Covers
aSpecialParts
AWA TECH
AXP
Barkbusters
Beeline
Benelli
BITUBO
BMW
BONAMICI RACING
Brembo
BS BATTERY
Bullster
Cardo
CFMOTO
CMS
CNC Racing
Denicol Lubricants
DNA
domino
Προβολή όλων
Είδατε πρόσφατα
ΡΟΔΕΛΑ-GU95008308
ΒΙΔΑ 4,2 X 16-AP8152351
ΡΟΔΕΛΑ-658837
Δημοφιλεις ετικετες
aprilia
battery
exatmish
exhaust
hpcorse
hp-corse
silencer
slipon
slip-on
teliko
vespa
εξάτμιση
μπαταρια
σιλανσιέ
τελικό
Προβολή όλων
Βαλίτσα ΔΞ
56197|GU622850000002210060100400003||0111208|βαλιτσα-δξ-4|Βαλίτσα ΔΞ
Προβολή ως
Πλέγμα
Λίστα
Ταξινόμηση ανά
Κορυφαίες επιλογές πρώτα
Αλφαβητικά Α - Ω
Αλφαβητικά Ω - Α
Αύξουσα τιμή
Φθίνουσα τιμή
Δημιουργήθηκε στις
Εμφάνιση
30
60
120
ανά σελίδα
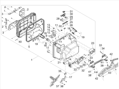
ΑΠΟΜΟΝΩΤΗΡΑΣ ΣΕΛΑΣ RS 660-2B005994
Το προιόν είναι το Νουμερο: 35 στην εικόνα.
€8,90
+Καλάθι
+Σύγκριση
Προσθήκη στα αγαπημένα
ΑΠΟΣΤΑΤΗΣ 8,5X10,7X12-AP8221128
Το προιόν είναι το Νουμερο: 43 στην εικόνα.
€0,74
+Καλάθι
+Σύγκριση
Προσθήκη στα αγαπημένα
ΒΑΛΙΤΣΑ ΠΛΑΙΝΗ MG V85 Ε5+ 3 ΔΕΞΙΑ-2B012313
Το προιόν είναι το Νουμερο: 1 στην εικόνα.
€1030,01
+Καλάθι
+Σύγκριση
Προσθήκη στα αγαπημένα
ΒΙΔA 3,9x14 SHIVER 750-AP8150413
Το προιόν είναι το Νουμερο: 10 στην εικόνα.
€0,06
+Καλάθι
+Σύγκριση
Προσθήκη στα αγαπημένα
ΒΙΔΑ M6x20-AP8152279
Το προιόν είναι το Νουμερο: 36 στην εικόνα.
€0,12
+Καλάθι
+Σύγκριση
Προσθήκη στα αγαπημένα
ΒΙΔΑ TORX-CM180701
Το προιόν είναι το Νουμερο: 4 στην εικόνα.
€0,04
+Καλάθι
+Σύγκριση
Προσθήκη στα αγαπημένα
ΒΙΔΑ-AP8121184
Το προιόν είναι το Νουμερο: 18 στην εικόνα.
€0,20
+Καλάθι
+Σύγκριση
Προσθήκη στα αγαπημένα
ΒΙΔΑ-AP8152329
Το προιόν είναι το Νουμερο: 11 στην εικόνα.
€0,12
+Καλάθι
+Σύγκριση
Προσθήκη στα αγαπημένα
ΒΙΔΑΚΙ-AP8150421
Το προιόν είναι το Νουμερο: 26 στην εικόνα.
€1,70
+Καλάθι
+Σύγκριση
Προσθήκη στα αγαπημένα
ΓΑΝΤΖΟΣ ΒΑΛΙΤΣΑΣ V 85-2B005989
Το προιόν είναι το Νουμερο: 15 στην εικόνα.
€6,10
+Καλάθι
+Σύγκριση
Προσθήκη στα αγαπημένα
ΕΛΑΤΗΡΙΟ ΒΑΡΙΑΤΩΡ SCOOTER 50-AP8150471
Το προιόν είναι το Νουμερο: 14 στην εικόνα.
€3,20
+Καλάθι
+Σύγκριση
Προσθήκη στα αγαπημένα
ΛΑΣΤΙΧΑΚΙ ΚΑΠΑΚΙΟΥ-AP8220488
Το προιόν είναι το Νουμερο: 25 στην εικόνα.
€11,00
+Καλάθι
+Σύγκριση
Προσθήκη στα αγαπημένα
ΠΑΞΙΜΑΔΙ M4*-AP8150204
Το προιόν είναι το Νουμερο: 16 στην εικόνα.
€0,06
+Καλάθι
+Σύγκριση
Προσθήκη στα αγαπημένα
ΠΕΙΡΟΣ ΜΕΝΤΕΣΕ ΒΑΛΙΤΣΑΣ V 85-2B006059
Το προιόν είναι το Νουμερο: 40 στην εικόνα.
€2,41
+Καλάθι
+Σύγκριση
Προσθήκη στα αγαπημένα
ΠΡΟΣΤ/ΚΟ ΚΛΕΙΔ ΒΑΛΙΤΣΑΣ V 85-2B005993
Το προιόν είναι το Νουμερο: 12 στην εικόνα.
€20,00
+Καλάθι
+Σύγκριση
Προσθήκη στα αγαπημένα
ΡΟΔΕΛΑ 16x8.4x1.6-AP8163165
Το προιόν είναι το Νουμερο: 34 στην εικόνα.
€1,70
+Καλάθι
+Σύγκριση
Προσθήκη στα αγαπημένα
ΡΟΔΕΛΑ D.15-00032015000
Το προιόν είναι το Νουμερο: 13 στην εικόνα.
€0,10
+Καλάθι
+Σύγκριση
Προσθήκη στα αγαπημένα
ΡΟΔΕΛΑ ΖΕΛΑΤΙΝΑΣ ΦΕΡΙΓΚ CAPO 8,4X18x2-GU950053106
Το προιόν είναι το Νουμερο: 41 στην εικόνα.
€1,20
+Καλάθι
+Σύγκριση
Προσθήκη στα αγαπημένα
ΡΟΔΕΛΑ ΖΕΛΑΤΙΝΑΣ==>>GU950053106-GU95005310
Το προιόν είναι το Νουμερο: 41 στην εικόνα.
€1,20
+Καλάθι
+Σύγκριση
Προσθήκη στα αγαπημένα
ΡΟΔΕΛΑ ΧΕΙΡΟΛΑΒΗΣ M4 SPORT CITY CUBE-AP8150501
Το προιόν είναι το Νουμερο: 9 στην εικόνα.
€1,80
+Καλάθι
+Σύγκριση
Προσθήκη στα αγαπημένα
ΡΟΔΕΛΛΑ 6,4χ18χ2-AP8150378
Το προιόν είναι το Νουμερο: 37 στην εικόνα.
€2,60
+Καλάθι
+Σύγκριση
Προσθήκη στα αγαπημένα
ΤΑΠΑ ΚΛΕΙΔ ΒΑΛΙΤΣΑΣ ΠΛΑΙΝΗΣ V85-2B006655
Το προιόν είναι το Νουμερο: 31 στην εικόνα.
€8,20
+Καλάθι
+Σύγκριση
Προσθήκη στα αγαπημένα
Τα cookies μας βοηθούν να παρέχουμε τις υπηρεσίες μας. Με τη χρήση των υπηρεσιών μας, συμφωνείτε με τη χρήση των cookies.
ΟΚ
Μάθε περισσότερα