Εγγραφή
Σύνδεση
(0)
(0)
Δεν υπάρχουν προϊόντα στο καλάθι σας.
Αναζήτηση
Genuine Piaggio Group Parts
UpMap
Μοτοσυκλέτα
Scooter
Εξατμίσεις
Βάσεις κινητού, ActionCam, GPS
Λιπαντικά
Αναβάτης
Αντικλεπτικά
Μπαταρίες
Βιβλία
Πακέτα Συντήρησης Scooter/Moto
Motoholics e-Gift Card
Μεταχειρισμένα
Service
Μενου
Genuine Piaggio Group Parts
UpMap
Μοτοσυκλέτα
Scooter
Εξατμίσεις
Βάσεις κινητού, ActionCam, GPS
Λιπαντικά
Αναβάτης
Αντικλεπτικά
Μπαταρίες
Βιβλία
Πακέτα Συντήρησης Scooter/Moto
Motoholics e-Gift Card
Service
Αρχική σελίδα
/
Genuine Piaggio Group Parts
/
Piaggio
/
Scooter
/
Fly 50
/
Fly 50 2T 2006-2007 (EMEA)
/
Κινητήρας
/
Εκκίνηση - Ηλεκτρική εκκίνηση
Φιλτράρισμα με τιμή
Κατηγορίες
Genuine Piaggio Group Parts
UpMap
Μοτοσυκλέτα
Scooter
Εξατμίσεις
Βάσεις κινητού, ActionCam, GPS
Λιπαντικά
Αναβάτης
Αντικλεπτικά
Μπαταρίες
Βιβλία
Πακέτα Συντήρησης Scooter/Moto
Motoholics e-Gift Card
Κατασκευαστές
AKRAPOVIC
VICMA
Bart Factory
PMT TYRES
Barnett
CHT CHIARAVALLI
ABUS
AFAM
Aprilia
Armadillo Covers
aSpecialParts
AWA TECH
AXP
Barkbusters
Beeline
Benelli
BITUBO
BMW
BONAMICI RACING
Brembo
BS BATTERY
Bullster
Cardo
CFMOTO
CMS
CNC Racing
Denicol Lubricants
DNA
domino
Double Take Mirrors
Προβολή όλων
Δημοφιλεις ετικετες
aprilia
battery
exatmish
exhaust
hpcorse
hp-corse
silencer
slipon
slip-on
teliko
vespa
εξάτμιση
μπαταρια
σιλανσιέ
τελικό
Προβολή όλων
Εκκίνηση - Ηλεκτρική εκκίνηση
39948|NSE2000U010001200010100110001||0040803|εκκινηση-ηλεκτρικη-εκκινηση-165|Εκκίνηση - Ηλεκτρική εκκίνηση
Προβολή ως
Πλέγμα
Λίστα
Ταξινόμηση ανά
Κορυφαίες επιλογές πρώτα
Αλφαβητικά Α - Ω
Αλφαβητικά Ω - Α
Αύξουσα τιμή
Φθίνουσα τιμή
Δημιουργήθηκε στις
Εμφάνιση
30
60
120
ανά σελίδα
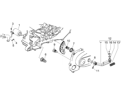
ΑΞΟΝΑΣ ΜΑΝΙΒΕΛΑΣ SCOOTER 50-FREE 100-831458
Το προιόν είναι το Νουμερο: 10 στην εικόνα.
€20,00
+Καλάθι
+Σύγκριση
Προσθήκη στα αγαπημένα
ΑΣΦΑΛΕΙΑ-288041
Το προιόν είναι το Νουμερο: 16 στην εικόνα.
€0,74
+Καλάθι
+Σύγκριση
Προσθήκη στα αγαπημένα
ΑΣΦΑΛΕΙΑ-433987
Το προιόν είναι το Νουμερο: 8 στην εικόνα.
€0,35
+Καλάθι
+Σύγκριση
Προσθήκη στα αγαπημένα
ΒΙΔΑ M6x20-018639
Το προιόν είναι το Νουμερο: 3 στην εικόνα.
€0,06
+Καλάθι
+Σύγκριση
Προσθήκη στα αγαπημένα
ΒΙΔΑ M6X22 SW10-031091
Το προιόν είναι το Νουμερο: 3 στην εικόνα.
€0,74
+Καλάθι
+Σύγκριση
Προσθήκη στα αγαπημένα
ΒΙΔΑ M6X25-B016774
Το προιόν είναι το Νουμερο: 11 στην εικόνα.
€0,12
+Καλάθι
+Σύγκριση
Προσθήκη στα αγαπημένα
ΒΙΔΑ-018644
Το προιόν είναι το Νουμερο: 5 στην εικόνα.
€0,74
+Καλάθι
+Σύγκριση
Προσθήκη στα αγαπημένα
ΓΡΑΝΑΖΙ ΜΑΝΙΒ SCOOTER 50-80-483537
Το προιόν είναι το Νουμερο: 9 στην εικόνα.
€14,00
+Καλάθι
+Σύγκριση
Προσθήκη στα αγαπημένα
ΕΛΑΤΗΡΙΟ ΜΑΝΙΒ SCOΟTER-289495
Το προιόν είναι το Νουμερο: 7 στην εικόνα.
€4,90
+Καλάθι
+Σύγκριση
Προσθήκη στα αγαπημένα
ΚΑΛΩΔΙΟ ΜΙΖΑΣ SCOOTER 50-642292
Το προιόν είναι το Νουμερο: 2 στην εικόνα.
€20,00
+Καλάθι
+Σύγκριση
Προσθήκη στα αγαπημένα
ΚΟΛΑΡΟ ΦΥΣΟΥΝΑΣ SCOOTER-145298
Το προιόν είναι το Νουμερο: 19 στην εικόνα.
€0,19
+Καλάθι
+Σύγκριση
Προσθήκη στα αγαπημένα
ΚΟΜΠΛΕΡ ΕΚΚΙΝΗΣΗΣ SCOOTER 50 CC 2Τ-82958R
Το προιόν είναι το Νουμερο: 6 στην εικόνα.
€32,00
+Καλάθι
+Σύγκριση
Προσθήκη στα αγαπημένα
ΛΑΣΤΙΧAKI MANIΒΕΛΑΣ SCOOTER-286217
Το προιόν είναι το Νουμερο: 13 στην εικόνα.
€9,10
+Καλάθι
+Σύγκριση
Προσθήκη στα αγαπημένα
ΜΑΝΙΒΕΛΑ SCOOTER-286214
Το προιόν είναι το Νουμερο: 12 στην εικόνα.
€31,00
+Καλάθι
+Σύγκριση
Προσθήκη στα αγαπημένα
ΜΙΖΑ SCOOTER 50 2Τ-82530R
Το προιόν είναι το Νουμερο: 1 στην εικόνα.
€57,00
+Καλάθι
+Σύγκριση
Προσθήκη στα αγαπημένα
ΜΙΖΑ SCOOTER 50cc 2T CIF-KR070040
Το προιόν είναι το Νουμερο: 1 στην εικόνα.
€33,00
+Καλάθι
+Σύγκριση
Προσθήκη στα αγαπημένα
ΡΟΔΕΛΛΑ-016404
Το προιόν είναι το Νουμερο: 4 στην εικόνα.
€0,04
+Καλάθι
+Σύγκριση
Προσθήκη στα αγαπημένα
ΡΟΔΕΛΛΑ-286219
Το προιόν είναι το Νουμερο: 15 στην εικόνα.
€1,70
+Καλάθι
+Σύγκριση
Προσθήκη στα αγαπημένα
Τα cookies μας βοηθούν να παρέχουμε τις υπηρεσίες μας. Με τη χρήση των υπηρεσιών μας, συμφωνείτε με τη χρήση των cookies.
ΟΚ
Μάθε περισσότερα