Εγγραφή
Σύνδεση
(0)
(0)
Δεν υπάρχουν προϊόντα στο καλάθι σας.
Αναζήτηση
Genuine Piaggio Group Parts
UpMap
Μοτοσυκλέτα
Scooter
Εξατμίσεις
Βάσεις κινητού, ActionCam, GPS
Λιπαντικά
Αναβάτης
Αντικλεπτικά
Μπαταρίες
Βιβλία
Πακέτα Συντήρησης Scooter/Moto
Motoholics e-Gift Card
Μεταχειρισμένα
Service
Μενου
Genuine Piaggio Group Parts
UpMap
Μοτοσυκλέτα
Scooter
Εξατμίσεις
Βάσεις κινητού, ActionCam, GPS
Λιπαντικά
Αναβάτης
Αντικλεπτικά
Μπαταρίες
Βιβλία
Πακέτα Συντήρησης Scooter/Moto
Motoholics e-Gift Card
Service
Αρχική σελίδα
/
Genuine Piaggio Group Parts
/
Vespa
/
Scooter
/
Vespa GTS 300
/
Vespa GTS 300 ABS E5 2022-2024 (EMEA)
/
Κινητήρας
/
Καπάκι μανιατό - Φίλτρο λαδιού
Φιλτράρισμα με τιμή
Κατηγορίες
Genuine Piaggio Group Parts
UpMap
Μοτοσυκλέτα
Scooter
Εξατμίσεις
Βάσεις κινητού, ActionCam, GPS
Λιπαντικά
Αναβάτης
Αντικλεπτικά
Μπαταρίες
Βιβλία
Πακέτα Συντήρησης Scooter/Moto
Motoholics e-Gift Card
Κατασκευαστές
AKRAPOVIC
VICMA
Bart Factory
PMT TYRES
Barnett
CHT CHIARAVALLI
MAXIMA RACING OILS
ABUS
AFAM
Aprilia
Armadillo Covers
aSpecialParts
AWA TECH
AXP
Barkbusters
Beeline
Benelli
BITUBO
BMW
BONAMICI RACING
Brembo
BS BATTERY
Bullster
Cardo
CFMOTO
CMS
CNC Racing
Denicol Lubricants
DNA
domino
Προβολή όλων
Είδατε πρόσφατα
ΜΠΑΤΑΡΙΑ ΡΟΛΟΙ ΚΟΝΤΕΡ SCOOTER-498342
ΘΕΡΜΟΣΤΑΤΗΣ ΚΕΦ SCOOTER 125<>400-82831R5
ΡΕΛΕ ΜΙΖΑΣ ΧEVO-GT-NEX-GP800 12V30A 5AK-641933
Δημοφιλεις ετικετες
aprilia
battery
exatmish
exhaust
hpcorse
hp-corse
silencer
slipon
slip-on
teliko
vespa
εξάτμιση
μπαταρια
σιλανσιέ
τελικό
Προβολή όλων
Καπάκι μανιατό - Φίλτρο λαδιού
49282|NVH2000U010001230050100050011||0050042|καπακι-μανιατο-φιλτρο-λαδιου-310|Καπάκι μανιατό - Φίλτρο λαδιού
Προβολή ως
Πλέγμα
Λίστα
Ταξινόμηση ανά
Κορυφαίες επιλογές πρώτα
Αλφαβητικά Α - Ω
Αλφαβητικά Ω - Α
Αύξουσα τιμή
Φθίνουσα τιμή
Δημιουργήθηκε στις
Εμφάνιση
30
60
120
ανά σελίδα
ΒΑΛΒΙΔΑ ΠΙΕΣΗΣ ΛΑΔΙΟΥ LEONARDO/SCARABEO-AP0956166
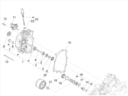
Το προιόν είναι το Νουμερο: 14 στην εικόνα.
€26,99
+Καλάθι
+Σύγκριση
Προσθήκη στα αγαπημένα
ΒΙΔΑ M6x35-414838
Το προιόν είναι το Νουμερο: 12 στην εικόνα.
€0,31
+Καλάθι
+Σύγκριση
Προσθήκη στα αγαπημένα
ΒΙΔΑ ΚΑΠΑΚΙ ΒΑΡΙΑΤΟΡ M6X112,5-B016807
Το προιόν είναι το Νουμερο: 13 στην εικόνα.
€0,74
+Καλάθι
+Σύγκριση
Προσθήκη στα αγαπημένα
ΒΙΔΑ ΦΙΛΤΡΟΥ ΛΑΔΙΟΥ VESPA GTS-840507
Το προιόν είναι το Νουμερο: 21 στην εικόνα.
€4,50
+Καλάθι
+Σύγκριση
Προσθήκη στα αγαπημένα
ΔΕΙΚΤΗΣ ΣΤΑΘΜΗΣ ΛΑΔΙΟΥ BEV 300-MP3 300-879081
Το προιόν είναι το Νουμερο: 22 στην εικόνα.
€3,70
+Καλάθι
+Σύγκριση
Προσθήκη στα αγαπημένα
ΚΑΠΑΚΙ ΒΟΛΑΝ ΚΟΜΠΛΕ VESPA GTS 300 HPE-1A0128565
Το προιόν είναι το Νουμερο: 1 στην εικόνα.
€205,00
+Καλάθι
+Σύγκριση
Προσθήκη στα αγαπημένα
ΚΕΡΑΜΙΚΟ ΤΡΟΜΠΑΣ ΝΕΡΟΥ SC125<>850 (#30)-82991R
Το προιόν είναι το Νουμερο: 4 στην εικόνα.
€12,00
+Καλάθι
+Σύγκριση
Προσθήκη στα αγαπημένα
Ο-ΡΙΝΓΚ ΤΑΠΑΣ ΛΑΔ ET4-RST 125 31,47x1,78-285536
Το προιόν είναι το Νουμερο: 19 στην εικόνα.
€0,92
+Καλάθι
+Σύγκριση
Προσθήκη στα αγαπημένα
Ο-ΡΙΝΓΚ ΤΑΠΑΣ ΛΑΔΙΟΥ M01-M04-M20-M27-M28-1A009397
Το προιόν είναι το Νουμερο: 23 στην εικόνα.
€0,24
+Καλάθι
+Σύγκριση
Προσθήκη στα αγαπημένα
Ο-ΡΙΝΓΚ ΦΙΛΤΡΟΥ ΛΑΔΙΟΥ (20,35X1,78)-288474
Το προιόν είναι το Νουμερο: 17 στην εικόνα.
€0,12
+Καλάθι
+Σύγκριση
Προσθήκη στα αγαπημένα
ΡΟΔΕΛΑ 10,5X17X1,5-B015988
Το προιόν είναι το Νουμερο: 15 στην εικόνα.
€0,14
+Καλάθι
+Σύγκριση
Προσθήκη στα αγαπημένα
ΡΟΔΕΛΑ-1A011500
Το προιόν είναι το Νουμερο: 15 στην εικόνα.
€0,38
+Καλάθι
+Σύγκριση
Προσθήκη στα αγαπημένα
ΡΟΥΛΕΜΑΝ ΤΡΟΜΠΑΣ ΝΕΡΟΥ BEV250-X8-Χ9 250-82755R
Το προιόν είναι το Νουμερο: 3 στην εικόνα.
€9,70
+Καλάθι
+Σύγκριση
Προσθήκη στα αγαπημένα
ΣΕΝΣΟΡΑΣ ΠΙΕΣΗΣ ΛΑΔΙΟΥ SC 125<>850 4T-1A024308R
Το προιόν είναι το Νουμερο: 14 στην εικόνα.
€8,80
+Καλάθι
+Σύγκριση
Προσθήκη στα αγαπημένα
ΣΕΝΣΟΡΑΣ ΠΙΕΣΗΣ==>>1A024308R-1D001138
Το προιόν είναι το Νουμερο: 14 στην εικόνα.
€12,00
+Καλάθι
+Σύγκριση
Προσθήκη στα αγαπημένα
ΣΙΤΑ ΕΙΣΑΓΩΓΗΣ ΛΑΔΙΟΥ BEV 250-Χ8 250-GTS-843568
Το προιόν είναι το Νουμερο: 16 στην εικόνα.
€6,50
+Καλάθι
+Σύγκριση
Προσθήκη στα αγαπημένα
ΤΑΠΑ ΕΞΑΓ ΛΑΔΙΟΥ BEV-ΕΤ4-GT-NEX-826165
Το προιόν είναι το Νουμερο: 18 στην εικόνα.
€6,70
+Καλάθι
+Σύγκριση
Προσθήκη στα αγαπημένα
ΤΑΠΑ ΚΑΡΤΕΡ ΛΑΔΙΟΥ NEXUS-GP800 ΑΝΩ-8290405
Το προιόν είναι το Νουμερο: 7 στην εικόνα.
€11,00
+Καλάθι
+Σύγκριση
Προσθήκη στα αγαπημένα
ΤΑΠΑ ΦΙΛΤΡΟΥ ΛΑΔΙΟΥ ΜΕ ΑΙΣΘΗΤΗΡΑ-MV826165
Το προιόν είναι το Νουμερο: 18 στην εικόνα.
€14,00
+Καλάθι
+Σύγκριση
Προσθήκη στα αγαπημένα
ΤΡΟΜΠΑ ΝΕΡΟΥ SCOOTER 125-300 4Τ QUASAR-8447595
Το προιόν είναι το Νουμερο: 2 στην εικόνα.
€57,99
+Καλάθι
+Σύγκριση
Προσθήκη στα αγαπημένα
ΤΣΙΜΟΥXΑ ΤΡΟΜΠ ΝΕΡΟΥ SC 250-310 20X30X5-82897R
Το προιόν είναι το Νουμερο: 6 στην εικόνα.
€5,20
+Καλάθι
+Σύγκριση
Προσθήκη στα αγαπημένα
ΦΙΛΤΡΟ ΛΑΔΙΟΥ SCOOTER 4T 125<>310 CC-1A022356
Το προιόν είναι το Νουμερο: 20 στην εικόνα.
€7,80
+Καλάθι
+Σύγκριση
Προσθήκη στα αγαπημένα
ΦΛΑΝΤΖΑ ΚΑΠ ΒΟΛΑΝ SCOOTER 125<>300 CC-840504
Το προιόν είναι το Νουμερο: 10 στην εικόνα.
€4,50
+Καλάθι
+Σύγκριση
Προσθήκη στα αγαπημένα
ΦΤΕΡΩΤΗ ΤΡΟΜΠΑΣ ΝΕΡΟΥ BEV 250-842389
Το προιόν είναι το Νουμερο: 5 στην εικόνα.
€11,00
+Καλάθι
+Σύγκριση
Προσθήκη στα αγαπημένα
ΦΤΕΡΩΤΗ ΤΡΟΜΠΑΣ ΝΕΡΟΥ SCOOTER 125-300 4Τ-844730
Το προιόν είναι το Νουμερο: 9 στην εικόνα.
€11,00
+Καλάθι
+Σύγκριση
Προσθήκη στα αγαπημένα
Τα cookies μας βοηθούν να παρέχουμε τις υπηρεσίες μας. Με τη χρήση των υπηρεσιών μας, συμφωνείτε με τη χρήση των cookies.
ΟΚ
Μάθε περισσότερα