Εγγραφή
Σύνδεση
(0)
(0)
Δεν υπάρχουν προϊόντα στο καλάθι σας.
Αναζήτηση
Genuine Piaggio Group Parts
UpMap
Μοτοσυκλέτα
Scooter
Εξατμίσεις
Βάσεις κινητού, ActionCam, GPS
Λιπαντικά
Αναβάτης
Αντικλεπτικά
Μπαταρίες
Βιβλία
Πακέτα Συντήρησης Scooter/Moto
Motoholics e-Gift Card
Μεταχειρισμένα
Service
Μενου
Genuine Piaggio Group Parts
UpMap
Μοτοσυκλέτα
Scooter
Εξατμίσεις
Βάσεις κινητού, ActionCam, GPS
Λιπαντικά
Αναβάτης
Αντικλεπτικά
Μπαταρίες
Βιβλία
Πακέτα Συντήρησης Scooter/Moto
Motoholics e-Gift Card
Service
Αρχική σελίδα
/
Genuine Piaggio Group Parts
/
Aprilia
/
Motorbike
/
RSV 4 1100 E5+
/
RSV4 1100 Factory E5+ ABS 2025 (EMEA)
/
Κινητήρας
/
Καπάκι σφονδύλου
Φιλτράρισμα με τιμή
Κατηγορίες
Genuine Piaggio Group Parts
UpMap
Μοτοσυκλέτα
Scooter
Εξατμίσεις
Βάσεις κινητού, ActionCam, GPS
Λιπαντικά
Αναβάτης
Αντικλεπτικά
Μπαταρίες
Βιβλία
Πακέτα Συντήρησης Scooter/Moto
Motoholics e-Gift Card
Κατασκευαστές
AKRAPOVIC
VICMA
Bart Factory
PMT TYRES
Barnett
CHT CHIARAVALLI
ABUS
AFAM
Aprilia
Armadillo Covers
aSpecialParts
AWA TECH
AXP
Barkbusters
Beeline
Benelli
BITUBO
BMW
BONAMICI RACING
Brembo
BS BATTERY
Bullster
Cardo
CFMOTO
CMS
CNC Racing
Denicol Lubricants
DNA
domino
Double Take Mirrors
Προβολή όλων
Δημοφιλεις ετικετες
aprilia
battery
exatmish
exhaust
hpcorse
hp-corse
silencer
slipon
slip-on
teliko
vespa
εξάτμιση
μπαταρια
σιλανσιέ
τελικό
Προβολή όλων
Καπάκι σφονδύλου
57670|AP619260000003270030300180001||0114331|καπακι-σφονδυλου-d326|Καπάκι σφονδύλου
Προβολή ως
Πλέγμα
Λίστα
Ταξινόμηση ανά
Κορυφαίες επιλογές πρώτα
Αλφαβητικά Α - Ω
Αλφαβητικά Ω - Α
Αύξουσα τιμή
Φθίνουσα τιμή
Δημιουργήθηκε στις
Εμφάνιση
30
60
120
ανά σελίδα
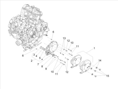
ΒΙΔΑ M5x16-857048
Το προιόν είναι το Νουμερο: 9 στην εικόνα.
€0,12
+Καλάθι
+Σύγκριση
Προσθήκη στα αγαπημένα
ΒΙΔΑ SHIVER/DORSO/RSV 4-874550
Το προιόν είναι το Νουμερο: 11 στην εικόνα.
€2,10
+Καλάθι
+Σύγκριση
Προσθήκη στα αγαπημένα
ΒΙΔΑ-1A023234
Το προιόν είναι το Νουμερο: 15 στην εικόνα.
€6,00
+Καλάθι
+Σύγκριση
Προσθήκη στα αγαπημένα
ΒΙΔΑ-871094
Το προιόν είναι το Νουμερο: 12 στην εικόνα.
€0,15
+Καλάθι
+Σύγκριση
Προσθήκη στα αγαπημένα
ΚΑΠΑΚΙ ΗΧΟΜΟΝΩΤΙΚΟ TUONO-RSV 4 ΚΟΜΠΛΕ-1A025733
Το προιόν είναι το Νουμερο: 1 στην εικόνα.
€32,00
+Καλάθι
+Σύγκριση
Προσθήκη στα αγαπημένα
ΛΑΣΤΙΧΑΚΙ ΑΞΟΝΑ ΜΕΤΑΔΟΣΗΣ GP800 30MM-006630
Το προιόν είναι το Νουμερο: 3 στην εικόνα.
€0,12
+Καλάθι
+Σύγκριση
Προσθήκη στα αγαπημένα
ΛΑΣΤΙΧΟ ΠΡΟΦΥΛΑΚΤ ΕΞΑΤΜΙΣΗΣ-834040
Το προιόν είναι το Νουμερο: 14 στην εικόνα.
€0,68
+Καλάθι
+Σύγκριση
Προσθήκη στα αγαπημένα
Ο-ΡΙΝΓΚ ΤΕΝΤΩΤΗΡΑ ΑΛΥΣΙΔΑΣ RSV 4 1100-857176
Το προιόν είναι το Νουμερο: 7 στην εικόνα.
€0,38
+Καλάθι
+Σύγκριση
Προσθήκη στα αγαπημένα
Ο-ΡΙΝΓΚ ΤΕΝΤΩΤΗΡΑ ΑΛΥΣΙΔΑΣ RSV 4 FAC/R-B012189
Το προιόν είναι το Νουμερο: 7 στην εικόνα.
€0,35
+Καλάθι
+Σύγκριση
Προσθήκη στα αγαπημένα
ΠΕΙΡΟΣ ΚΑΡΤΕΡ RSV 4-RS 660-411209
Το προιόν είναι το Νουμερο: 6 στην εικόνα.
€2,29
+Καλάθι
+Σύγκριση
Προσθήκη στα αγαπημένα
ΡΑΚΟΡ RSV4 1100 BLOW-BY ΕΞΟΔΟΥ ΜΑΥΡΟ-85746200XNB
Το προιόν είναι το Νουμερο: 8 στην εικόνα.
€16,00
+Καλάθι
+Σύγκριση
Προσθήκη στα αγαπημένα
ΡΟΔΕΛΑ ΣΤΕΓΑΝΟΠΟΙΗΣΗΣ-2A000034
Το προιόν είναι το Νουμερο: 13 στην εικόνα.
€1,50
+Καλάθι
+Σύγκριση
Προσθήκη στα αγαπημένα
ΡΟΔΕΛΑ-898269
Το προιόν είναι το Νουμερο: 4 στην εικόνα.
€1,00
+Καλάθι
+Σύγκριση
Προσθήκη στα αγαπημένα
ΡΟΔΕΛΛΑ 6,4χ110,5 RSV 1000-658830
Το προιόν είναι το Νουμερο: 10 στην εικόνα.
€0,04
+Καλάθι
+Σύγκριση
Προσθήκη στα αγαπημένα
ΤΣΙΜΟΥΧΑ ΚΑΠ ΒΟΛΑΝ RSV 4 APRC/TUONO 4-898268
Το προιόν είναι το Νουμερο: 5 στην εικόνα.
€5,70
+Καλάθι
+Σύγκριση
Προσθήκη στα αγαπημένα
Τα cookies μας βοηθούν να παρέχουμε τις υπηρεσίες μας. Με τη χρήση των υπηρεσιών μας, συμφωνείτε με τη χρήση των cookies.
ΟΚ
Μάθε περισσότερα