Εγγραφή
Σύνδεση
(0)
(0)
Δεν υπάρχουν προϊόντα στο καλάθι σας.
Αναζήτηση
Genuine Piaggio Group Parts
UpMap
Μοτοσυκλέτα
Scooter
Εξατμίσεις
Βάσεις κινητού, ActionCam, GPS
Λιπαντικά
Αναβάτης
Αντικλεπτικά
Μπαταρίες
Βιβλία
Πακέτα Συντήρησης Scooter/Moto
Motoholics e-Gift Card
Μεταχειρισμένα
Service
Μενου
Genuine Piaggio Group Parts
UpMap
Μοτοσυκλέτα
Scooter
Εξατμίσεις
Βάσεις κινητού, ActionCam, GPS
Λιπαντικά
Αναβάτης
Αντικλεπτικά
Μπαταρίες
Βιβλία
Πακέτα Συντήρησης Scooter/Moto
Motoholics e-Gift Card
Service
Αρχική σελίδα
/
Genuine Piaggio Group Parts
/
Vespa
/
Scooter
/
Vespa GTS 125
/
Vespa GTS 125 ABS E5 MY 2022 (EMEA)
/
Κινητήρας
/
Κάρτερ
Φιλτράρισμα με τιμή
Κατηγορίες
Genuine Piaggio Group Parts
UpMap
Μοτοσυκλέτα
Scooter
Εξατμίσεις
Βάσεις κινητού, ActionCam, GPS
Λιπαντικά
Αναβάτης
Αντικλεπτικά
Μπαταρίες
Βιβλία
Πακέτα Συντήρησης Scooter/Moto
Motoholics e-Gift Card
Κατασκευαστές
AKRAPOVIC
VICMA
Bart Factory
PMT TYRES
Barnett
CHT CHIARAVALLI
ABUS
AFAM
Aprilia
Armadillo Covers
aSpecialParts
AWA TECH
AXP
Barkbusters
Beeline
Benelli
BITUBO
BMW
BONAMICI RACING
Brembo
BS BATTERY
Bullster
Cardo
CFMOTO
CMS
CNC Racing
Denicol Lubricants
DNA
domino
Double Take Mirrors
Προβολή όλων
Είδατε πρόσφατα
ΒΙΔΑ-031056
ΒΙΔΑ==>>1A003111-018575
Δημοφιλεις ετικετες
aprilia
battery
exatmish
exhaust
hpcorse
hp-corse
silencer
slipon
slip-on
teliko
vespa
εξάτμιση
μπαταρια
σιλανσιέ
τελικό
Προβολή όλων
Κάρτερ
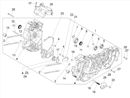
49188|NVH1000U010001050050100260008||0049977|καρτερ-527|Κάρτερ
Προβολή ως
Πλέγμα
Λίστα
Ταξινόμηση ανά
Κορυφαίες επιλογές πρώτα
Αλφαβητικά Α - Ω
Αλφαβητικά Ω - Α
Αύξουσα τιμή
Φθίνουσα τιμή
Δημιουργήθηκε στις
Εμφάνιση
30
60
120
ανά σελίδα
ΑΣΦΑΛΕΙΑ SEEGER (12x26,9x1,2)-B015959
Το προιόν είναι το Νουμερο: 7 στην εικόνα.
€0,12
+Καλάθι
+Σύγκριση
Προσθήκη στα αγαπημένα
ΒΑΛΒΙΔΑ ΠΙΕΣΗΣ ΛΑΔΙΟΥ SC 125<>150 IGET-1A021814R
Το προιόν είναι το Νουμερο: 18 στην εικόνα.
€2,10
+Καλάθι
+Σύγκριση
Προσθήκη στα αγαπημένα
ΒΑΛΒΙΔΑ ΠΙΕΣΗΣ ΛΑΔΙΟΥ==>>1A021814R-B015432
Το προιόν είναι το Νουμερο: 18 στην εικόνα.
€1,80
+Καλάθι
+Σύγκριση
Προσθήκη στα αγαπημένα
ΒΙΔΑ M6X60-B016425
Το προιόν είναι το Νουμερο: 26 στην εικόνα.
€0,32
+Καλάθι
+Σύγκριση
Προσθήκη στα αγαπημένα
ΒΙΔΑ TORX M5X20-B016808
Το προιόν είναι το Νουμερο: 17 στην εικόνα.
€0,12
+Καλάθι
+Σύγκριση
Προσθήκη στα αγαπημένα
ΒΙΔΑ TORX-1A005607
Το προιόν είναι το Νουμερο: 16 στην εικόνα.
€2,41
+Καλάθι
+Σύγκριση
Προσθήκη στα αγαπημένα
ΔΙΑΧΩΡΙΣΤΙΚΟ ΛΑΔΙΟΥ ΚΑΡΤΕΡ FLY 125 4T 3V-B014135
Το προιόν είναι το Νουμερο: 21 στην εικόνα.
€1,80
+Καλάθι
+Σύγκριση
Προσθήκη στα αγαπημένα
ΔΙΑΧΩΡΙΣΤΙΚΟ ΛΑΔΙΟΥ ΚΑΡΤΕΡ MEDLEY-B014134
Το προιόν είναι το Νουμερο: 20 στην εικόνα.
€3,40
+Καλάθι
+Σύγκριση
Προσθήκη στα αγαπημένα
ΕΛΑΤΗΡΙΟ ΒΑΛΒΙΔΑΣ ΠΙΕΣΗΣ ΛΑΔΙΟΥ-B015431
Το προιόν είναι το Νουμερο: 19 στην εικόνα.
€0,38
+Καλάθι
+Σύγκριση
Προσθήκη στα αγαπημένα
ΚΑΡΤΕΡ SR GT 125 CAT.1-CM31880101
Το προιόν είναι το Νουμερο: 1 στην εικόνα.
€483,00
+Καλάθι
+Σύγκριση
Προσθήκη στα αγαπημένα
ΚΑΡΤΕΡ SR GT 125 CAT.2==>>CM31880202-CM31880102
Το προιόν είναι το Νουμερο: 1 στην εικόνα.
€468,00
+Καλάθι
+Σύγκριση
Προσθήκη στα αγαπημένα
ΚΑΡΤΕΡ SR GT 125 CAT.2-CM31880202
Το προιόν είναι το Νουμερο: 1 στην εικόνα.
€412,99
+Καλάθι
+Σύγκριση
Προσθήκη στα αγαπημένα
ΜΠΟΥΖΟΝΙ ΚΥΛ MEDLEY-SR GT-LIB-1A001406
Το προιόν είναι το Νουμερο: 2 στην εικόνα.
€2,60
+Καλάθι
+Σύγκριση
Προσθήκη στα αγαπημένα
ΜΠΟΥΖΟΝΙ ΨΥΓΕΙΟΥ MEDLEY-1A001860
Το προιόν είναι το Νουμερο: 11 στην εικόνα.
€2,00
+Καλάθι
+Σύγκριση
Προσθήκη στα αγαπημένα
ΟΔΗΓΟΣ ΚΑΡΤΕΡ MEDLEY-SR GT-1A001364
Το προιόν είναι το Νουμερο: 13 στην εικόνα.
€1,20
+Καλάθι
+Σύγκριση
Προσθήκη στα αγαπημένα
ΟΔΗΓΟΣ ΚΑΡΤΕΡ PIAGGIO-GILERA-APRILIA-484993
Το προιόν είναι το Νουμερο: 12 στην εικόνα.
€1,80
+Καλάθι
+Σύγκριση
Προσθήκη στα αγαπημένα
ΟΔΗΓΟΣ ΚΑΡΤΕΡ PIAGGIO-GILERA-APRILIA-B015957
Το προιόν είναι το Νουμερο: 6 στην εικόνα.
€0,38
+Καλάθι
+Σύγκριση
Προσθήκη στα αγαπημένα
ΟΔΗΓΟΣ ΚΑΡΤΕΡ SC 125<>530 D9.5, H15-B015956
Το προιόν είναι το Νουμερο: 4 στην εικόνα.
€0,55
+Καλάθι
+Σύγκριση
Προσθήκη στα αγαπημένα
Ο-ΡΙΝΓΚ ΠΕΙΡΟΥ ΣΤΑΝ SCOOTER 50<>400-273754
Το προιόν είναι το Νουμερο: 3 στην εικόνα.
€0,19
+Καλάθι
+Σύγκριση
Προσθήκη στα αγαπημένα
Ο-ΡΙΝΓΚ ΦΙΛΤΡΟΥ ΛΑΔΙΟΥ ΕΣΩΤ SC 125<>250-431065
Το προιόν είναι το Νουμερο: 25 στην εικόνα.
€0,14
+Καλάθι
+Σύγκριση
Προσθήκη στα αγαπημένα
ΠΑΞΙΜΑΔΙ M5X16-830061
Το προιόν είναι το Νουμερο: 22 στην εικόνα.
€0,07
+Καλάθι
+Σύγκριση
Προσθήκη στα αγαπημένα
ΡΟΔΕΛΑ-106009
Το προιόν είναι το Νουμερο: 28 στην εικόνα.
€0,91
+Καλάθι
+Σύγκριση
Προσθήκη στα αγαπημένα
ΡΟΥΛΕΜΑΝ 22Χ50Χ14 FLY 125-LX-S 4T 3V-83027R
Το προιόν είναι το Νουμερο: 8 στην εικόνα.
€5,80
+Καλάθι
+Σύγκριση
Προσθήκη στα αγαπημένα
ΡΟΥΛΕΜΑΝ ΔΙΑΦ FLY-MEDL 4T 3V (15x42x13)-83026R
Το προιόν είναι το Νουμερο: 5 στην εικόνα.
€2,50
+Καλάθι
+Σύγκριση
Προσθήκη στα αγαπημένα
ΣΥΝΕΜΠΛΟΚ ΚΑΡΤΕΡ SC 50<>150 Ε4-Ε5 ΜΠΡΟΣ-1A008919R
Το προιόν είναι το Νουμερο: 14 στην εικόνα.
€5,70
+Καλάθι
+Σύγκριση
Προσθήκη στα αγαπημένα
ΤΑΠΑ ΕΞΑΓ ΛΑΔΙΟΥ BEV-GT 200-NEXUS-X8-269755
Το προιόν είναι το Νουμερο: 27 στην εικόνα.
€0,38
+Καλάθι
+Σύγκριση
Προσθήκη στα αγαπημένα
ΤΣΙΜΟΥΧΑ ΣΤΡΟΦ MEDLEY-SR GT 20χ35χ7-1A005746
Το προιόν είναι το Νουμερο: 9 στην εικόνα.
€9,90
+Καλάθι
+Σύγκριση
Προσθήκη στα αγαπημένα
ΤΣΙΜΟΥΧΑ ΣΤΡΟΦ MEDLEY-SR GT 24χ35χ7-1A005745
Το προιόν είναι το Νουμερο: 10 στην εικόνα.
€9,90
+Καλάθι
+Σύγκριση
Προσθήκη στα αγαπημένα
ΦΙΛΤΡΟ ΛΑΔΙΟΥ SCOOTER 125/150 IGET ΕΣΩΤ-B015430
Το προιόν είναι το Νουμερο: 24 στην εικόνα.
€3,20
+Καλάθι
+Σύγκριση
Προσθήκη στα αγαπημένα
ΦΛΑΝΤΖΑ ΚΑΡΤΕΡ MEDLEY-1A001115
Το προιόν είναι το Νουμερο: 23 στην εικόνα.
€2,00
+Καλάθι
+Σύγκριση
Προσθήκη στα αγαπημένα
1
2
Επόμενο
Τα cookies μας βοηθούν να παρέχουμε τις υπηρεσίες μας. Με τη χρήση των υπηρεσιών μας, συμφωνείτε με τη χρήση των cookies.
ΟΚ
Μάθε περισσότερα