Εγγραφή
Σύνδεση
(0)
(0)
Δεν υπάρχουν προϊόντα στο καλάθι σας.
Αναζήτηση
Genuine Piaggio Group Parts
UpMap
Μοτοσυκλέτα
Scooter
Εξατμίσεις
Βάσεις κινητού, ActionCam, GPS
Λιπαντικά
Αναβάτης
Αντικλεπτικά
Μπαταρίες
Βιβλία
Πακέτα Συντήρησης Scooter/Moto
Motoholics e-Gift Card
Μεταχειρισμένα
Service
Μενου
Genuine Piaggio Group Parts
UpMap
Μοτοσυκλέτα
Scooter
Εξατμίσεις
Βάσεις κινητού, ActionCam, GPS
Λιπαντικά
Αναβάτης
Αντικλεπτικά
Μπαταρίες
Βιβλία
Πακέτα Συντήρησης Scooter/Moto
Motoholics e-Gift Card
Service
Αρχική σελίδα
/
Genuine Piaggio Group Parts
/
Moto Guzzi
/
Motorbike
/
V 7 E5+
/
V7 Special 850 E5+ ABS 2025 (EMEA)
/
Κινητήρας
/
Κάρτερ I
Φιλτράρισμα με τιμή
Κατηγορίες
Genuine Piaggio Group Parts
UpMap
Μοτοσυκλέτα
Scooter
Εξατμίσεις
Βάσεις κινητού, ActionCam, GPS
Λιπαντικά
Αναβάτης
Αντικλεπτικά
Μπαταρίες
Βιβλία
Πακέτα Συντήρησης Scooter/Moto
Motoholics e-Gift Card
Κατασκευαστές
AKRAPOVIC
VICMA
Bart Factory
PMT TYRES
Barnett
CHT CHIARAVALLI
ABUS
AFAM
Aprilia
Armadillo Covers
aSpecialParts
AWA TECH
AXP
Barkbusters
Beeline
Benelli
BITUBO
BMW
BONAMICI RACING
Brembo
BS BATTERY
Bullster
Cardo
CFMOTO
CMS
CNC Racing
Denicol Lubricants
DNA
domino
Double Take Mirrors
Προβολή όλων
Είδατε πρόσφατα
ΒΙΔΑ TORX-CM180702
ΒΙΔΑ M5X12-2B014101
ΒΙΔΑ M5X10-1C001493
Δημοφιλεις ετικετες
aprilia
battery
exatmish
exhaust
hpcorse
hp-corse
silencer
slipon
slip-on
teliko
vespa
εξάτμιση
μπαταρια
σιλανσιέ
τελικό
Προβολή όλων
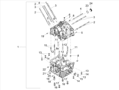
Κάρτερ I
55951|GU321510000003030060100420001||0110969|καρτερ-i-0ed6|Κάρτερ I
Προβολή ως
Πλέγμα
Λίστα
Ταξινόμηση ανά
Κορυφαίες επιλογές πρώτα
Αλφαβητικά Α - Ω
Αλφαβητικά Ω - Α
Αύξουσα τιμή
Φθίνουσα τιμή
Δημιουργήθηκε στις
Εμφάνιση
30
60
120
ανά σελίδα
ΒΙΔΑ ΚΕΦΑΛΗΣ ΚΥΛΙΝΔΡΟΥ MG V85 ΚΕΝΤΡΙΚΗ-1A008104
Το προιόν είναι το Νουμερο: 4 στην εικόνα.
€9,99
+Καλάθι
+Σύγκριση
Προσθήκη στα αγαπημένα
ΒΙΔΑ ΚΕΦΑΛΗΣ ΚΥΛΙΝΔΡΟΥ MG V85 ΚΟΝΤΗ-1A008103
Το προιόν είναι το Νουμερο: 3 στην εικόνα.
€9,60
+Καλάθι
+Σύγκριση
Προσθήκη στα αγαπημένα
ΒΙΔΑ ΚΕΦΑΛΗΣ ΚΥΛΙΝΔΡΟΥ MG V85 ΜΑΚΡΥΑ-1A008102
Το προιόν είναι το Νουμερο: 2 στην εικόνα.
€9,99
+Καλάθι
+Σύγκριση
Προσθήκη στα αγαπημένα
ΚΡΥΣΤΑΛΛΟ ΣΤΑΘΜΗΣ ΛΑΔΙΟΥ GP800-MANΑ 850-485693
Το προιόν είναι το Νουμερο: 15 στην εικόνα.
€13,00
+Καλάθι
+Σύγκριση
Προσθήκη στα αγαπημένα
ΜΠΟΥΖΟΝΙ ΚΥΛ MG V85-1A008256
Το προιόν είναι το Νουμερο: 5 στην εικόνα.
€3,20
+Καλάθι
+Σύγκριση
Προσθήκη στα αγαπημένα
ΟΔΗΓΟΣ ΚΑΡΤΕΡ PIAGGIO-GILERA-APRILIA-484993
Το προιόν είναι το Νουμερο: 9 στην εικόνα.
€1,80
+Καλάθι
+Σύγκριση
Προσθήκη στα αγαπημένα
ΠΑΞΙΜΑΔΙ ΦΤΕΡΩΤΗΣ SC 125-150 4T 3V-874557
Το προιόν είναι το Νουμερο: 14 στην εικόνα.
€0,38
+Καλάθι
+Σύγκριση
Προσθήκη στα αγαπημένα
ΡΟΔΕΛΑ ΣΕΝΣΟΡΑ ΠΙΕΣΗΣ ΛΑΔ BREVA-NEV-V7-GU95100309
Το προιόν είναι το Νουμερο: 7 στην εικόνα.
€0,53
+Καλάθι
+Σύγκριση
Προσθήκη στα αγαπημένα
Τα cookies μας βοηθούν να παρέχουμε τις υπηρεσίες μας. Με τη χρήση των υπηρεσιών μας, συμφωνείτε με τη χρήση των cookies.
ΟΚ
Μάθε περισσότερα