Εγγραφή
Σύνδεση
(0)
(0)
Δεν υπάρχουν προϊόντα στο καλάθι σας.
Αναζήτηση
Genuine Piaggio Group Parts
UpMap
Μοτοσυκλέτα
Scooter
Εξατμίσεις
Βάσεις κινητού, ActionCam, GPS
Λιπαντικά
Αναβάτης
Αντικλεπτικά
Μπαταρίες
Βιβλία
Πακέτα Συντήρησης Scooter/Moto
Motoholics e-Gift Card
Μεταχειρισμένα
Service
Μενου
Genuine Piaggio Group Parts
UpMap
Μοτοσυκλέτα
Scooter
Εξατμίσεις
Βάσεις κινητού, ActionCam, GPS
Λιπαντικά
Αναβάτης
Αντικλεπτικά
Μπαταρίες
Βιβλία
Πακέτα Συντήρησης Scooter/Moto
Motoholics e-Gift Card
Service
Αρχική σελίδα
/
Genuine Piaggio Group Parts
/
Vespa
/
Scooter
/
Historical catalogs 1946 - 2005
/
Vespa 125 FL2
/
Κινητήρας
/
κάρτερ I
Φιλτράρισμα με τιμή
Κατηγορίες
Genuine Piaggio Group Parts
UpMap
Μοτοσυκλέτα
Scooter
Εξατμίσεις
Βάσεις κινητού, ActionCam, GPS
Λιπαντικά
Αναβάτης
Αντικλεπτικά
Μπαταρίες
Βιβλία
Πακέτα Συντήρησης Scooter/Moto
Motoholics e-Gift Card
Κατασκευαστές
AKRAPOVIC
VICMA
Bart Factory
PMT TYRES
Barnett
CHT CHIARAVALLI
MAXIMA RACING OILS
ABUS
AFAM
Aprilia
Armadillo Covers
aSpecialParts
AWA TECH
AXP
Barkbusters
Beeline
Benelli
BITUBO
BMW
BONAMICI RACING
Brembo
BS BATTERY
Bullster
Cardo
CFMOTO
CMS
CNC Racing
Denicol Lubricants
DNA
domino
Προβολή όλων
Είδατε πρόσφατα
ΒΙΔΑ 4,2X13-259349
ΒΙΔΑ TORX-CM179202
ΛΑΜΑΚΙ ΚΟΡΩΝΑΣ ΒΟΛΑΝ SC 125 150 E3<>Ε5-876646
Δημοφιλεις ετικετες
aprilia
battery
exatmish
exhaust
hpcorse
hp-corse
silencer
slipon
slip-on
teliko
vespa
εξάτμιση
μπαταρια
σιλανσιέ
τελικό
Προβολή όλων
κάρτερ I
53908|VESPA125FL2001020050100290025||0107417|καρτερ-i-9616|κάρτερ I
Προβολή ως
Πλέγμα
Λίστα
Ταξινόμηση ανά
Κορυφαίες επιλογές πρώτα
Αλφαβητικά Α - Ω
Αλφαβητικά Ω - Α
Αύξουσα τιμή
Φθίνουσα τιμή
Δημιουργήθηκε στις
Εμφάνιση
30
60
120
ανά σελίδα
RING-152351
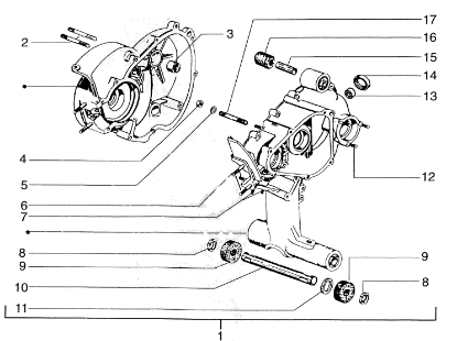
Το προιόν είναι το Νουμερο: 14 στην εικόνα.
€6,57
+Καλάθι
+Σύγκριση
Προσθήκη στα αγαπημένα
ΑΠΟΣΤΑΤΗΣ ΣΥΝΕΜΠΛΟΚ ΑΜΟΡ-223604
Το προιόν είναι το Νουμερο: 15 στην εικόνα.
€6,30
+Καλάθι
+Σύγκριση
Προσθήκη στα αγαπημένα
ΔΑΚΤΥΛΙΔΙ-287146
Το προιόν είναι το Νουμερο: 13 στην εικόνα.
€4,34
+Καλάθι
+Σύγκριση
Προσθήκη στα αγαπημένα
ΜΠΟΥΖΟΝΙ ΚΑΡΤΕΡ V/50-004515
Το προιόν είναι το Νουμερο: 17 στην εικόνα.
€3,00
+Καλάθι
+Σύγκριση
Προσθήκη στα αγαπημένα
ΜΠΟΥΖΟΝΙ ΚΑΡΤΕΡ ΑΡΕ 50-VESPA 50 FL2-016036
Το προιόν είναι το Νουμερο: 2 στην εικόνα.
€3,40
+Καλάθι
+Σύγκριση
Προσθήκη στα αγαπημένα
ΜΠΟΥΖΟΝΙ ΚΥΛ VESPA ΡΧ 125-150 7mm-150656
Το προιόν είναι το Νουμερο: 6 στην εικόνα.
€5,80
+Καλάθι
+Σύγκριση
Προσθήκη στα αγαπημένα
ΠΑΞΙΜΑΔΙ M7-6H ΚΥΛΙΝΔΡΟΥ VESPA PX-E-020107
Το προιόν είναι το Νουμερο: 4 στην εικόνα.
€0,06
+Καλάθι
+Σύγκριση
Προσθήκη στα αγαπημένα
ΡΟΔΕΛΛΑ-003057
Το προιόν είναι το Νουμερο: 5 στην εικόνα.
€0,15
+Καλάθι
+Σύγκριση
Προσθήκη στα αγαπημένα
ΡΟΥΛΕΜΑΝ ΜΑΚΑΡΩΝΟΤΟ-182015
Το προιόν είναι το Νουμερο: 3 στην εικόνα.
€4,40
+Καλάθι
+Σύγκριση
Προσθήκη στα αγαπημένα
ΣΥΝΕΜΠΛΟΚ VESPA ΡΚ XL-FL-112204
Το προιόν είναι το Νουμερο: 9 στην εικόνα.
€20,00
+Καλάθι
+Σύγκριση
Προσθήκη στα αγαπημένα
ΣΥΝΕΜΠΛΟΚ ΠΙΣΩ ΑΜΟΡΤ VESPA PX200 BGM-15710300
Το προιόν είναι το Νουμερο: 16 στην εικόνα.
€6,10
+Καλάθι
+Σύγκριση
Προσθήκη στα αγαπημένα
ΣΥΝΕΜΠΛΟΚ ΠΙΣΩ ΑΜΟΡΤ VESPA PX200E-157103
Το προιόν είναι το Νουμερο: 16 στην εικόνα.
€3,79
+Καλάθι
+Σύγκριση
Προσθήκη στα αγαπημένα
Τα cookies μας βοηθούν να παρέχουμε τις υπηρεσίες μας. Με τη χρήση των υπηρεσιών μας, συμφωνείτε με τη χρήση των cookies.
ΟΚ
Μάθε περισσότερα