Εγγραφή
Σύνδεση
(0)
(0)
Δεν υπάρχουν προϊόντα στο καλάθι σας.
Αναζήτηση
Genuine Piaggio Group Parts
UpMap
Μοτοσυκλέτα
Scooter
Εξατμίσεις
Βάσεις κινητού, ActionCam, GPS
Λιπαντικά
Αναβάτης
Αντικλεπτικά
Μπαταρίες
Βιβλία
Πακέτα Συντήρησης Scooter/Moto
Motoholics e-Gift Card
Μεταχειρισμένα
Service
Μενου
Genuine Piaggio Group Parts
UpMap
Μοτοσυκλέτα
Scooter
Εξατμίσεις
Βάσεις κινητού, ActionCam, GPS
Λιπαντικά
Αναβάτης
Αντικλεπτικά
Μπαταρίες
Βιβλία
Πακέτα Συντήρησης Scooter/Moto
Motoholics e-Gift Card
Service
Αρχική σελίδα
/
Genuine Piaggio Group Parts
/
Aprilia
/
Motorbike
/
Tuono 660 E5+
/
Tuono 660 4T 8V E5+ Factory 2025 (EMEA)
/
Κινητήρας
/
Κάρτερ I
Φιλτράρισμα με τιμή
Κατηγορίες
Genuine Piaggio Group Parts
UpMap
Μοτοσυκλέτα
Scooter
Εξατμίσεις
Βάσεις κινητού, ActionCam, GPS
Λιπαντικά
Αναβάτης
Αντικλεπτικά
Μπαταρίες
Βιβλία
Πακέτα Συντήρησης Scooter/Moto
Motoholics e-Gift Card
Κατασκευαστές
AKRAPOVIC
VICMA
Bart Factory
PMT TYRES
Barnett
CHT CHIARAVALLI
ABUS
AFAM
Aprilia
Armadillo Covers
aSpecialParts
AWA TECH
AXP
Barkbusters
Beeline
Benelli
BITUBO
BMW
BONAMICI RACING
Brembo
BS BATTERY
Bullster
Cardo
CFMOTO
CMS
CNC Racing
Denicol Lubricants
DNA
domino
Double Take Mirrors
Προβολή όλων
Είδατε πρόσφατα
ΚΟΥΠΑ-AP8234020
ΒΙΔΑ-AP8152329
ΠΟΛΛΑΠΛΗ ΕΞΑΤΜ RX/SX 125 E5-2B007781
Δημοφιλεις ετικετες
aprilia
battery
exatmish
exhaust
hpcorse
hp-corse
silencer
slipon
slip-on
teliko
vespa
εξάτμιση
μπαταρια
σιλανσιέ
τελικό
Προβολή όλων
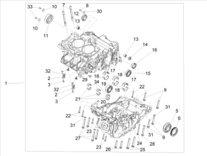
Κάρτερ I
57590|AP617700000003030030300350001||0114259|καρτερ-i-cd86|Κάρτερ I
Προβολή ως
Πλέγμα
Λίστα
Ταξινόμηση ανά
Κορυφαίες επιλογές πρώτα
Αλφαβητικά Α - Ω
Αλφαβητικά Ω - Α
Αύξουσα τιμή
Φθίνουσα τιμή
Δημιουργήθηκε στις
Εμφάνιση
30
60
120
ανά σελίδα
ΒΑΛΒΙΔΑ ΑΝΑΘΥΜΙΑΣΕΩΝ RSV 4-TUONO-B045126
Το προιόν είναι το Νουμερο: 32 στην εικόνα.
€34,00
+Καλάθι
+Σύγκριση
Προσθήκη στα αγαπημένα
ΒΙΔΑ M5X12-1A017040
Το προιόν είναι το Νουμερο: 29 στην εικόνα.
€0,41
+Καλάθι
+Σύγκριση
Προσθήκη στα αγαπημένα
ΒΙΔΑ M6X30-B016792
Το προιόν είναι το Νουμερο: 23 στην εικόνα.
€0,07
+Καλάθι
+Σύγκριση
Προσθήκη στα αγαπημένα
ΒΙΔΑ M6x40-1A011120
Το προιόν είναι το Νουμερο: 22 στην εικόνα.
€0,31
+Καλάθι
+Σύγκριση
Προσθήκη στα αγαπημένα
ΒΙΔΑ M6x70-434429
Το προιόν είναι το Νουμερο: 24 στην εικόνα.
€0,41
+Καλάθι
+Σύγκριση
Προσθήκη στα αγαπημένα
ΒΙΔΑ M8X45-B016805
Το προιόν είναι το Νουμερο: 26 στην εικόνα.
€0,31
+Καλάθι
+Σύγκριση
Προσθήκη στα αγαπημένα
ΒΙΔΑ M8X50==>>B016773-1A001623
Το προιόν είναι το Νουμερο: 9 στην εικόνα.
€0,77
+Καλάθι
+Σύγκριση
Προσθήκη στα αγαπημένα
ΒΙΔΑ M8X50-B016773
Το προιόν είναι το Νουμερο: 9 στην εικόνα.
€0,41
+Καλάθι
+Σύγκριση
Προσθήκη στα αγαπημένα
ΒΙΔΑ M8X60 GP800-MANA 850-874747
Το προιόν είναι το Νουμερο: 27 στην εικόνα.
€0,81
+Καλάθι
+Σύγκριση
Προσθήκη στα αγαπημένα
ΒΙΔΑ ΕΞΑΓΩΝΗ-B013608
Το προιόν είναι το Νουμερο: 33 στην εικόνα.
€0,19
+Καλάθι
+Σύγκριση
Προσθήκη στα αγαπημένα
ΒΙΔΑ ΚΑΡΤΕΡ RS 660 M10X65-1A015658
Το προιόν είναι το Νουμερο: 25 στην εικόνα.
€2,19
+Καλάθι
+Σύγκριση
Προσθήκη στα αγαπημένα
ΒΙΔΑ ΨΕΚΑΣΤΗΡΑ ΨΥΞΗΣ RS 660 M5X14-B018718
Το προιόν είναι το Νουμερο: 3 στην εικόνα.
€0,24
+Καλάθι
+Σύγκριση
Προσθήκη στα αγαπημένα
ΚΟΥΖΙΝΕΤΟ ΑΝΤΙΒ ΣΤΡΟΦ RS 660 ΓΚΡΙ-1A019559G
Το προιόν είναι το Νουμερο: 21 στην εικόνα.
€17,00
+Καλάθι
+Σύγκριση
Προσθήκη στα αγαπημένα
ΚΟΥΖΙΝΕΤΟ ΑΝΤΙΒ ΣΤΡΟΦ RS 660 ΚΟΚΚ-1A025207R
Το προιόν είναι το Νουμερο: 21 στην εικόνα.
€34,00
+Καλάθι
+Σύγκριση
Προσθήκη στα αγαπημένα
ΚΟΥΖΙΝΕΤΟ ΑΝΤΙΒ ΣΤΡΟΦ RS 660 ΜΑΥΡΟ-1A025207N
Το προιόν είναι το Νουμερο: 21 στην εικόνα.
€17,00
+Καλάθι
+Σύγκριση
Προσθήκη στα αγαπημένα
ΚΟΥΖΙΝΕΤΟ ΑΝΤΙΒ ΣΤΡΟΦ RS 660 ΜΠΛΕ-1A025207B
Το προιόν είναι το Νουμερο: 21 στην εικόνα.
€32,00
+Καλάθι
+Σύγκριση
Προσθήκη στα αγαπημένα
ΚΟΥΖΙΝΕΤΟ ΑΝΤΙΒ==>>1A025207B-1A019559B
Το προιόν είναι το Νουμερο: 21 στην εικόνα.
€17,00
+Καλάθι
+Σύγκριση
Προσθήκη στα αγαπημένα
ΚΟΥΖΙΝΕΤΟ ΑΝΤΙΒ==>>1A025207R-1A019559R
Το προιόν είναι το Νουμερο: 21 στην εικόνα.
€17,00
+Καλάθι
+Σύγκριση
Προσθήκη στα αγαπημένα
ΚΟΥΖΙΝΕΤΟ ΣΤΡΟΦ RS 660 ΛΕΥΚΟ/ΚΑΦΕ-1A0162440M
Το προιόν είναι το Νουμερο: 18 στην εικόνα.
€11,00
+Καλάθι
+Σύγκριση
Προσθήκη στα αγαπημένα
ΚΟΥΖΙΝΕΤΟ ΣΤΡΟΦ RS 660 ΛΕΥΚΟ/ΚΑΦΕ-1A0252050M
Το προιόν είναι το Νουμερο: 17 στην εικόνα.
€23,99
+Καλάθι
+Σύγκριση
Προσθήκη στα αγαπημένα
ΚΟΥΖΙΝΕΤΟ ΣΤΡΟΦ RS 660 ΛΕΥΚΟ/ΚΙΤΡ-1A0252050G
Το προιόν είναι το Νουμερο: 17 στην εικόνα.
€23,99
+Καλάθι
+Σύγκριση
Προσθήκη στα αγαπημένα
ΚΟΥΖΙΝΕΤΟ ΣΤΡΟΦ RS 660 ΛΕΥΚΟ/ΚΙΤΡ-1A0252060G
Το προιόν είναι το Νουμερο: 18 στην εικόνα.
€18,00
+Καλάθι
+Σύγκριση
Προσθήκη στα αγαπημένα
ΚΟΥΖΙΝΕΤΟ ΣΤΡΟΦ RS 660 ΛΕΥΚΟ/ΚΟΚΚ-1A0252050R
Το προιόν είναι το Νουμερο: 17 στην εικόνα.
€23,99
+Καλάθι
+Σύγκριση
Προσθήκη στα αγαπημένα
ΚΟΥΖΙΝΕΤΟ ΣΤΡΟΦ RS 660 ΛΕΥΚΟ/ΚΟΚΚ-1A0252060R
Το προιόν είναι το Νουμερο: 18 στην εικόνα.
€18,00
+Καλάθι
+Σύγκριση
Προσθήκη στα αγαπημένα
ΚΟΥΖΙΝΕΤΟ ΣΤΡΟΦ RS 660 ΛΕΥΚΟ/ΜΠΛΕ-1A0252050B
Το προιόν είναι το Νουμερο: 17 στην εικόνα.
€23,99
+Καλάθι
+Σύγκριση
Προσθήκη στα αγαπημένα
ΚΟΥΖΙΝΕΤΟ ΣΤΡΟΦ RS 660 ΛΕΥΚΟ/ΜΠΛΕ-1A0252060B
Το προιόν είναι το Νουμερο: 18 στην εικόνα.
€11,00
+Καλάθι
+Σύγκριση
Προσθήκη στα αγαπημένα
ΚΟΥΖΙΝΕΤΟ ΣΤΡΟΦ RS 660 ΛΕΥΚΟ/ΠΡΑΣ-1A0252050V
Το προιόν είναι το Νουμερο: 17 στην εικόνα.
€23,99
+Καλάθι
+Σύγκριση
Προσθήκη στα αγαπημένα
ΚΟΥΖΙΝΕΤΟ ΣΤΡΟΦ RS 660 ΛΕΥΚΟ/ΠΡΑΣ-1A0252060V
Το προιόν είναι το Νουμερο: 18 στην εικόνα.
€11,00
+Καλάθι
+Σύγκριση
Προσθήκη στα αγαπημένα
ΚΟΥΖΙΝΕΤΟ ΣΤΡΟΦ RS 660==>>1A0252050M-1A0162430M
Το προιόν είναι το Νουμερο: 17 στην εικόνα.
€23,99
+Καλάθι
+Σύγκριση
Προσθήκη στα αγαπημένα
ΚΟΥΖΙΝΕΤΟ ΣΤΡΟΦ RS 660==>>1A0252060R-1A0162440R
Το προιόν είναι το Νουμερο: 18 στην εικόνα.
€11,00
+Καλάθι
+Σύγκριση
Προσθήκη στα αγαπημένα
1
2
Επόμενο
Τα cookies μας βοηθούν να παρέχουμε τις υπηρεσίες μας. Με τη χρήση των υπηρεσιών μας, συμφωνείτε με τη χρήση των cookies.
ΟΚ
Μάθε περισσότερα