Εγγραφή
Σύνδεση
(0)
(0)
Δεν υπάρχουν προϊόντα στο καλάθι σας.
Αναζήτηση
Genuine Piaggio Group Parts
UpMap
Μοτοσυκλέτα
Scooter
Εξατμίσεις
Βάσεις κινητού, ActionCam, GPS
Λιπαντικά
Αναβάτης
Αντικλεπτικά
Μπαταρίες
Βιβλία
Πακέτα Συντήρησης Scooter/Moto
Motoholics e-Gift Card
Μεταχειρισμένα
Service
Μενου
Genuine Piaggio Group Parts
UpMap
Μοτοσυκλέτα
Scooter
Εξατμίσεις
Βάσεις κινητού, ActionCam, GPS
Λιπαντικά
Αναβάτης
Αντικλεπτικά
Μπαταρίες
Βιβλία
Πακέτα Συντήρησης Scooter/Moto
Motoholics e-Gift Card
Service
Αρχική σελίδα
/
Genuine Piaggio Group Parts
/
Piaggio
/
Scooter
/
NRG
/
NRG Power H2O E4 NO ABS - 2018 (EMEA)
/
Πλαίσιο - Πλαστικά μέρη - Αμαξώματα
/
Κλειδαριές
Φιλτράρισμα με τιμή
Κατηγορίες
Genuine Piaggio Group Parts
UpMap
Μοτοσυκλέτα
Scooter
Εξατμίσεις
Βάσεις κινητού, ActionCam, GPS
Λιπαντικά
Αναβάτης
Αντικλεπτικά
Μπαταρίες
Βιβλία
Πακέτα Συντήρησης Scooter/Moto
Motoholics e-Gift Card
Κατασκευαστές
AKRAPOVIC
VICMA
Bart Factory
PMT TYRES
Barnett
CHT CHIARAVALLI
ABUS
AFAM
Aprilia
Armadillo Covers
aSpecialParts
AWA TECH
AXP
Barkbusters
Beeline
Benelli
BITUBO
BMW
BONAMICI RACING
Brembo
BS BATTERY
Bullster
Cardo
CFMOTO
CMS
CNC Racing
Denicol Lubricants
DNA
domino
Double Take Mirrors
Προβολή όλων
Δημοφιλεις ετικετες
aprilia
battery
exatmish
exhaust
hpcorse
hp-corse
silencer
slipon
slip-on
teliko
vespa
εξάτμιση
μπαταρια
σιλανσιέ
τελικό
Προβολή όλων
Κλειδαριές
42429|NSS2000U270002460010100250011||0043282|κλειδαριεσ-327|Κλειδαριές
Προβολή ως
Πλέγμα
Λίστα
Ταξινόμηση ανά
Κορυφαίες επιλογές πρώτα
Αλφαβητικά Α - Ω
Αλφαβητικά Ω - Α
Αύξουσα τιμή
Φθίνουσα τιμή
Δημιουργήθηκε στις
Εμφάνιση
30
60
120
ανά σελίδα
ΒΑΣΗ ΚΛΕΙΔ ΜΕΤ ΣΕΤ ΕΤ4-RUN FXR-GT-X7-Χ8-1B006291
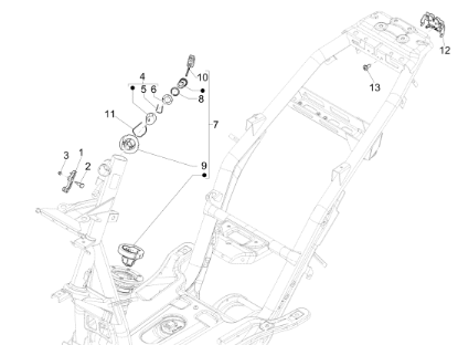
Το προιόν είναι το Νουμερο: 4 στην εικόνα.
€9,99
+Καλάθι
+Σύγκριση
Προσθήκη στα αγαπημένα
ΒΑΣΗ ΚΛΕΙΔ ΟΝ-OFF BEV-GT-X7-Χ8-Χ10-ET4-1B002607
Το προιόν είναι το Νουμερο: 9 στην εικόνα.
€4,30
+Καλάθι
+Σύγκριση
Προσθήκη στα αγαπημένα
ΒΑΣΗ ΚΛΕΙΔ ΟΝ-OFF SCOOTER 100<>150 4T 3-1B002609R
Το προιόν είναι το Νουμερο: 9 στην εικόνα.
€5,51
+Καλάθι
+Σύγκριση
Προσθήκη στα αγαπημένα
ΒΙΔΑ M6X16.-272836
Το προιόν είναι το Νουμερο: 13 στην εικόνα.
€0,10
+Καλάθι
+Σύγκριση
Προσθήκη στα αγαπημένα
ΒΙΔΑ ΝΤΙΖΑΣ ΡΕΖΕΡ RUNNER-299972
Το προιόν είναι το Νουμερο: 2 στην εικόνα.
€0,35
+Καλάθι
+Σύγκριση
Προσθήκη στα αγαπημένα
ΕΛΑΤΗΡΙΑΚΙ ΚΛΕΙΔΑΡΙΑΣ-253937
Το προιόν είναι το Νουμερο: 11 στην εικόνα.
€0,10
+Καλάθι
+Σύγκριση
Προσθήκη στα αγαπημένα
ΕΛΑΤΗΡΙΟ ΔΙΑΚ ΚΕΝΤΡΙΚΟΥ BEV-ET4-RUN FXR-298838
Το προιόν είναι το Νουμερο: 5 στην εικόνα.
€0,92
+Καλάθι
+Σύγκριση
Προσθήκη στα αγαπημένα
ΚΛΕΙΔΑΡΙΑ ΣΕΛ Χ7-Χ8-X9-BE-RUN-ST-MP3-NRG-CM023704
Το προιόν είναι το Νουμερο: 12 στην εικόνα.
€19,00
+Καλάθι
+Σύγκριση
Προσθήκη στα αγαπημένα
ΚΛΕΙΔΑΡΙΑ ΤΙΜ NRG POWER ΚΑΙ ΤΑΠ ΒΕΝΖ ΣΕΤ-674610
Το προιόν είναι το Νουμερο: 7 στην εικόνα.
€56,00
+Καλάθι
+Σύγκριση
Προσθήκη στα αγαπημένα
ΚΛΕΙΔΙ ΑΚΑΤΕΡΓ PIAG NRG POWER-959392
Το προιόν είναι το Νουμερο: 10 στην εικόνα.
€5,20
+Καλάθι
+Σύγκριση
Προσθήκη στα αγαπημένα
ΛΑΣΤΙΧΑΚΙ ΚΛΕΙΔΑΡΙΑΣ (14,8X21,1X2,5)-298731
Το προιόν είναι το Νουμερο: 8 στην εικόνα.
€0,31
+Καλάθι
+Σύγκριση
Προσθήκη στα αγαπημένα
ΛΕΒΙΕΔΑΚΙ ΠΟΡΤΑΚΙ ΜΠΟΥΖΙ-ΒΕΝΖΙΝΑΣ RUNNER-299902
Το προιόν είναι το Νουμερο: 1 στην εικόνα.
€1,20
+Καλάθι
+Σύγκριση
Προσθήκη στα αγαπημένα
ΠΑΞΙΜΑΔΙ M4X0,7 H=3,2-577620
Το προιόν είναι το Νουμερο: 3 στην εικόνα.
€0,10
+Καλάθι
+Σύγκριση
Προσθήκη στα αγαπημένα
ΡΟΔΕΛΑ ΚΛΕΙΔΑΡΙΑΣ EΤ4-RUN FXR-GT-X7-Χ8-298594
Το προιόν είναι το Νουμερο: 6 στην εικόνα.
€0,99
+Καλάθι
+Σύγκριση
Προσθήκη στα αγαπημένα
Τα cookies μας βοηθούν να παρέχουμε τις υπηρεσίες μας. Με τη χρήση των υπηρεσιών μας, συμφωνείτε με τη χρήση των cookies.
ΟΚ
Μάθε περισσότερα