Εγγραφή
Σύνδεση
(0)
(0)
Δεν υπάρχουν προϊόντα στο καλάθι σας.
Αναζήτηση
Genuine Piaggio Group Parts
UpMap
Μοτοσυκλέτα
Scooter
Εξατμίσεις
Βάσεις κινητού, ActionCam, GPS
Λιπαντικά
Αναβάτης
Αντικλεπτικά
Μπαταρίες
Βιβλία
Πακέτα Συντήρησης Scooter/Moto
Motoholics e-Gift Card
Μεταχειρισμένα
Service
Μενου
Genuine Piaggio Group Parts
UpMap
Μοτοσυκλέτα
Scooter
Εξατμίσεις
Βάσεις κινητού, ActionCam, GPS
Λιπαντικά
Αναβάτης
Αντικλεπτικά
Μπαταρίες
Βιβλία
Πακέτα Συντήρησης Scooter/Moto
Motoholics e-Gift Card
Service
Αρχική σελίδα
/
Genuine Piaggio Group Parts
/
Aprilia
/
Motorbike
/
RX-SX 125 E5+
/
SX 125 E+ 2025 (EMEA)
/
Κινητήρας
/
Κύλινδρος - Έμβολο
Φιλτράρισμα με τιμή
Κατηγορίες
Genuine Piaggio Group Parts
UpMap
Μοτοσυκλέτα
Scooter
Εξατμίσεις
Βάσεις κινητού, ActionCam, GPS
Λιπαντικά
Αναβάτης
Αντικλεπτικά
Μπαταρίες
Βιβλία
Πακέτα Συντήρησης Scooter/Moto
Motoholics e-Gift Card
Κατασκευαστές
AKRAPOVIC
VICMA
Bart Factory
PMT TYRES
Barnett
CHT CHIARAVALLI
ABUS
AFAM
Aprilia
Armadillo Covers
aSpecialParts
AWA TECH
AXP
Barkbusters
Beeline
Benelli
BITUBO
BMW
BONAMICI RACING
Brembo
BS BATTERY
Bullster
Cardo
CFMOTO
CMS
CNC Racing
Denicol Lubricants
DNA
domino
Double Take Mirrors
Προβολή όλων
Δημοφιλεις ετικετες
aprilia
battery
exatmish
exhaust
hpcorse
hp-corse
silencer
slipon
slip-on
teliko
vespa
εξάτμιση
μπαταρια
σιλανσιέ
τελικό
Προβολή όλων
Κύλινδρος - Έμβολο
57203|12500000000003150030300340002||0113897|κυλινδροσ-εμβολο-b086|Κύλινδρος - Έμβολο
Προβολή ως
Πλέγμα
Λίστα
Ταξινόμηση ανά
Κορυφαίες επιλογές πρώτα
Αλφαβητικά Α - Ω
Αλφαβητικά Ω - Α
Αύξουσα τιμή
Φθίνουσα τιμή
Δημιουργήθηκε στις
Εμφάνιση
30
60
120
ανά σελίδα
ΑΣΦΑΛΕΙΑ ΠΙΣΤ SCAR LIGHT 125-200-1A007518
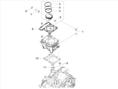
Το προιόν είναι το Νουμερο: 6 στην εικόνα.
€0,06
+Καλάθι
+Σύγκριση
Προσθήκη στα αγαπημένα
ΕΛΑΤΗΡΙΟ ΠΙΣΤ SCAR LIGHT 125 ΚΑΤΩ-872694
Το προιόν είναι το Νουμερο: 5 στην εικόνα.
€9,00
+Καλάθι
+Σύγκριση
Προσθήκη στα αγαπημένα
ΕΛΑΤΗΡΙΟ ΠΙΣΤ SCAR LIGHT 125 ΜΕΣΑΙΟ-872693
Το προιόν είναι το Νουμερο: 4 στην εικόνα.
€4,90
+Καλάθι
+Σύγκριση
Προσθήκη στα αγαπημένα
ΕΛΑΤΗΡΙΟ ΠΙΣΤ SCARABEO LIGHT 125 ΑΝΩ-872692
Το προιόν είναι το Νουμερο: 3 στην εικόνα.
€9,50
+Καλάθι
+Σύγκριση
Προσθήκη στα αγαπημένα
ΚΥΛΙΝΔΡΟΣ TUONO 125 4T E5 ABS ΚΟΜΠΛΕ-1L005212C
Το προιόν είναι το Νουμερο: 1 στην εικόνα.
€206,00
+Καλάθι
+Σύγκριση
Προσθήκη στα αγαπημένα
ΟΔΗΓΟΣ ΚΑΡΤΕΡ PIAGGIO-GILERA-APRILIA-484993
Το προιόν είναι το Νουμερο: 11 στην εικόνα.
€1,80
+Καλάθι
+Σύγκριση
Προσθήκη στα αγαπημένα
ΟΔΗΓΟΣ ΚΥΛΙΝΔΡΟΥ SCAR LIGHT 125-200-AP3FCN000128
Το προιόν είναι το Νουμερο: 9 στην εικόνα.
€0,31
+Καλάθι
+Σύγκριση
Προσθήκη στα αγαπημένα
ΠΕΙΡΟΣ ΠΙΣΤΟΝIOY-873173
Το προιόν είναι το Νουμερο: 7 στην εικόνα.
€9,90
+Καλάθι
+Σύγκριση
Προσθήκη στα αγαπημένα
ΠΙΣΤΟΝΙ STD RX-SX 125 CAT.M-1A0175050M
Το προιόν είναι το Νουμερο: 2 στην εικόνα.
€48,00
+Καλάθι
+Σύγκριση
Προσθήκη στα αγαπημένα
ΠΙΣΤΟΝΙ STD RX-SX 125 CAT.N-1A0175050N
Το προιόν είναι το Νουμερο: 2 στην εικόνα.
€48,00
+Καλάθι
+Σύγκριση
Προσθήκη στα αγαπημένα
ΠΙΣΤΟΝΙ STD RX-SX 125 CAT.O-1A0175050O
Το προιόν είναι το Νουμερο: 2 στην εικόνα.
€48,00
+Καλάθι
+Σύγκριση
Προσθήκη στα αγαπημένα
ΠΙΣΤΟΝΙ STD RX-SX 125 CAT.P-1A0175050P
Το προιόν είναι το Νουμερο: 2 στην εικόνα.
€48,00
+Καλάθι
+Σύγκριση
Προσθήκη στα αγαπημένα
ΦΛΑΝΤΖΑ ΒΑΣΗΣ ΚΥΛΙΝΔΡ DERBI GPR 125 SP04-CM278202
Το προιόν είναι το Νουμερο: 10 στην εικόνα.
€4,60
+Καλάθι
+Σύγκριση
Προσθήκη στα αγαπημένα
ΦΛΑΝΤΖΑ ΒΑΣΗΣ ΚΥΛΙΝΔΡ DERBI GPR 125 SP05-CM278203
Το προιόν είναι το Νουμερο: 10 στην εικόνα.
€4,60
+Καλάθι
+Σύγκριση
Προσθήκη στα αγαπημένα
Τα cookies μας βοηθούν να παρέχουμε τις υπηρεσίες μας. Με τη χρήση των υπηρεσιών μας, συμφωνείτε με τη χρήση των cookies.
ΟΚ
Μάθε περισσότερα