Εγγραφή
Σύνδεση
(0)
(0)
Δεν υπάρχουν προϊόντα στο καλάθι σας.
Αναζήτηση
Genuine Piaggio Group Parts
UpMap
Μοτοσυκλέτα
Scooter
Εξατμίσεις
Βάσεις κινητού, ActionCam, GPS
Λιπαντικά
Αναβάτης
Αντικλεπτικά
Μπαταρίες
Βιβλία
Πακέτα Συντήρησης Scooter/Moto
Motoholics e-Gift Card
Μεταχειρισμένα
Service
Μενου
Genuine Piaggio Group Parts
UpMap
Μοτοσυκλέτα
Scooter
Εξατμίσεις
Βάσεις κινητού, ActionCam, GPS
Λιπαντικά
Αναβάτης
Αντικλεπτικά
Μπαταρίες
Βιβλία
Πακέτα Συντήρησης Scooter/Moto
Motoholics e-Gift Card
Service
Αρχική σελίδα
/
Genuine Piaggio Group Parts
/
Aprilia
/
Motorbike
/
RSV 4 1000
/
RSV4 1000 Racing Factory E3 ABS 2016
/
Κινητήρας
/
Λίπανση
Φιλτράρισμα με τιμή
Κατηγορίες
Genuine Piaggio Group Parts
UpMap
Μοτοσυκλέτα
Scooter
Εξατμίσεις
Βάσεις κινητού, ActionCam, GPS
Λιπαντικά
Αναβάτης
Αντικλεπτικά
Μπαταρίες
Βιβλία
Πακέτα Συντήρησης Scooter/Moto
Motoholics e-Gift Card
Κατασκευαστές
AKRAPOVIC
VICMA
Bart Factory
PMT TYRES
Barnett
CHT CHIARAVALLI
ABUS
AFAM
Aprilia
Armadillo Covers
aSpecialParts
AWA TECH
AXP
Barkbusters
Beeline
Benelli
BITUBO
BMW
BONAMICI RACING
Brembo
BS BATTERY
Bullster
Cardo
CFMOTO
CMS
CNC Racing
Denicol Lubricants
DNA
domino
Double Take Mirrors
Προβολή όλων
Είδατε πρόσφατα
ΒΙΔΑ m8x35-AP8150236
ΒΙΔΑM10X40-AP8152325
ΒΙΔΑ m8x35-AP8150236
Δημοφιλεις ετικετες
aprilia
battery
exatmish
exhaust
hpcorse
hp-corse
silencer
slipon
slip-on
teliko
vespa
εξάτμιση
μπαταρια
σιλανσιέ
τελικό
Προβολή όλων
Λίπανση
13501|40150000000003190030300160015||0014859|λιπανση-19|Λίπανση
Προβολή ως
Πλέγμα
Λίστα
Ταξινόμηση ανά
Κορυφαίες επιλογές πρώτα
Αλφαβητικά Α - Ω
Αλφαβητικά Ω - Α
Αύξουσα τιμή
Φθίνουσα τιμή
Δημιουργήθηκε στις
Εμφάνιση
30
60
120
ανά σελίδα
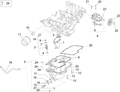
ΑΣΦΑΛΕΙΑ ΣΤΡΟΦΑΛΟΥ PORTER-006412
Το προιόν είναι το Νουμερο: 25 στην εικόνα.
€0,24
+Καλάθι
+Σύγκριση
Προσθήκη στα αγαπημένα
ΒΑΛΒΙΔΑ ΠΙΕΣΗΣ ΛΑΔΙΟΥ LEONARDO/SCARABEO-AP0956166
Το προιόν είναι το Νουμερο: 14 στην εικόνα.
€26,99
+Καλάθι
+Σύγκριση
Προσθήκη στα αγαπημένα
ΒΙΔΑ M6x20*-AP8150044
Το προιόν είναι το Νουμερο: 26 στην εικόνα.
€0,07
+Καλάθι
+Σύγκριση
Προσθήκη στα αγαπημένα
ΒΙΔΑ M6X30-B016792
Το προιόν είναι το Νουμερο: 12 στην εικόνα.
€0,07
+Καλάθι
+Σύγκριση
Προσθήκη στα αγαπημένα
ΒΙΔΑ M6X50-277330
Το προιόν είναι το Νουμερο: 20 στην εικόνα.
€0,19
+Καλάθι
+Σύγκριση
Προσθήκη στα αγαπημένα
ΒΙΔΑ ΒΑΣΗΣ ΣΥΓΚΡ ΠΕΙΡΟΥ ΦΟΥΡΚ RS-TUA 660-1A003049
Το προιόν είναι το Νουμερο: 28 στην εικόνα.
€0,24
+Καλάθι
+Σύγκριση
Προσθήκη στα αγαπημένα
ΒΙΔΑ-709099
Το προιόν είναι το Νουμερο: 21 στην εικόνα.
€0,07
+Καλάθι
+Σύγκριση
Προσθήκη στα αγαπημένα
ΓΡΑΝΑΖΙ ΤΡ ΛΑΔΙΟΥ RSV4/TUONO V4 Z=36-85273R
Το προιόν είναι το Νουμερο: 22 στην εικόνα.
€37,00
+Καλάθι
+Σύγκριση
Προσθήκη στα αγαπημένα
Ο-ΡΙΝΓΚ 24 x 2.5 - 80-B046072
Το προιόν είναι το Νουμερο: 2 στην εικόνα.
€1,20
+Καλάθι
+Σύγκριση
Προσθήκη στα αγαπημένα
Ο-ΡΙΝΓΚ ΒΑΛΒΙΔΑΣ ΛΑΔΙΟΥ RSV 4 18X2-2A000276
Το προιόν είναι το Νουμερο: 7 στην εικόνα.
€0,86
+Καλάθι
+Σύγκριση
Προσθήκη στα αγαπημένα
Ο-ΡΙΝΓΚ ΤΑΠΑΣ ΛΑΔΙΟΥ RSV 4-857147
Το προιόν είναι το Νουμερο: 17 στην εικόνα.
€0,07
+Καλάθι
+Σύγκριση
Προσθήκη στα αγαπημένα
Ο-ΡΙΝΓΚ ΤΕΝΤΩΤΗΡΑ ΑΛΥΣΙΔΑΣ RSV 4 1100-857176
Το προιόν είναι το Νουμερο: 18 στην εικόνα.
€0,38
+Καλάθι
+Σύγκριση
Προσθήκη στα αγαπημένα
Ο-ΡΙΝΓΚ ΤΕΝΤΩΤΗΡΑ ΑΛΥΣΙΔΑΣ RSV 4 FAC/R-B012189
Το προιόν είναι το Νουμερο: 18 στην εικόνα.
€0,35
+Καλάθι
+Σύγκριση
Προσθήκη στα αγαπημένα
Ο-ΡΙΝΓΚ ΤΡΟΜΠΑΣ ΛΑΔΙΟΥ RSV4/TUONO4-857189
Το προιόν είναι το Νουμερο: 9 στην εικόνα.
€4,10
+Καλάθι
+Σύγκριση
Προσθήκη στα αγαπημένα
ΡΑΚΟΡ ΦΙΛΤΡΟΥ ΛΑΔΙΟΥ RSV 4-857168
Το προιόν είναι το Νουμερο: 10 στην εικόνα.
€6,00
+Καλάθι
+Σύγκριση
Προσθήκη στα αγαπημένα
ΡΟΔΕΛΑ 6,4X13X1,5-013777
Το προιόν είναι το Νουμερο: 30 στην εικόνα.
€0,60
+Καλάθι
+Σύγκριση
Προσθήκη στα αγαπημένα
ΡΟΔΕΛΛΑ 6,4χ110,5 RSV 1000-658830
Το προιόν είναι το Νουμερο: 13 στην εικόνα.
€0,04
+Καλάθι
+Σύγκριση
Προσθήκη στα αγαπημένα
ΡΟΥΛΕΜΑΝ-857192
Το προιόν είναι το Νουμερο: 23 στην εικόνα.
€1,90
+Καλάθι
+Σύγκριση
Προσθήκη στα αγαπημένα
ΣΕΝΣΟΡΑΣ ΠΙΕΣΗΣ ΛΑΔΙΟΥ SC 125<>850 4T-1A024308R
Το προιόν είναι το Νουμερο: 14 στην εικόνα.
€8,80
+Καλάθι
+Σύγκριση
Προσθήκη στα αγαπημένα
ΣΕΝΣΟΡΑΣ ΠΙΕΣΗΣ==>>1A024308R-1D001138
Το προιόν είναι το Νουμερο: 14 στην εικόνα.
€12,00
+Καλάθι
+Σύγκριση
Προσθήκη στα αγαπημένα
ΣΩΛΗΝΑΚΙ ΛΑΔΙΟΥ RSV 1000/1100/E5-2B001806
Το προιόν είναι το Νουμερο: 19 στην εικόνα.
€70,00
+Καλάθι
+Σύγκριση
Προσθήκη στα αγαπημένα
ΤΑΠΑ ΚΑΡΤΕΡ RSV 4-B044718
Το προιόν είναι το Νουμερο: 24 στην εικόνα.
€5,60
+Καλάθι
+Σύγκριση
Προσθήκη στα αγαπημένα
ΤΑΠΑ ΛΑΔΙΟΥ RSV 4-857184
Το προιόν είναι το Νουμερο: 16 στην εικόνα.
€7,90
+Καλάθι
+Σύγκριση
Προσθήκη στα αγαπημένα
ΤΡΟΜΠΑ ΛΑΔΙΟΥ RSV4 RR/RF-2A000540
Το προιόν είναι το Νουμερο: 8 στην εικόνα.
€223,00
+Καλάθι
+Σύγκριση
Προσθήκη στα αγαπημένα
ΦΙΛΤΡΟ ΛΑΔΙΟΥ RSV 4/TUONO V4/RS 660-1A023538
Το προιόν είναι το Νουμερο: 11 στην εικόνα.
€19,00
+Καλάθι
+Σύγκριση
Προσθήκη στα αγαπημένα
ΦΙΛΤΡΟ ΛΑΔΙΟΥ==>>1A023538-857187
Το προιόν είναι το Νουμερο: 11 στην εικόνα.
€11,00
+Καλάθι
+Σύγκριση
Προσθήκη στα αγαπημένα
ΦΛΑΝΤΖΑ ΕΛΑΙΟΛΕΚΑΝΗΣ RSV 4 1000-2A000576
Το προιόν είναι το Νουμερο: 6 στην εικόνα.
€23,99
+Καλάθι
+Σύγκριση
Προσθήκη στα αγαπημένα
ΦΛΑΝΤΖΑ ΚΑΠ ΚΑΡΤΕΡ ΛΑΔΙΟΥ RSV 4<=857452-857497
Το προιόν είναι το Νουμερο: 29 στην εικόνα.
€23,99
+Καλάθι
+Σύγκριση
Προσθήκη στα αγαπημένα
ΦΛΑΝΤΖΑ ΚΑΠ ΚΑΡΤΕΡ ΛΑΔΙΟΥ RSV 4-857452
Το προιόν είναι το Νουμερο: 29 στην εικόνα.
€26,99
+Καλάθι
+Σύγκριση
Προσθήκη στα αγαπημένα
Τα cookies μας βοηθούν να παρέχουμε τις υπηρεσίες μας. Με τη χρήση των υπηρεσιών μας, συμφωνείτε με τη χρήση των cookies.
ΟΚ
Μάθε περισσότερα