Εγγραφή
Σύνδεση
(0)
(0)
Δεν υπάρχουν προϊόντα στο καλάθι σας.
Αναζήτηση
Genuine Piaggio Group Parts
UpMap
Μοτοσυκλέτα
Scooter
Εξατμίσεις
Βάσεις κινητού, ActionCam, GPS
Λιπαντικά
Αναβάτης
Αντικλεπτικά
Μπαταρίες
Βιβλία
Πακέτα Συντήρησης Scooter/Moto
Motoholics e-Gift Card
Μεταχειρισμένα
Service
Μενου
Genuine Piaggio Group Parts
UpMap
Μοτοσυκλέτα
Scooter
Εξατμίσεις
Βάσεις κινητού, ActionCam, GPS
Λιπαντικά
Αναβάτης
Αντικλεπτικά
Μπαταρίες
Βιβλία
Πακέτα Συντήρησης Scooter/Moto
Motoholics e-Gift Card
Service
Αρχική σελίδα
/
Genuine Piaggio Group Parts
/
Aprilia
/
Motorbike
/
Tuareg 660 E5+
/
Tuareg 660 Rally E5+ 2025 (EMEA-GSO)
/
Κινητήρας
/
Λίπανση
Φιλτράρισμα με τιμή
Κατηγορίες
Genuine Piaggio Group Parts
UpMap
Μοτοσυκλέτα
Scooter
Εξατμίσεις
Βάσεις κινητού, ActionCam, GPS
Λιπαντικά
Αναβάτης
Αντικλεπτικά
Μπαταρίες
Βιβλία
Πακέτα Συντήρησης Scooter/Moto
Motoholics e-Gift Card
Κατασκευαστές
AKRAPOVIC
VICMA
Bart Factory
PMT TYRES
Barnett
CHT CHIARAVALLI
ABUS
AFAM
Aprilia
Armadillo Covers
aSpecialParts
AWA TECH
AXP
Barkbusters
Beeline
Benelli
BITUBO
BMW
BONAMICI RACING
Brembo
BS BATTERY
Bullster
Cardo
CFMOTO
CMS
CNC Racing
Denicol Lubricants
DNA
domino
Double Take Mirrors
Προβολή όλων
Είδατε πρόσφατα
ΒΙΔΑΚΙ-AP8144563
ΒΙΔΑ M5X12==>>2B014101-AP8152302
ΒΙΔΑ M4X12-AP8150359
Δημοφιλεις ετικετες
aprilia
battery
exatmish
exhaust
hpcorse
hp-corse
silencer
slipon
slip-on
teliko
vespa
εξάτμιση
μπαταρια
σιλανσιέ
τελικό
Προβολή όλων
Λίπανση
55771|AP613670000003190030300320002||0110789|λιπανση-38e6|Λίπανση
Προβολή ως
Πλέγμα
Λίστα
Ταξινόμηση ανά
Κορυφαίες επιλογές πρώτα
Αλφαβητικά Α - Ω
Αλφαβητικά Ω - Α
Αύξουσα τιμή
Φθίνουσα τιμή
Δημιουργήθηκε στις
Εμφάνιση
30
60
120
ανά σελίδα
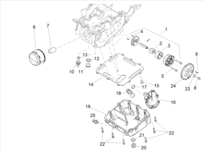
ΒΙΔΑ M3X12-436739
Το προιόν είναι το Νουμερο: 4 στην εικόνα.
€0,94
+Καλάθι
+Σύγκριση
Προσθήκη στα αγαπημένα
ΒΙΔΑ ΓΡΑΝ ΤΡΟΜΠΑΣ ΛΑΔΙΟΥ RS-TUAREG 660-1A013000
Το προιόν είναι το Νουμερο: 5 στην εικόνα.
€0,88
+Καλάθι
+Σύγκριση
Προσθήκη στα αγαπημένα
ΒΙΔΑ ΓΡΑΝΑΖΙΟΥ ΤΡ ΛΑΔΙΟΥ RS-TUAREG 660-1A014410
Το προιόν είναι το Νουμερο: 8 στην εικόνα.
€0,69
+Καλάθι
+Σύγκριση
Προσθήκη στα αγαπημένα
ΒΙΔΑ-874549
Το προιόν είναι το Νουμερο: 22 στην εικόνα.
€1,90
+Καλάθι
+Σύγκριση
Προσθήκη στα αγαπημένα
ΚΑΠΑΚΙ ΚΑΡΤΕΡ ΛΑΔΙΟΥ TUAREG 660-1A021705
Το προιόν είναι το Νουμερο: 19 στην εικόνα.
€68,00
+Καλάθι
+Σύγκριση
Προσθήκη στα αγαπημένα
ΛΑΣΤΙΧΑΚΙ ΒΑΣΗΣ ΦΙΛΤΡΟΥ ΕΤ4-478012
Το προιόν είναι το Νουμερο: 17 στην εικόνα.
€0,64
+Καλάθι
+Σύγκριση
Προσθήκη στα αγαπημένα
ΠΕΙΡΑΚΙ ΓΡΑΝ ΤΡ ΛΑΔΙΟΥ RS 660 2,5X7.8-GU92296723
Το προιόν είναι το Νουμερο: 9 στην εικόνα.
€2,60
+Καλάθι
+Σύγκριση
Προσθήκη στα αγαπημένα
ΡΑΚΟΡ ΦΙΛΤΡΟΥ ΛΑΔΙΟΥ MP3 530 MY22-829122
Το προιόν είναι το Νουμερο: 7 στην εικόνα.
€5,10
+Καλάθι
+Σύγκριση
Προσθήκη στα αγαπημένα
ΡΟΔΕΛΑ ΓΡΑΝΑΖΙΟΥ ΤΡ ΛΑΔΙΟΥ RS-TUAREG 660-1A014411
Το προιόν είναι το Νουμερο: 23 στην εικόνα.
€1,10
+Καλάθι
+Σύγκριση
Προσθήκη στα αγαπημένα
ΡΟΔΕΛΑ ΣΕΝΣΟΡΑ ΠΙΕΣΗΣ ΛΑΔΙΟΥ SXV-RXV-AP9150472
Το προιόν είναι το Νουμερο: 13 στην εικόνα.
€1,10
+Καλάθι
+Σύγκριση
Προσθήκη στα αγαπημένα
ΡΟΤΟΡΑΣ ΤΡ ΛΑΔΙΟΥ RS 660-TUAREG 660 ΕΞΩΤ-1A017358
Το προιόν είναι το Νουμερο: 3 στην εικόνα.
€23,99
+Καλάθι
+Σύγκριση
Προσθήκη στα αγαπημένα
ΡΟΤΟΡΑΣ ΤΡ ΛΑΔΙΟΥ RS 660-TUAREG 660 ΕΣΩΤ-1A017357
Το προιόν είναι το Νουμερο: 2 στην εικόνα.
€18,00
+Καλάθι
+Σύγκριση
Προσθήκη στα αγαπημένα
ΣΕΝΣΟΡΑΣ ΘΕΡΜ ΛΑΔΙΟΥ TUAREG 660-1A022165
Το προιόν είναι το Νουμερο: 25 στην εικόνα.
€71,00
+Καλάθι
+Σύγκριση
Προσθήκη στα αγαπημένα
ΣΕΝΣΟΡΑΣ ΠΙΕΣΗΣ ΛΑΔΙΟΥ SC 125<>850 4T-1A024308R
Το προιόν είναι το Νουμερο: 10 στην εικόνα.
€8,80
+Καλάθι
+Σύγκριση
Προσθήκη στα αγαπημένα
ΣΕΝΣΟΡΑΣ ΠΙΕΣΗΣ==>>1A024308R-1D001138
Το προιόν είναι το Νουμερο: 10 στην εικόνα.
€12,00
+Καλάθι
+Σύγκριση
Προσθήκη στα αγαπημένα
ΤΑΠΑ ΕΞΑΓ ΛΑΔΙΟΥ RS-TUAREG 660-STEL ΜΑΓΝ-1A023928
Το προιόν είναι το Νουμερο: 20 στην εικόνα.
€60,00
+Καλάθι
+Σύγκριση
Προσθήκη στα αγαπημένα
ΤΑΠΑ ΚΑΡΤΕΡ RS 660-TUONO 660-TUAREG 660-1A013477
Το προιόν είναι το Νουμερο: 11 στην εικόνα.
€6,60
+Καλάθι
+Σύγκριση
Προσθήκη στα αγαπημένα
ΤΡΟΜΠΑ ΛΑΔΙΟΥ RS 660-TUAREG 660-1A015578
Το προιόν είναι το Νουμερο: 1 στην εικόνα.
€77,00
+Καλάθι
+Σύγκριση
Προσθήκη στα αγαπημένα
ΦΙΛΤΡΟ ΚΑΡΤΕΡ ΛΑΔΙΟΥ TUAREG 660-1A017381
Το προιόν είναι το Νουμερο: 16 στην εικόνα.
€45,00
+Καλάθι
+Σύγκριση
Προσθήκη στα αγαπημένα
ΦΙΛΤΡΟ ΛΑΔΙΟΥ SCOOTER 4T-MOTO 400<>850-1A024459R
Το προιόν είναι το Νουμερο: 6 στην εικόνα.
€9,99
+Καλάθι
+Σύγκριση
Προσθήκη στα αγαπημένα
ΦΛΑΝΤΖΑ ΚΑΡΤΕΡ ΛΑΔΙΟΥ TUAREG 660-1A020264
Το προιόν είναι το Νουμερο: 14 στην εικόνα.
€63,00
+Καλάθι
+Σύγκριση
Προσθήκη στα αγαπημένα
ΦΛΑΝΤΖΑ ΤΑΠΑΣ ΛΑΔΙΟΥ GP800-MANA 850-831393
Το προιόν είναι το Νουμερο: 12 στην εικόνα.
€0,31
+Καλάθι
+Σύγκριση
Προσθήκη στα αγαπημένα
Τα cookies μας βοηθούν να παρέχουμε τις υπηρεσίες μας. Με τη χρήση των υπηρεσιών μας, συμφωνείτε με τη χρήση των cookies.
ΟΚ
Μάθε περισσότερα