Εγγραφή
Σύνδεση
(0)
(0)
Δεν υπάρχουν προϊόντα στο καλάθι σας.
Αναζήτηση
Genuine Piaggio Group Parts
UpMap
Μοτοσυκλέτα
Scooter
Εξατμίσεις
Βάσεις κινητού, ActionCam, GPS
Λιπαντικά
Αναβάτης
Αντικλεπτικά
Μπαταρίες
Βιβλία
Πακέτα Συντήρησης Scooter/Moto
Motoholics e-Gift Card
Μεταχειρισμένα
Service
Μενου
Genuine Piaggio Group Parts
UpMap
Μοτοσυκλέτα
Scooter
Εξατμίσεις
Βάσεις κινητού, ActionCam, GPS
Λιπαντικά
Αναβάτης
Αντικλεπτικά
Μπαταρίες
Βιβλία
Πακέτα Συντήρησης Scooter/Moto
Motoholics e-Gift Card
Service
Αρχική σελίδα
/
Genuine Piaggio Group Parts
/
Moto Guzzi
/
Motorbike
/
V 7 E5+
/
V7 Sport 850 E5+ ABS 2025 (EMEA)
/
Κινητήρας
/
Λίπανση
Φιλτράρισμα με τιμή
Κατηγορίες
Genuine Piaggio Group Parts
UpMap
Μοτοσυκλέτα
Scooter
Εξατμίσεις
Βάσεις κινητού, ActionCam, GPS
Λιπαντικά
Αναβάτης
Αντικλεπτικά
Μπαταρίες
Βιβλία
Πακέτα Συντήρησης Scooter/Moto
Motoholics e-Gift Card
Κατασκευαστές
AKRAPOVIC
VICMA
Bart Factory
PMT TYRES
Barnett
CHT CHIARAVALLI
ABUS
AFAM
Aprilia
Armadillo Covers
aSpecialParts
AWA TECH
AXP
Barkbusters
Beeline
Benelli
BITUBO
BMW
BONAMICI RACING
Brembo
BS BATTERY
Bullster
Cardo
CFMOTO
CMS
CNC Racing
Denicol Lubricants
DNA
domino
Double Take Mirrors
Προβολή όλων
Δημοφιλεις ετικετες
aprilia
battery
exatmish
exhaust
hpcorse
hp-corse
silencer
slipon
slip-on
teliko
vespa
εξάτμιση
μπαταρια
σιλανσιέ
τελικό
Προβολή όλων
Λίπανση
56015|GU321520000003190060100420002||0111033|λιπανση-e666|Λίπανση
Προβολή ως
Πλέγμα
Λίστα
Ταξινόμηση ανά
Κορυφαίες επιλογές πρώτα
Αλφαβητικά Α - Ω
Αλφαβητικά Ω - Α
Αύξουσα τιμή
Φθίνουσα τιμή
Δημιουργήθηκε στις
Εμφάνιση
30
60
120
ανά σελίδα
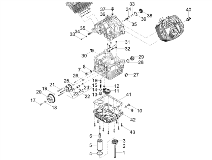
ΒΑΛΒΙΔΑ ΠΙΕΣΗΣ ΛΑΔΙΟΥ V7-V85-V9-1A014844
Το προιόν είναι το Νουμερο: 16 στην εικόνα.
€6,80
+Καλάθι
+Σύγκριση
Προσθήκη στα αγαπημένα
ΒΙΔΑ M5X10-1A003111
Το προιόν είναι το Νουμερο: 31 στην εικόνα.
€0,15
+Καλάθι
+Σύγκριση
Προσθήκη στα αγαπημένα
ΒΙΔΑ ΒΟΛΑΝ M6X25-840893
Το προιόν είναι το Νουμερο: 43 στην εικόνα.
€0,07
+Καλάθι
+Σύγκριση
Προσθήκη στα αγαπημένα
ΒΙΔΑ==>>1A003111-018575
Το προιόν είναι το Νουμερο: 31 στην εικόνα.
€0,06
+Καλάθι
+Σύγκριση
Προσθήκη στα αγαπημένα
ΕΛΑΣΜΑ ΚΑΡΤΕΡ MG V85-1A008566
Το προιόν είναι το Νουμερο: 32 στην εικόνα.
€13,00
+Καλάθι
+Σύγκριση
Προσθήκη στα αγαπημένα
ΚΑΠΑΚΙ ΚΑΡΤΕΡ ΛΑΔΙΟΥ V9 Bobber 850-1A017127
Το προιόν είναι το Νουμερο: 42 στην εικόνα.
€81,00
+Καλάθι
+Σύγκριση
Προσθήκη στα αγαπημένα
ΚΑΠΑΚΙ ΦΙΛΤΡΟΥ ΛΑΔΙΟΥ MG V85-1A013815
Το προιόν είναι το Νουμερο: 3 στην εικόνα.
€18,00
+Καλάθι
+Σύγκριση
Προσθήκη στα αγαπημένα
ΚΡΥΣΤΑΛΛΟ ΣΤΑΘΜΗΣ ΛΑΔΙΟΥ GP800-MANΑ 850-485693
Το προιόν είναι το Νουμερο: 27 στην εικόνα.
€13,00
+Καλάθι
+Σύγκριση
Προσθήκη στα αγαπημένα
ΛΑΣΤΙΧΑΚΙ ΚΑΠΑΚΙΟΥ ΦΙΛΤΡΟΥ MG-GU90706444
Το προιόν είναι το Νουμερο: 4 στην εικόνα.
€1,10
+Καλάθι
+Σύγκριση
Προσθήκη στα αγαπημένα
ΛΑΣΤΙΧΑΚΙ ΣΩΛ.ΛΑΔΙΟΥ POKER-237553
Το προιόν είναι το Νουμερο: 12 στην εικόνα.
€5,00
+Καλάθι
+Σύγκριση
Προσθήκη στα αγαπημένα
ΜΠΟΥΛΟΝΙ ΦΙΛΤΡΟΥ ΛΑΔΙΟΥ MG BREVA 750-NEV-GU27152885
Το προιόν είναι το Νουμερο: 1 στην εικόνα.
€6,10
+Καλάθι
+Σύγκριση
Προσθήκη στα αγαπημένα
Ο-ΡΙΝΓΚ 31,47x1,78-1A016739
Το προιόν είναι το Νουμερο: 39 στην εικόνα.
€0,95
+Καλάθι
+Σύγκριση
Προσθήκη στα αγαπημένα
Ο-ΡΙΝΓΚ ΚΕΦΑΛΗΣ ΚΥΛ SMT-RCR/SX-RX 50-SM-1A014908
Το προιόν είναι το Νουμερο: 28 στην εικόνα.
€0,77
+Καλάθι
+Σύγκριση
Προσθήκη στα αγαπημένα
ΠΕΙΡΑΚΙ ΓΡΑΝ ΤΡ ΛΑΔΙΟΥ RS 660 2,5X7.8-GU92296723
Το προιόν είναι το Νουμερο: 19 στην εικόνα.
€2,60
+Καλάθι
+Σύγκριση
Προσθήκη στα αγαπημένα
ΡΟΔΕΛΑ ΣΕΝΣΟΡΑ ΠΙΕΣΗΣ ΛΑΔ BREVA-NEV-V7-GU95100309
Το προιόν είναι το Νουμερο: 36 στην εικόνα.
€0,53
+Καλάθι
+Σύγκριση
Προσθήκη στα αγαπημένα
ΡΟΔΕΛΑ ΤΑΠΑΣ ΛΑΔΙΟΥ BEV-X10 350-400 ΕΞΑΓ-287174
Το προιόν είναι το Νουμερο: 8 στην εικόνα.
€0,56
+Καλάθι
+Σύγκριση
Προσθήκη στα αγαπημένα
ΡΟΔΕΛΑ ΤΑΠΑΣ ΛΑΔΙΟΥ ΑΠΟ ΑΛΟΥΜΙΝΙΟ-GU10528900
Το προιόν είναι το Νουμερο: 9 στην εικόνα.
€1,70
+Καλάθι
+Σύγκριση
Προσθήκη στα αγαπημένα
ΡΟΔΕΛΛΑ 18,25x24x1 BREVA 750-GU18144350
Το προιόν είναι το Νουμερο: 14 στην εικόνα.
€3,40
+Καλάθι
+Σύγκριση
Προσθήκη στα αγαπημένα
ΡΟΔΕΛΛΑ BREVA 750-CALIF 8,25*15*1-GU12154200
Το προιόν είναι το Νουμερο: 2 στην εικόνα.
€1,90
+Καλάθι
+Σύγκριση
Προσθήκη στα αγαπημένα
ΣΕΝΣΟΡΑΣ ΘΕΡΜ ΛΑΔΙΟΥ MG V85-1A016442
Το προιόν είναι το Νουμερο: 37 στην εικόνα.
€73,00
+Καλάθι
+Σύγκριση
Προσθήκη στα αγαπημένα
ΣΕΝΣΟΡΑΣ ΘΕΡΜ ΛΑΔΙΟΥ MG V85-1A023829
Το προιόν είναι το Νουμερο: 37 στην εικόνα.
€60,00
+Καλάθι
+Σύγκριση
Προσθήκη στα αγαπημένα
ΣΕΝΣΟΡΑΣ ΠΙΕΣΗΣ ΛΑΔΙΟΥ MG V85-1A017929
Το προιόν είναι το Νουμερο: 30 στην εικόνα.
€34,00
+Καλάθι
+Σύγκριση
Προσθήκη στα αγαπημένα
ΤΑΠΑ ΕΞΑΓ ΛΑΔΙΟΥ SXR-SR 125 MOT-V85-V7-B015598
Το προιόν είναι το Νουμερο: 38 στην εικόνα.
€4,70
+Καλάθι
+Σύγκριση
Προσθήκη στα αγαπημένα
ΤΑΠΑ ΕΞΑΓ ΛΑΔΙΟΥ-ΒΑΛΒΟΛ MG M10X1-GU31003766
Το προιόν είναι το Νουμερο: 10 στην εικόνα.
€11,00
+Καλάθι
+Σύγκριση
Προσθήκη στα αγαπημένα
ΤΑΠΑ ΚΑΡΤΕΡ BREVA-GRISO-NORGE-GU31159050
Το προιόν είναι το Νουμερο: 13 στην εικόνα.
€3,91
+Καλάθι
+Σύγκριση
Προσθήκη στα αγαπημένα
ΤΑΠΑ ΠΛΗΡΩΣΗΣ ΛΑΔΙΟΥ V7-V85-V9-1A015819
Το προιόν είναι το Νουμερο: 29 στην εικόνα.
€5,20
+Καλάθι
+Σύγκριση
Προσθήκη στα αγαπημένα
ΦΙΛΤΡΟ ΛΑΔΙΟΥ MG V35-V50-V65-NTX-GU19153000
Το προιόν είναι το Νουμερο: 5 στην εικόνα.
€15,00
+Καλάθι
+Σύγκριση
Προσθήκη στα αγαπημένα
ΦΙΛΤΡΟ ΛΑΔΙΟΥ MG V35-V50-V9-BREVA-NEV750-2A000633
Το προιόν είναι το Νουμερο: 5 στην εικόνα.
€16,00
+Καλάθι
+Σύγκριση
Προσθήκη στα αγαπημένα
Τα cookies μας βοηθούν να παρέχουμε τις υπηρεσίες μας. Με τη χρήση των υπηρεσιών μας, συμφωνείτε με τη χρήση των cookies.
ΟΚ
Μάθε περισσότερα