Εγγραφή
Σύνδεση
(0)
(0)
Δεν υπάρχουν προϊόντα στο καλάθι σας.
Αναζήτηση
Genuine Piaggio Group Parts
UpMap
Μοτοσυκλέτα
Scooter
Εξατμίσεις
Βάσεις κινητού, ActionCam, GPS
Λιπαντικά
Αναβάτης
Αντικλεπτικά
Μπαταρίες
Βιβλία
Πακέτα Συντήρησης Scooter/Moto
Motoholics e-Gift Card
Μεταχειρισμένα
Service
Μενου
Genuine Piaggio Group Parts
UpMap
Μοτοσυκλέτα
Scooter
Εξατμίσεις
Βάσεις κινητού, ActionCam, GPS
Λιπαντικά
Αναβάτης
Αντικλεπτικά
Μπαταρίες
Βιβλία
Πακέτα Συντήρησης Scooter/Moto
Motoholics e-Gift Card
Service
Αρχική σελίδα
/
Genuine Piaggio Group Parts
/
Porter
/
Commercial Vehicles
/
Porter Benzina GPL Metano Standard
/
Porter Multitech E4 2010 - E5 2013 - E5+ 2014-2015
/
μεθάνιο
/
Μεθάνιο συστημάτων ανεφοδιασμού
Φιλτράρισμα με τιμή
Κατηγορίες
Genuine Piaggio Group Parts
UpMap
Μοτοσυκλέτα
Scooter
Εξατμίσεις
Βάσεις κινητού, ActionCam, GPS
Λιπαντικά
Αναβάτης
Αντικλεπτικά
Μπαταρίες
Βιβλία
Πακέτα Συντήρησης Scooter/Moto
Motoholics e-Gift Card
Κατασκευαστές
AKRAPOVIC
VICMA
Bart Factory
PMT TYRES
Barnett
CHT CHIARAVALLI
ABUS
AFAM
Aprilia
Armadillo Covers
aSpecialParts
AWA TECH
AXP
Barkbusters
Beeline
Benelli
BITUBO
BMW
BONAMICI RACING
Brembo
BS BATTERY
Bullster
Cardo
CFMOTO
CMS
CNC Racing
Denicol Lubricants
DNA
domino
Double Take Mirrors
Προβολή όλων
Είδατε πρόσφατα
ΑΙΣΘΗΤΗΡΑΣ ΘΕΡΜ ΑΕΡΑ CAPO-MANA-SHIV-STEL-AP8124936
ΚΑΒΑΛΕΤΟ ΤΡΟΜΠΑΣ ΦΡΕΝΟΥ SHIVER-MANA-DORS-856050
ΠΡΟΣΤ/ΚΟ ΠΙΡΟΥΝΙΟΥ V 85 AΒΑΦΟ ΑΡΙΣΤ-2B005763
Δημοφιλεις ετικετες
aprilia
battery
exatmish
exhaust
hpcorse
hp-corse
silencer
slipon
slip-on
teliko
vespa
εξάτμιση
μπαταρια
σιλανσιέ
τελικό
Προβολή όλων
Μεθάνιο συστημάτων ανεφοδιασμού
32364|MXUR0KF0010009030070100020002||0033310|μεθανιο-συστηματων-ανεφοδιασμου-2|Μεθάνιο συστημάτων ανεφοδιασμού
Προβολή ως
Πλέγμα
Λίστα
Ταξινόμηση ανά
Κορυφαίες επιλογές πρώτα
Αλφαβητικά Α - Ω
Αλφαβητικά Ω - Α
Αύξουσα τιμή
Φθίνουσα τιμή
Δημιουργήθηκε στις
Εμφάνιση
30
60
120
ανά σελίδα
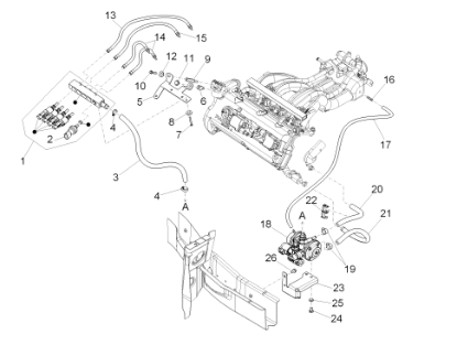
ΒΙΔΑ M6x14-874554
Το προιόν είναι το Νουμερο: 10 στην εικόνα.
€0,12
+Καλάθι
+Σύγκριση
Προσθήκη στα αγαπημένα
ΒΙΔΑ M6X16 SW10-031088
Το προιόν είναι το Νουμερο: 7 στην εικόνα.
€0,04
+Καλάθι
+Σύγκριση
Προσθήκη στα αγαπημένα
ΒΙΔΑ ΔΑΓΚΑΝΑΣ BEVERLY-CARNABY-RUNNER-598920
Το προιόν είναι το Νουμερο: 24 στην εικόνα.
€0,12
+Καλάθι
+Σύγκριση
Προσθήκη στα αγαπημένα
ΕΛΑΤΗΡΙΟ ΣΩΛΗΝΑ ΝΕΡΟΥ-CM017807
Το προιόν είναι το Νουμερο: 22 στην εικόνα.
€1,00
+Καλάθι
+Σύγκριση
Προσθήκη στα αγαπημένα
ΚΛΙΠΣ ΨΥΓΕΙΟΥ PORTER-9165140816000
Το προιόν είναι το Νουμερο: 11 στην εικόνα.
€0,55
+Καλάθι
+Σύγκριση
Προσθήκη στα αγαπημένα
ΡΟΔΕΛΑ M 6 X 18 X 2,5-013950
Το προιόν είναι το Νουμερο: 12 στην εικόνα.
€0,10
+Καλάθι
+Σύγκριση
Προσθήκη στα αγαπημένα
ΡΟΔΕΛΑ-003056
Το προιόν είναι το Νουμερο: 8 στην εικόνα.
€0,24
+Καλάθι
+Σύγκριση
Προσθήκη στα αγαπημένα
ΡΟΔΕΛΑ-287073
Το προιόν είναι το Νουμερο: 25 στην εικόνα.
€0,24
+Καλάθι
+Σύγκριση
Προσθήκη στα αγαπημένα
ΣΕΝΣΟΡΑΣ ΘΕΡΜ PORTER GPL ΓΙΑ ΕΓΚΕΦ-1A023237
Το προιόν είναι το Νουμερο: 2 στην εικόνα.
€214,00
+Καλάθι
+Σύγκριση
Προσθήκη στα αγαπημένα
Τα cookies μας βοηθούν να παρέχουμε τις υπηρεσίες μας. Με τη χρήση των υπηρεσιών μας, συμφωνείτε με τη χρήση των cookies.
ΟΚ
Μάθε περισσότερα