Εγγραφή
Σύνδεση
(0)
(0)
Δεν υπάρχουν προϊόντα στο καλάθι σας.
Αναζήτηση
Genuine Piaggio Group Parts
UpMap
Μοτοσυκλέτα
Scooter
Εξατμίσεις
Βάσεις κινητού, ActionCam, GPS
Λιπαντικά
Αναβάτης
Αντικλεπτικά
Μπαταρίες
Βιβλία
Πακέτα Συντήρησης Scooter/Moto
Motoholics e-Gift Card
Μεταχειρισμένα
Service
Μενου
Genuine Piaggio Group Parts
UpMap
Μοτοσυκλέτα
Scooter
Εξατμίσεις
Βάσεις κινητού, ActionCam, GPS
Λιπαντικά
Αναβάτης
Αντικλεπτικά
Μπαταρίες
Βιβλία
Πακέτα Συντήρησης Scooter/Moto
Motoholics e-Gift Card
Service
Αρχική σελίδα
/
Genuine Piaggio Group Parts
/
Gilera
/
Scooter
/
Runner 50
/
Runner SP 50 Race 2005 (EMEA)
/
Κινητήρας
/
Εκκίνηση - Ηλεκτρική εκκίνηση
/
ΜΙΖΑ SCOOTER 50cc 2T CIF-KR070040
ΜΙΖΑ SCOOTER 50cc 2T CIF-KR070040
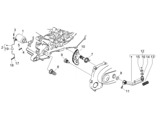
Το προιόν είναι το Νουμερο: 1 στην εικόνα.
ΚΩΔΙΚΟΣ ΠΡΟΪΟΝΤΟΣ:
MP-KR070040
Χρόνος παράδοσης:
3-5 ημέρες
€33,00
Ποσότητα:
1
2
+Καλάθι
Αποστολή σε
Επιλέξτε χώρα
Cyprus
Greece
*
Άλλα
*
Τρόπος αποστολής
Όνομα
Εκτιμώμενη ημερομηνία παράδοσης
Τιμή
Δεν υπάρχουν μέθοδοι αποστολής
Εφαρμογή
Προσθήκη στα αγαπημένα
+Σύγκριση
Στείλτε το σε ένα φίλο
Το προιόν είναι το Νουμερο: 1 στην εικόνα.
Κωδικός: MP-NSRA000U030001200020200070010-KR070040
Τα cookies μας βοηθούν να παρέχουμε τις υπηρεσίες μας. Με τη χρήση των υπηρεσιών μας, συμφωνείτε με τη χρήση των cookies.
ΟΚ
Μάθε περισσότερα