Εγγραφή
Σύνδεση
(0)
(0)
Δεν υπάρχουν προϊόντα στο καλάθι σας.
Αναζήτηση
Genuine Piaggio Group Parts
UpMap
Μοτοσυκλέτα
Scooter
Εξατμίσεις
Βάσεις κινητού, ActionCam, GPS
Λιπαντικά
Αναβάτης
Αντικλεπτικά
Μπαταρίες
Βιβλία
Πακέτα Συντήρησης Scooter/Moto
Motoholics e-Gift Card
Μεταχειρισμένα
Service
Μενου
Genuine Piaggio Group Parts
UpMap
Μοτοσυκλέτα
Scooter
Εξατμίσεις
Βάσεις κινητού, ActionCam, GPS
Λιπαντικά
Αναβάτης
Αντικλεπτικά
Μπαταρίες
Βιβλία
Πακέτα Συντήρησης Scooter/Moto
Motoholics e-Gift Card
Service
Αρχική σελίδα
/
Genuine Piaggio Group Parts
/
Piaggio
/
Scooter
/
-HISTORICAL CATALOGS 1998-2005
/
Zip SP
/
Κινητήρας
/
Στροφαλοφόρος
/
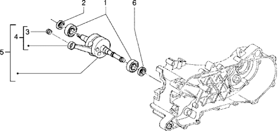
ΜΠΙΕΛΑ SCOOTER 50-485535
ΜΠΙΕΛΑ SCOOTER 50-485535
Το προιόν είναι το Νουμερο: 4 στην εικόνα.
ΚΩΔΙΚΟΣ ΠΡΟΪΟΝΤΟΣ:
MP-485535
Χρόνος παράδοσης:
4-6 εβδομάδες
€99,00
Ποσότητα:
1
2
+Καλάθι
Αποστολή σε
Επιλέξτε χώρα
Cyprus
Greece
*
Άλλα
*
Τρόπος αποστολής
Όνομα
Εκτιμώμενη ημερομηνία παράδοσης
Τιμή
Δεν υπάρχουν μέθοδοι αποστολής
Εφαρμογή
Προσθήκη στα αγαπημένα
+Σύγκριση
Στείλτε το σε ένα φίλο
Το προιόν είναι το Νουμερο: 4 στην εικόνα.
Κωδικός: MP-39500000000001003010100490081-485535
Τα cookies μας βοηθούν να παρέχουμε τις υπηρεσίες μας. Με τη χρήση των υπηρεσιών μας, συμφωνείτε με τη χρήση των cookies.
ΟΚ
Μάθε περισσότερα