Εγγραφή
Σύνδεση
(0)
(0)
Δεν υπάρχουν προϊόντα στο καλάθι σας.
Αναζήτηση
Genuine Piaggio Group Parts
UpMap
Μοτοσυκλέτα
Scooter
Εξατμίσεις
Βάσεις κινητού, ActionCam, GPS
Λιπαντικά
Αναβάτης
Αντικλεπτικά
Μπαταρίες
Βιβλία
Πακέτα Συντήρησης Scooter/Moto
Motoholics e-Gift Card
Μεταχειρισμένα
Service
Μενου
Genuine Piaggio Group Parts
UpMap
Μοτοσυκλέτα
Scooter
Εξατμίσεις
Βάσεις κινητού, ActionCam, GPS
Λιπαντικά
Αναβάτης
Αντικλεπτικά
Μπαταρίες
Βιβλία
Πακέτα Συντήρησης Scooter/Moto
Motoholics e-Gift Card
Service
Αρχική σελίδα
/
Genuine Piaggio Group Parts
/
Piaggio
/
Scooter
/
Medley 125
/
Medley 125 ABS E5+ 2024 (EMEA)
/
Πλαίσιο - Πλαστικά μέρη - Αμαξώματα
/
Πλαίσιο/αμάξωμα
Φιλτράρισμα με τιμή
Κατηγορίες
Genuine Piaggio Group Parts
UpMap
Μοτοσυκλέτα
Scooter
Εξατμίσεις
Βάσεις κινητού, ActionCam, GPS
Λιπαντικά
Αναβάτης
Αντικλεπτικά
Μπαταρίες
Βιβλία
Πακέτα Συντήρησης Scooter/Moto
Motoholics e-Gift Card
Κατασκευαστές
AKRAPOVIC
VICMA
Bart Factory
PMT TYRES
Barnett
CHT CHIARAVALLI
ABUS
AFAM
Aprilia
Armadillo Covers
aSpecialParts
AWA TECH
AXP
Barkbusters
Beeline
Benelli
BITUBO
BMW
BONAMICI RACING
Brembo
BS BATTERY
Bullster
Cardo
CFMOTO
CMS
CNC Racing
Denicol Lubricants
DNA
domino
Double Take Mirrors
Προβολή όλων
Είδατε πρόσφατα
ΠΑΞΙΜΑΔΙ M8x1,25 H=5-B011531
ΠΑΞΙΜΑΔΙ M8x1,25 H=5-B011531
ΒΑΡΙΑΤΟΡ SCOOTER 350 CC 4Τ-1A007731
Δημοφιλεις ετικετες
aprilia
battery
exatmish
exhaust
hpcorse
hp-corse
silencer
slipon
slip-on
teliko
vespa
εξάτμιση
μπαταρια
σιλανσιέ
τελικό
Προβολή όλων
Πλαίσιο/αμάξωμα
56379|NCQ1000U410002010010100190005||0111384|πλαισιοαμαξωμα-3eb6|Πλαίσιο/αμάξωμα
Προβολή ως
Πλέγμα
Λίστα
Ταξινόμηση ανά
Κορυφαίες επιλογές πρώτα
Αλφαβητικά Α - Ω
Αλφαβητικά Ω - Α
Αύξουσα τιμή
Φθίνουσα τιμή
Δημιουργήθηκε στις
Εμφάνιση
30
60
120
ανά σελίδα
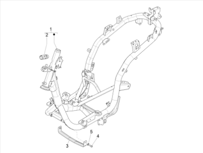
ΒΑΣΗ ΚΛΕΙΔΑΡΙΑΣ ΤΙΜ MEDLEY-1B001509
Το προιόν είναι το Νουμερο: 2 στην εικόνα.
€9,90
+Καλάθι
+Σύγκριση
Προσθήκη στα αγαπημένα
ΒΑΣΗ ΣΑΣΙ MEDLEY ΚΑΤΩ-1B002004
Το προιόν είναι το Νουμερο: 3 στην εικόνα.
€9,99
+Καλάθι
+Σύγκριση
Προσθήκη στα αγαπημένα
ΒΙΔΑ-319532
Το προιόν είναι το Νουμερο: 4 στην εικόνα.
€0,24
+Καλάθι
+Σύγκριση
Προσθήκη στα αγαπημένα
ΡΟΔΕΛΑ 16x8,2x2,2-834187
Το προιόν είναι το Νουμερο: 5 στην εικόνα.
€0,07
+Καλάθι
+Σύγκριση
Προσθήκη στα αγαπημένα
ΣΑΣΙ MEDLEY 200-1B0122064
Το προιόν είναι το Νουμερο: 1 στην εικόνα.
€497,00
+Καλάθι
+Σύγκριση
Προσθήκη στα αγαπημένα
Τα cookies μας βοηθούν να παρέχουμε τις υπηρεσίες μας. Με τη χρήση των υπηρεσιών μας, συμφωνείτε με τη χρήση των cookies.
ΟΚ
Μάθε περισσότερα