Εγγραφή
Σύνδεση
(0)
(0)
Δεν υπάρχουν προϊόντα στο καλάθι σας.
Αναζήτηση
Genuine Piaggio Group Parts
UpMap
Μοτοσυκλέτα
Scooter
Εξατμίσεις
Βάσεις κινητού, ActionCam, GPS
Λιπαντικά
Αναβάτης
Αντικλεπτικά
Μπαταρίες
Βιβλία
Πακέτα Συντήρησης Scooter/Moto
Motoholics e-Gift Card
Μεταχειρισμένα
Service
Μενου
Genuine Piaggio Group Parts
UpMap
Μοτοσυκλέτα
Scooter
Εξατμίσεις
Βάσεις κινητού, ActionCam, GPS
Λιπαντικά
Αναβάτης
Αντικλεπτικά
Μπαταρίες
Βιβλία
Πακέτα Συντήρησης Scooter/Moto
Motoholics e-Gift Card
Service
Αρχική σελίδα
/
Genuine Piaggio Group Parts
/
Piaggio
/
Scooter
/
-HISTORICAL CATALOGS 1998-2005
/
Skipper 150 4T
/
Πλαίσιο
/
Ρεζερβουάρ καυσίμου
Φιλτράρισμα με τιμή
Κατηγορίες
Genuine Piaggio Group Parts
UpMap
Μοτοσυκλέτα
Scooter
Εξατμίσεις
Βάσεις κινητού, ActionCam, GPS
Λιπαντικά
Αναβάτης
Αντικλεπτικά
Μπαταρίες
Βιβλία
Πακέτα Συντήρησης Scooter/Moto
Motoholics e-Gift Card
Κατασκευαστές
AKRAPOVIC
VICMA
Bart Factory
PMT TYRES
Barnett
CHT CHIARAVALLI
MAXIMA RACING OILS
ABUS
AFAM
Aprilia
Armadillo Covers
aSpecialParts
AWA TECH
AXP
Barkbusters
Beeline
Benelli
BITUBO
BMW
BONAMICI RACING
Brembo
BS BATTERY
Bullster
Cardo
CFMOTO
CMS
CNC Racing
Denicol Lubricants
DNA
domino
Προβολή όλων
Είδατε πρόσφατα
ΚΟΜΠΛΕΡ ΚΙΝΗΣΗΣ FLY-ET4-LIB <150cc>-CM162402
ΠΟΔΙΑ ΜΠΡ MEDLEY 01-04-2016> AΒΑΦΗ-1B003745
ΡΟΔΕΛΑ ΓΡ ΚΑΔ SFERA RST 125-430535
Δημοφιλεις ετικετες
aprilia
battery
exatmish
exhaust
hpcorse
hp-corse
silencer
slipon
slip-on
teliko
vespa
εξάτμιση
μπαταρια
σιλανσιέ
τελικό
Προβολή όλων
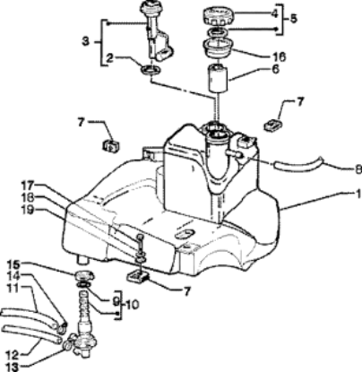
Ρεζερβουάρ καυσίμου
16930|46400000000002024010100490010||0018264|ρεζερβουαρ-καυσιμου-102|Ρεζερβουάρ καυσίμου
Προβολή ως
Πλέγμα
Λίστα
Ταξινόμηση ανά
Κορυφαίες επιλογές πρώτα
Αλφαβητικά Α - Ω
Αλφαβητικά Ω - Α
Αύξουσα τιμή
Φθίνουσα τιμή
Δημιουργήθηκε στις
Εμφάνιση
30
60
120
ανά σελίδα
ΑΣΦΑΛΕΙΑ (8ΜΜ)-CM002901
Το προιόν είναι το Νουμερο: 14 στην εικόνα.
€0,06
+Καλάθι
+Σύγκριση
Προσθήκη στα αγαπημένα
ΑΣΦΑΛΕΙΑ ΜΕΓΑΛΗ (6Χ100 MM)-254485
Το προιόν είναι το Νουμερο: 7 στην εικόνα.
€0,46
+Καλάθι
+Σύγκριση
Προσθήκη στα αγαπημένα
ΒΙΔΑ M6X16-B016777
Το προιόν είναι το Νουμερο: 17 στην εικόνα.
€0,07
+Καλάθι
+Σύγκριση
Προσθήκη στα αγαπημένα
ΒΙΔΑ ΣΤΗΡΙΞΗΣ ΕΝΙΣΧ ΡΑΔΙΟΦΩΝΟΥ Χ9-015558
Το προιόν είναι το Νουμερο: 17 στην εικόνα.
€0,06
+Καλάθι
+Σύγκριση
Προσθήκη στα αγαπημένα
ΚΟΛΙΕΣ ΣΥΓΚΡ ΚΟΛΑΡΟ ΝΕΡΟΥ ΜΕ ΒΙΔΑ 18-20m-879888
Το προιόν είναι το Νουμερο: 15 στην εικόνα.
€1,10
+Καλάθι
+Σύγκριση
Προσθήκη στα αγαπημένα
ΚΟΛΛΑΡΟ (9MM)-CM002904
Το προιόν είναι το Νουμερο: 13 στην εικόνα.
€0,12
+Καλάθι
+Σύγκριση
Προσθήκη στα αγαπημένα
ΛΑΣΤΙΧΟ ΦΛΟΤΕΡ FL-228354
Το προιόν είναι το Νουμερο: 2 στην εικόνα.
€6,20
+Καλάθι
+Σύγκριση
Προσθήκη στα αγαπημένα
ΡΟΔΕΛΑ 16x6,5x1,5-013880
Το προιόν είναι το Νουμερο: 19 στην εικόνα.
€0,06
+Καλάθι
+Σύγκριση
Προσθήκη στα αγαπημένα
ΡΟΔΕΛΑ-016406
Το προιόν είναι το Νουμερο: 18 στην εικόνα.
€0,04
+Καλάθι
+Σύγκριση
Προσθήκη στα αγαπημένα
ΡΟΥΜΠΙΝΕΤΟ ΒΕΝΖ SCOOTER 50<>200 1 ΣΩΛΗΝ-674594
Το προιόν είναι το Νουμερο: 10 στην εικόνα.
€14,00
+Καλάθι
+Σύγκριση
Προσθήκη στα αγαπημένα
ΡΟΥΜΠΙΝΕΤΟ ΒΕΝΖ SCOOTER 50-80 2 ΣΩΛΗΝ-575331
Το προιόν είναι το Νουμερο: 10 στην εικόνα.
€14,00
+Καλάθι
+Σύγκριση
Προσθήκη στα αγαπημένα
ΣΩΛΗΝΑΚΙ ΒΕΝΖΙΝΗΣ LIB-LX-S-FLY 4X9X650-CM006105
Το προιόν είναι το Νουμερο: 12 στην εικόνα.
€6,40
+Καλάθι
+Σύγκριση
Προσθήκη στα αγαπημένα
ΣΩΛΗΝΑΚΙ ΕΞΑΕΡ ΤΕΠ ΒΕΝΖ TYP-LIB-LX-S-MP3-CM0012096
Το προιόν είναι το Νουμερο: 8 στην εικόνα.
€18,00
+Καλάθι
+Σύγκριση
Προσθήκη στα αγαπημένα
ΣΩΛΗΝΑΚΙ ΥΠΟΠΙΕΣΗΣ ΡΟΥΜΠ SCOOTER 5 ΜΕΤΡΑ-1R000158
Το προιόν είναι το Νουμερο: 11 στην εικόνα.
€5,00
+Καλάθι
+Σύγκριση
Προσθήκη στα αγαπημένα
ΤΑΠΑ ΒΕΝΖΙΝΗΣ BEV-TYPH-ET4-GT-Χ8-MP3-SK-259832
Το προιόν είναι το Νουμερο: 5 στην εικόνα.
€7,70
+Καλάθι
+Σύγκριση
Προσθήκη στα αγαπημένα
ΦΛΑΝΤΖΑ ΤΑΠΑΣ ΒΕΝ COSA-SF-ZIP-Χ8-258160
Το προιόν είναι το Νουμερο: 4 στην εικόνα.
€3,00
+Καλάθι
+Σύγκριση
Προσθήκη στα αγαπημένα
ΦΛΑΝΤΖΑ ΦΛΟΤΕΡ ΒΕΝΖ SCOOTER Π.Μ-1E0030646
Το προιόν είναι το Νουμερο: 2 στην εικόνα.
€31,00
+Καλάθι
+Σύγκριση
Προσθήκη στα αγαπημένα
ΦΛΑΝΤΖΑ ΦΛΟΤΕΡ ΡΕΖΕΡΒΟΥΑΡ-258161
Το προιόν είναι το Νουμερο: 2 στην εικόνα.
€8,00
+Καλάθι
+Σύγκριση
Προσθήκη στα αγαπημένα
ΦΛΑΝΤΖΑ ΦΛΟΤΕΡ==>>1E0030646-1E003064
Το προιόν είναι το Νουμερο: 2 στην εικόνα.
€17,00
+Καλάθι
+Σύγκριση
Προσθήκη στα αγαπημένα
ΦΛΑΝΤΖΑ-196868
Το προιόν είναι το Νουμερο: 9 στην εικόνα.
€0,24
+Καλάθι
+Σύγκριση
Προσθήκη στα αγαπημένα
ΦΛΟΤΕΡ ΤΕΠ.ΒΕΝΖ SKIP4T-ET4125 Ν.Μ+582761-CM086802
Το προιόν είναι το Νουμερο: 3 στην εικόνα.
€90,00
+Καλάθι
+Σύγκριση
Προσθήκη στα αγαπημένα
Τα cookies μας βοηθούν να παρέχουμε τις υπηρεσίες μας. Με τη χρήση των υπηρεσιών μας, συμφωνείτε με τη χρήση των cookies.
ΟΚ
Μάθε περισσότερα