Εγγραφή
Σύνδεση
(0)
(0)
Δεν υπάρχουν προϊόντα στο καλάθι σας.
Αναζήτηση
Genuine Piaggio Group Parts
UpMap
Μοτοσυκλέτα
Scooter
Εξατμίσεις
Βάσεις κινητού, ActionCam, GPS
Λιπαντικά
Αναβάτης
Αντικλεπτικά
Μπαταρίες
Βιβλία
Πακέτα Συντήρησης Scooter/Moto
Motoholics e-Gift Card
Μεταχειρισμένα
Service
Μενου
Genuine Piaggio Group Parts
UpMap
Μοτοσυκλέτα
Scooter
Εξατμίσεις
Βάσεις κινητού, ActionCam, GPS
Λιπαντικά
Αναβάτης
Αντικλεπτικά
Μπαταρίες
Βιβλία
Πακέτα Συντήρησης Scooter/Moto
Motoholics e-Gift Card
Service
Αρχική σελίδα
/
Genuine Piaggio Group Parts
/
Aprilia
/
Motorbike
/
Tuono 457 E5+
/
Tuono 457 4T 8V E5+ ABS 2024-2025 (EMEA GSO)
/
Πλαίσιο
/
Σταντ
Φιλτράρισμα με τιμή
Κατηγορίες
Genuine Piaggio Group Parts
UpMap
Μοτοσυκλέτα
Scooter
Εξατμίσεις
Βάσεις κινητού, ActionCam, GPS
Λιπαντικά
Αναβάτης
Αντικλεπτικά
Μπαταρίες
Βιβλία
Πακέτα Συντήρησης Scooter/Moto
Motoholics e-Gift Card
Κατασκευαστές
AKRAPOVIC
VICMA
Bart Factory
PMT TYRES
Barnett
CHT CHIARAVALLI
MAXIMA RACING OILS
ABUS
AFAM
Aprilia
Armadillo Covers
aSpecialParts
AWA TECH
AXP
Barkbusters
Beeline
Benelli
BITUBO
BMW
BONAMICI RACING
Brembo
BS BATTERY
Bullster
Cardo
CFMOTO
CMS
CNC Racing
Denicol Lubricants
DNA
domino
Προβολή όλων
Είδατε πρόσφατα
ΒΙΔΑ-AP8150426
ΚΑΠΑΚΙ ΚΟΝΤΕΡ TUONO 1100 V4 Ε5-2B008088
ΚΛΙΠΣ-856034
Δημοφιλεις ετικετες
aprilia
battery
exatmish
exhaust
hpcorse
hp-corse
silencer
slipon
slip-on
teliko
vespa
εξάτμιση
μπαταρια
σιλανσιέ
τελικό
Προβολή όλων
Σταντ
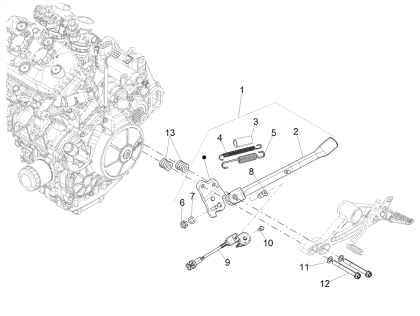
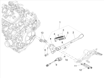
57375|AP612400000001030030300330001||0114067|σταντ-3706|Σταντ
Προβολή ως
Πλέγμα
Λίστα
Ταξινόμηση ανά
Κορυφαίες επιλογές πρώτα
Αλφαβητικά Α - Ω
Αλφαβητικά Ω - Α
Αύξουσα τιμή
Φθίνουσα τιμή
Δημιουργήθηκε στις
Εμφάνιση
30
60
120
ανά σελίδα
ΑΠΟΣΤΑΤΗΣ ΒΑΣΗΣ ΜΑΡΣΠΙΕ RS 660 ΜΠΡΟΣ ΔΕΞ-2B006346
Το προιόν είναι το Νουμερο: 13 στην εικόνα.
€3,40
+Καλάθι
+Σύγκριση
Προσθήκη στα αγαπημένα
ΒΑΛΒΙΔΑ ΗΛ ΠΛΑΓ ΣΤΑΝ RS 660-STELVIO E5-2D000530
Το προιόν είναι το Νουμερο: 9 στην εικόνα.
€49,00
+Καλάθι
+Σύγκριση
Προσθήκη στα αγαπημένα
ΒΙΔΑ M10x85-AP8152482
Το προιόν είναι το Νουμερο: 12 στην εικόνα.
€2,80
+Καλάθι
+Σύγκριση
Προσθήκη στα αγαπημένα
ΒΙΔΑ ΠΛΑΓΙΟΥ ΣΤΑΝ RS 660-2B007560
Το προιόν είναι το Νουμερο: 8 στην εικόνα.
€9,99
+Καλάθι
+Σύγκριση
Προσθήκη στα αγαπημένα
ΕΛΑΤΗΡΙΟ ΠΛ ΣΤΑΝ SCOOTER/MOTO/TUAREG 660-AP8221211
Το προιόν είναι το Νουμερο: 4 στην εικόνα.
€1,80
+Καλάθι
+Σύγκριση
Προσθήκη στα αγαπημένα
ΕΛΑΤΗΡΙΟ ΣΤΑΝ LEO-SC 50-RS 660-AP8221204
Το προιόν είναι το Νουμερο: 3 στην εικόνα.
€2,60
+Καλάθι
+Σύγκριση
Προσθήκη στα αγαπημένα
ΠΑΞΙΜΑΔΙ M10x1-AP8152001
Το προιόν είναι το Νουμερο: 6 στην εικόνα.
€0,41
+Καλάθι
+Σύγκριση
Προσθήκη στα αγαπημένα
ΠΡΟΣΤ/ΚΟ ΕΛΑΤΗΡ ΠΛ ΣΤΑΝ SHIVER/MANA/RSV-AP8102524
Το προιόν είναι το Νουμερο: 5 στην εικόνα.
€3,10
+Καλάθι
+Σύγκριση
Προσθήκη στα αγαπημένα
ΡΟΔΕΛΑ CAPONORD 1000-AP8150292
Το προιόν είναι το Νουμερο: 7 στην εικόνα.
€0,06
+Καλάθι
+Σύγκριση
Προσθήκη στα αγαπημένα
ΡΟΔΕΛΑ ΕΛΑΣΤ ΚΑΡΙΝΑΣ RS457-2B012126
Το προιόν είναι το Νουμερο: 11 στην εικόνα.
€0,40
+Καλάθι
+Σύγκριση
Προσθήκη στα αγαπημένα
ΣΤΑΝ ΠΛΑΓΙΟ RS-TUONO 457 E5+ ΚΟΜΠΛΕ-2B011515
Το προιόν είναι το Νουμερο: 1 στην εικόνα.
€69,01
+Καλάθι
+Σύγκριση
Προσθήκη στα αγαπημένα
ΣΤΑΝ ΠΛΑΓΙΟ RS-TUONO 457 E5+ ΟΧΙ ΚΟΜΠΛΕ-2B011516
Το προιόν είναι το Νουμερο: 2 στην εικόνα.
€35,01
+Καλάθι
+Σύγκριση
Προσθήκη στα αγαπημένα
Τα cookies μας βοηθούν να παρέχουμε τις υπηρεσίες μας. Με τη χρήση των υπηρεσιών μας, συμφωνείτε με τη χρήση των cookies.
ΟΚ
Μάθε περισσότερα