Εγγραφή
Σύνδεση
(0)
(0)
Δεν υπάρχουν προϊόντα στο καλάθι σας.
Αναζήτηση
Genuine Piaggio Group Parts
UpMap
Μοτοσυκλέτα
Scooter
Εξατμίσεις
Βάσεις κινητού, ActionCam, GPS
Λιπαντικά
Αναβάτης
Αντικλεπτικά
Μπαταρίες
Βιβλία
Πακέτα Συντήρησης Scooter/Moto
Motoholics e-Gift Card
Μεταχειρισμένα
Service
Μενου
Genuine Piaggio Group Parts
UpMap
Μοτοσυκλέτα
Scooter
Εξατμίσεις
Βάσεις κινητού, ActionCam, GPS
Λιπαντικά
Αναβάτης
Αντικλεπτικά
Μπαταρίες
Βιβλία
Πακέτα Συντήρησης Scooter/Moto
Motoholics e-Gift Card
Service
Αρχική σελίδα
/
Genuine Piaggio Group Parts
/
Gilera
/
Scooter
/
-Historical catalogs 1998-2005
/
Ice
/
Κινητήρας
/
Στροφαλοφόρος
Φιλτράρισμα με τιμή
Κατηγορίες
Genuine Piaggio Group Parts
UpMap
Μοτοσυκλέτα
Scooter
Εξατμίσεις
Βάσεις κινητού, ActionCam, GPS
Λιπαντικά
Αναβάτης
Αντικλεπτικά
Μπαταρίες
Βιβλία
Πακέτα Συντήρησης Scooter/Moto
Motoholics e-Gift Card
Κατασκευαστές
AKRAPOVIC
VICMA
Bart Factory
PMT TYRES
Barnett
CHT CHIARAVALLI
MAXIMA RACING OILS
ABUS
AFAM
Aprilia
Armadillo Covers
aSpecialParts
AWA TECH
AXP
Barkbusters
Beeline
Benelli
BITUBO
BMW
BONAMICI RACING
Brembo
BS BATTERY
Bullster
Cardo
CFMOTO
CMS
CNC Racing
Denicol Lubricants
DNA
domino
Προβολή όλων
Είδατε πρόσφατα
ΒΙΔΑ ΣΤΑΝ SCOOTER M10x130-030115
ΕΛΑΤΗΡΙΟ ΣΤΑΝ EAGLET-463653
ΕΛΑΤΗΡΙΟ ΣΤΑΝ EAGLET-463652
Δημοφιλεις ετικετες
aprilia
battery
exatmish
exhaust
hpcorse
hp-corse
silencer
slipon
slip-on
teliko
vespa
εξάτμιση
μπαταρια
σιλανσιέ
τελικό
Προβολή όλων
Στροφαλοφόρος
7331|18600000000001003020200120012||0008803|στροφαλοφοροσ-6|Στροφαλοφόρος
Προβολή ως
Πλέγμα
Λίστα
Ταξινόμηση ανά
Κορυφαίες επιλογές πρώτα
Αλφαβητικά Α - Ω
Αλφαβητικά Ω - Α
Αύξουσα τιμή
Φθίνουσα τιμή
Δημιουργήθηκε στις
Εμφάνιση
30
60
120
ανά σελίδα
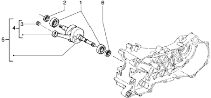
ΜΠΙΕΛΑ SCOOTER 50-485535
Το προιόν είναι το Νουμερο: 4 στην εικόνα.
€99,00
+Καλάθι
+Σύγκριση
Προσθήκη στα αγαπημένα
ΡΟΥΛΕΜΑΝ ΠΙΣΤ SCOOTER 50/80-V/50 CAT.1-500501
Το προιόν είναι το Νουμερο: 3 στην εικόνα.
€6,10
+Καλάθι
+Σύγκριση
Προσθήκη στα αγαπημένα
ΡΟΥΛΕΜΑΝ ΠΙΣΤ SCOOTER 50/80-V/50 CAT.2-500502
Το προιόν είναι το Νουμερο: 3 στην εικόνα.
€6,10
+Καλάθι
+Σύγκριση
Προσθήκη στα αγαπημένα
ΡΟΥΛΕΜΑΝ ΠΙΣΤ SCOOTER 50/80-V/50 CAT.3-500503
Το προιόν είναι το Νουμερο: 3 στην εικόνα.
€6,10
+Καλάθι
+Σύγκριση
Προσθήκη στα αγαπημένα
ΡΟΥΛΕΜΑΝ ΠΙΣΤ SCOOTER 50/80-V/50 CAT.4-500504
Το προιόν είναι το Νουμερο: 3 στην εικόνα.
€6,10
+Καλάθι
+Σύγκριση
Προσθήκη στα αγαπημένα
ΡΟΥΛΕΜΑΝ ΣΤΡΟΦ SC 50-80 20X52X12-431125
Το προιόν είναι το Νουμερο: 1 στην εικόνα.
€8,80
+Καλάθι
+Σύγκριση
Προσθήκη στα αγαπημένα
ΣΤΡΟΦΑΛΟΣ SCOOTER 50 2T-4316255
Το προιόν είναι το Νουμερο: 5 στην εικόνα.
€140,00
+Καλάθι
+Σύγκριση
Προσθήκη στα αγαπημένα
ΤΣΙΜΟΥΧΑ ΣΤΡΟΦ SC 50-80 28x18x7-482315
Το προιόν είναι το Νουμερο: 2 στην εικόνα.
€8,70
+Καλάθι
+Σύγκριση
Προσθήκη στα αγαπημένα
ΤΣΙΜΟΥΧΑ ΣΤΡΟΦ SC 50-80 30X19X6,5-482314
Το προιόν είναι το Νουμερο: 6 στην εικόνα.
€8,70
+Καλάθι
+Σύγκριση
Προσθήκη στα αγαπημένα
Τα cookies μας βοηθούν να παρέχουμε τις υπηρεσίες μας. Με τη χρήση των υπηρεσιών μας, συμφωνείτε με τη χρήση των cookies.
ΟΚ
Μάθε περισσότερα