Εγγραφή
Σύνδεση
(0)
(0)
Δεν υπάρχουν προϊόντα στο καλάθι σας.
Αναζήτηση
Genuine Piaggio Group Parts
UpMap
Μοτοσυκλέτα
Scooter
Εξατμίσεις
Βάσεις κινητού, ActionCam, GPS
Λιπαντικά
Αναβάτης
Αντικλεπτικά
Μπαταρίες
Βιβλία
Πακέτα Συντήρησης Scooter/Moto
Motoholics e-Gift Card
Μεταχειρισμένα
Service
Μενου
Genuine Piaggio Group Parts
UpMap
Μοτοσυκλέτα
Scooter
Εξατμίσεις
Βάσεις κινητού, ActionCam, GPS
Λιπαντικά
Αναβάτης
Αντικλεπτικά
Μπαταρίες
Βιβλία
Πακέτα Συντήρησης Scooter/Moto
Motoholics e-Gift Card
Service
Αρχική σελίδα
/
Genuine Piaggio Group Parts
/
Piaggio
/
Scooter
/
MP3 400
/
MP3 400 ie LT Touring 2011 (EMEA)
/
Κινητήρας
/
Συγκρότημα κυλίνδρου-εμβόλου-πείρου
Φιλτράρισμα με τιμή
Κατηγορίες
Genuine Piaggio Group Parts
UpMap
Μοτοσυκλέτα
Scooter
Εξατμίσεις
Βάσεις κινητού, ActionCam, GPS
Λιπαντικά
Αναβάτης
Αντικλεπτικά
Μπαταρίες
Βιβλία
Πακέτα Συντήρησης Scooter/Moto
Motoholics e-Gift Card
Κατασκευαστές
AKRAPOVIC
VICMA
Bart Factory
PMT TYRES
Barnett
CHT CHIARAVALLI
ABUS
AFAM
Aprilia
Armadillo Covers
aSpecialParts
AWA TECH
AXP
Barkbusters
Beeline
Benelli
BITUBO
BMW
BONAMICI RACING
Brembo
BS BATTERY
Bullster
Cardo
CFMOTO
CMS
CNC Racing
Denicol Lubricants
DNA
domino
Double Take Mirrors
Προβολή όλων
Είδατε πρόσφατα
ΕΛΑΤΗΡΙΟ ΠΙΣΤ R3 SC 125CC 4T ΜΕΣΑΙΟ-488003
ΣΩΛΗΝΑΣ ΑΕΡΑΓ ΚΙΝΗΤ LIBERTY 50 4Τ<>200-464656
ΕΛΑΤΗΡΙΟ ΠΙΣΤ STD SC 125 CC 4T #57x1 ΑΝΩ-485779
Δημοφιλεις ετικετες
aprilia
battery
exatmish
exhaust
hpcorse
hp-corse
silencer
slipon
slip-on
teliko
vespa
εξάτμιση
μπαταρια
σιλανσιέ
τελικό
Προβολή όλων
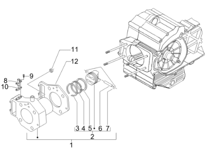
Συγκρότημα κυλίνδρου-εμβόλου-πείρου
44586|NTRB000U060001070010100230003||0045412|συγκροτημα-κυλινδρου-εμβολου-πειρου-314|Συγκρότημα κυλίνδρου-εμβόλου-πείρου
Προβολή ως
Πλέγμα
Λίστα
Ταξινόμηση ανά
Κορυφαίες επιλογές πρώτα
Αλφαβητικά Α - Ω
Αλφαβητικά Ω - Α
Αύξουσα τιμή
Φθίνουσα τιμή
Δημιουργήθηκε στις
Εμφάνιση
30
60
120
ανά σελίδα
ΑΣΦΑΛΕΙΑ ΠΙΣΤ SCOOTER 400<>850 CC-828116
Το προιόν είναι το Νουμερο: 7 στην εικόνα.
€0,55
+Καλάθι
+Σύγκριση
Προσθήκη στα αγαπημένα
ΒΙΔΑ M6X16-B016777
Το προιόν είναι το Νουμερο: 9 στην εικόνα.
€0,07
+Καλάθι
+Σύγκριση
Προσθήκη στα αγαπημένα
ΒΙΔΑ ΣΤΗΡΙΞΗΣ ΕΝΙΣΧ ΡΑΔΙΟΦΩΝΟΥ Χ9-015558
Το προιόν είναι το Νουμερο: 9 στην εικόνα.
€0,06
+Καλάθι
+Σύγκριση
Προσθήκη στα αγαπημένα
ΕΛΑΤΗΡΙΟ ΠΙΣΤ STD SC 400 CC 4T ΛΑΔΙΟΥ-845314
Το προιόν είναι το Νουμερο: 4 στην εικόνα.
€23,00
+Καλάθι
+Σύγκριση
Προσθήκη στα αγαπημένα
ΕΛΑΤΗΡΙΟ ΠΙΣΤ STD SC 400 CC 4T-845312
Το προιόν είναι το Νουμερο: 5 στην εικόνα.
€14,00
+Καλάθι
+Σύγκριση
Προσθήκη στα αγαπημένα
ΕΛΑΤΗΡΙΟ ΠΙΣΤ STD SC 400 CC 4T-845313
Το προιόν είναι το Νουμερο: 3 στην εικόνα.
€9,99
+Καλάθι
+Σύγκριση
Προσθήκη στα αγαπημένα
ΚΥΛΙΝΔΡΟΣ SCOOTER 400 E3 ΚΟΜΠΛΕ-B018504
Το προιόν είναι το Νουμερο: 1 στην εικόνα.
€372,00
+Καλάθι
+Σύγκριση
Προσθήκη στα αγαπημένα
ΠΑΞΙΜΑΔΙ M6X1 SW10-7-288245
Το προιόν είναι το Νουμερο: 11 στην εικόνα.
€0,07
+Καλάθι
+Σύγκριση
Προσθήκη στα αγαπημένα
ΠΑΞΙΜΑΔΙ-241936
Το προιόν είναι το Νουμερο: 11 στην εικόνα.
€0,04
+Καλάθι
+Σύγκριση
Προσθήκη στα αγαπημένα
ΠΕΙΡΟΣ ΠΙΣΤΟΝΙΟΥ SCOOTER 400<>850 (D.22)-827820
Το προιόν είναι το Νουμερο: 6 στην εικόνα.
€23,00
+Καλάθι
+Σύγκριση
Προσθήκη στα αγαπημένα
ΠΙΣΤΟΝΙ STD SCOOTER 400CC CAT.2-B0185030002
Το προιόν είναι το Νουμερο: 2 στην εικόνα.
€106,00
+Καλάθι
+Σύγκριση
Προσθήκη στα αγαπημένα
ΠΙΣΤΟΝΙ STD SCOOTER 400CC CAT.3-B0185030003
Το προιόν είναι το Νουμερο: 2 στην εικόνα.
€105,00
+Καλάθι
+Σύγκριση
Προσθήκη στα αγαπημένα
ΠΙΣΤΟΝΙ STD SCOOTER 400CC CAT.4-B0185030004
Το προιόν είναι το Νουμερο: 2 στην εικόνα.
€105,00
+Καλάθι
+Σύγκριση
Προσθήκη στα αγαπημένα
ΤΕΝΤΩΤΗΡΑΣ ΚΑΔΕΝΑΣ SC 50<>300 CC-82650R
Το προιόν είναι το Νουμερο: 8 στην εικόνα.
€28,00
+Καλάθι
+Σύγκριση
Προσθήκη στα αγαπημένα
ΤΕΝΤΩΤΗΡΑΣ ΚΑΔΕΝΑΣ SC 50<>800 CC-289919
Το προιόν είναι το Νουμερο: 8 στην εικόνα.
€26,00
+Καλάθι
+Σύγκριση
Προσθήκη στα αγαπημένα
ΤΕΝΤΩΤΗΡΑΣ ΚΑΔΕΝΑΣ SC 50<>800 CC-847277
Το προιόν είναι το Νουμερο: 8 στην εικόνα.
€15,00
+Καλάθι
+Σύγκριση
Προσθήκη στα αγαπημένα
ΦΛΑΝΤΖΑ ΚΥΛΙΝΔΡΟΥ SCOOTER 400<>850 0,4MM-830277
Το προιόν είναι το Νουμερο: 12 στην εικόνα.
€9,10
+Καλάθι
+Σύγκριση
Προσθήκη στα αγαπημένα
ΦΛΑΝΤΖΑ ΚΥΛΙΝΔΡΟΥ SCOOTER 400<>850 0,6MM-830276
Το προιόν είναι το Νουμερο: 12 στην εικόνα.
€9,99
+Καλάθι
+Σύγκριση
Προσθήκη στα αγαπημένα
ΦΛΑΝΤΖΑ ΚΥΛΙΝΔΡΟΥ SCOOTER 400<>850 0,8MM-830275
Το προιόν είναι το Νουμερο: 12 στην εικόνα.
€9,99
+Καλάθι
+Σύγκριση
Προσθήκη στα αγαπημένα
ΦΛΑΝΤΖΑ ΤΕΝΤ ΚΑΔΕΝΑΣ SCOOT-847928
Το προιόν είναι το Νουμερο: 10 στην εικόνα.
€0,69
+Καλάθι
+Σύγκριση
Προσθήκη στα αγαπημένα
Τα cookies μας βοηθούν να παρέχουμε τις υπηρεσίες μας. Με τη χρήση των υπηρεσιών μας, συμφωνείτε με τη χρήση των cookies.
ΟΚ
Μάθε περισσότερα