Εγγραφή
Σύνδεση
(0)
(0)
Δεν υπάρχουν προϊόντα στο καλάθι σας.
Αναζήτηση
Genuine Piaggio Group Parts
UpMap
Μοτοσυκλέτα
Scooter
Εξατμίσεις
Βάσεις κινητού, ActionCam, GPS
Λιπαντικά
Αναβάτης
Αντικλεπτικά
Μπαταρίες
Βιβλία
Πακέτα Συντήρησης Scooter/Moto
Motoholics e-Gift Card
Μεταχειρισμένα
Service
Μενου
Genuine Piaggio Group Parts
UpMap
Μοτοσυκλέτα
Scooter
Εξατμίσεις
Βάσεις κινητού, ActionCam, GPS
Λιπαντικά
Αναβάτης
Αντικλεπτικά
Μπαταρίες
Βιβλία
Πακέτα Συντήρησης Scooter/Moto
Motoholics e-Gift Card
Service
Αρχική σελίδα
/
Genuine Piaggio Group Parts
/
Derbi
/
Scooter
/
GP1 125
/
GP1 125cc 2006 E2 3ver
/
Πίνακες
/
Τιμόνι - Χειριστήρια
Φιλτράρισμα με τιμή
Κατηγορίες
Genuine Piaggio Group Parts
UpMap
Μοτοσυκλέτα
Scooter
Εξατμίσεις
Βάσεις κινητού, ActionCam, GPS
Λιπαντικά
Αναβάτης
Αντικλεπτικά
Μπαταρίες
Βιβλία
Πακέτα Συντήρησης Scooter/Moto
Motoholics e-Gift Card
Κατασκευαστές
AKRAPOVIC
VICMA
Bart Factory
PMT TYRES
Barnett
CHT CHIARAVALLI
ABUS
AFAM
Aprilia
Armadillo Covers
aSpecialParts
AWA TECH
AXP
Barkbusters
Beeline
Benelli
BITUBO
BMW
BONAMICI RACING
Brembo
BS BATTERY
Bullster
Cardo
CFMOTO
CMS
CNC Racing
Denicol Lubricants
DNA
domino
Double Take Mirrors
Προβολή όλων
Είδατε πρόσφατα
ΒΑΛΒΙΔΑ BY-PASS GT-ET4 150-SK-NEXUS-X8-829661
ΒΑΛΒΙΔΑ BY-PASS GT-ET4 150-SK-NEXUS-X8-829661
ΡΟΥΛΕΜΑΝ 63026-C3 (15x42x13)-83018R
Δημοφιλεις ετικετες
aprilia
battery
exatmish
exhaust
hpcorse
hp-corse
silencer
slipon
slip-on
teliko
vespa
εξάτμιση
μπαταρια
σιλανσιέ
τελικό
Προβολή όλων
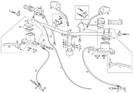
Τιμόνι - Χειριστήρια
54255|7077CG06002001090100100080001||0108965|τιμονι-χειριστηρια-7bc6|Τιμόνι - Χειριστήρια
Προβολή ως
Πλέγμα
Λίστα
Ταξινόμηση ανά
Κορυφαίες επιλογές πρώτα
Αλφαβητικά Α - Ω
Αλφαβητικά Ω - Α
Αύξουσα τιμή
Φθίνουσα τιμή
Δημιουργήθηκε στις
Εμφάνιση
30
60
120
ανά σελίδα
ΒΑΛΒΙΔΑ ΜΑΝ ΣΤΟΠ-ΜΙΖΑ SMT-RSR-GPR 50-00D01000701
Το προιόν είναι το Νουμερο: 28 στην εικόνα.
€6,89
+Καλάθι
+Σύγκριση
Προσθήκη στα αγαπημένα
ΒΙΔΑ RS/SX/RX 50-00004154000
Το προιόν είναι το Νουμερο: 31 στην εικόνα.
€0,35
+Καλάθι
+Σύγκριση
Προσθήκη στα αγαπημένα
ΔΙΑΚΟΠΤΗΣ ΦΛΑΣ DERBI GP1 50-250 04-06-86166R
Το προιόν είναι το Νουμερο: 6 στην εικόνα.
€34,00
+Καλάθι
+Σύγκριση
Προσθήκη στα αγαπημένα
ΔΙΑΚΟΠΤΗΣ ΦΩΤΩΝ DERBI GP1 250 ΔΕΞΙΟΣ-86167R
Το προιόν είναι το Νουμερο: 9 στην εικόνα.
€54,99
+Καλάθι
+Σύγκριση
Προσθήκη στα αγαπημένα
ΚΑΒΑΛΕΤΟ ΤΡΟΜΠΑΣ ΦΡ ΔΕ DERBI SENDA 125 S-00H02100901
Το προιόν είναι το Νουμερο: 14 στην εικόνα.
€26,00
+Καλάθι
+Σύγκριση
Προσθήκη στα αγαπημένα
ΚΑΘΡΕΠΤΗΣ DERBI GP1 ΑΡΙΣΤ-00G04614921
Το προιόν είναι το Νουμερο: 33 στην εικόνα.
€17,00
+Καλάθι
+Σύγκριση
Προσθήκη στα αγαπημένα
ΚΑΘΡΕΠΤΗΣ DERBI GP1 ΔΕΞΙΟΣ-00G02213671
Το προιόν είναι το Νουμερο: 32 στην εικόνα.
€17,00
+Καλάθι
+Σύγκριση
Προσθήκη στα αγαπημένα
ΚΑΠΑΚΙ ΤΡΟΜΠΑΣ ΦΡ DERBI GP1 50 RACE-DRD-862534
Το προιόν είναι το Νουμερο: 22 στην εικόνα.
€49,00
+Καλάθι
+Σύγκριση
Προσθήκη στα αγαπημένα
ΚΑΠΑΚΙ ΤΡΟΜΠΑΣ ΦΡ DERBI GP1 RACE 250 ΑΡ-00G05601201
Το προιόν είναι το Νουμερο: 13 στην εικόνα.
€57,99
+Καλάθι
+Σύγκριση
Προσθήκη στα αγαπημένα
ΚΟΚΚΑΛΟ ΓΚΑΖΙΟΥ DERBI GP1 250CC-00G00910081
Το προιόν είναι το Νουμερο: 7 στην εικόνα.
€9,40
+Καλάθι
+Σύγκριση
Προσθήκη στα αγαπημένα
ΜΑΝΕΤΑ ΑΡ/ΔΕ DERBI GP1 50-250 05-06-00G00903201
Το προιόν είναι το Νουμερο: 11 στην εικόνα.
€30,00
+Καλάθι
+Σύγκριση
Προσθήκη στα αγαπημένα
ΣΚΡΙΠ ΑΡ DERBI GP1 250 05/ E2-00G00909071
Το προιόν είναι το Νουμερο: 5 στην εικόνα.
€6,80
+Καλάθι
+Σύγκριση
Προσθήκη στα αγαπημένα
ΤΡΟΜΠΑ ΦΡ DERBI GP1 50 RACE ΔΕΞΙΑ-00G02100081
Το προιόν είναι το Νουμερο: 19 στην εικόνα.
€188,00
+Καλάθι
+Σύγκριση
Προσθήκη στα αγαπημένα
ΤΡΟΜΠΑ ΦΡ DERBI GP1 50<>250CC ΑΡΙΣΤ-00G01100181
Το προιόν είναι το Νουμερο: 10 στην εικόνα.
€468,00
+Καλάθι
+Σύγκριση
Προσθήκη στα αγαπημένα
Τα cookies μας βοηθούν να παρέχουμε τις υπηρεσίες μας. Με τη χρήση των υπηρεσιών μας, συμφωνείτε με τη χρήση των cookies.
ΟΚ
Μάθε περισσότερα