Εγγραφή
Σύνδεση
(0)
(0)
Δεν υπάρχουν προϊόντα στο καλάθι σας.
Αναζήτηση
Genuine Piaggio Group Parts
UpMap
Μοτοσυκλέτα
Scooter
Εξατμίσεις
Βάσεις κινητού, ActionCam, GPS
Λιπαντικά
Αναβάτης
Αντικλεπτικά
Μπαταρίες
Βιβλία
Πακέτα Συντήρησης Scooter/Moto
Motoholics e-Gift Card
Μεταχειρισμένα
Service
Μενου
Genuine Piaggio Group Parts
UpMap
Μοτοσυκλέτα
Scooter
Εξατμίσεις
Βάσεις κινητού, ActionCam, GPS
Λιπαντικά
Αναβάτης
Αντικλεπτικά
Μπαταρίες
Βιβλία
Πακέτα Συντήρησης Scooter/Moto
Motoholics e-Gift Card
Service
Αρχική σελίδα
/
Genuine Piaggio Group Parts
/
Vespa
/
Scooter
/
Vespa Sprint 125
/
Vespa Sprint S 125 E5+ 2024 (EMEA)
/
Κινητήρας
/
Τροχαλία κίνησης
Φιλτράρισμα με τιμή
Κατηγορίες
Genuine Piaggio Group Parts
UpMap
Μοτοσυκλέτα
Scooter
Εξατμίσεις
Βάσεις κινητού, ActionCam, GPS
Λιπαντικά
Αναβάτης
Αντικλεπτικά
Μπαταρίες
Βιβλία
Πακέτα Συντήρησης Scooter/Moto
Motoholics e-Gift Card
Κατασκευαστές
AKRAPOVIC
VICMA
Bart Factory
PMT TYRES
Barnett
CHT CHIARAVALLI
MAXIMA RACING OILS
ABUS
AFAM
Aprilia
Armadillo Covers
aSpecialParts
AWA TECH
AXP
Barkbusters
Beeline
Benelli
BITUBO
BMW
BONAMICI RACING
Brembo
BS BATTERY
Bullster
Cardo
CFMOTO
CMS
CNC Racing
Denicol Lubricants
DNA
domino
Προβολή όλων
Είδατε πρόσφατα
ΠΑΞΙΜΑΔΙ M6X1 SW10-7-288245
ΑΣΦΑΛΕΙΑ 35 MM RUNNER 180 2T M.02-006635
ΑΣΦΑΛΕΙΑ 35 MM RUNNER 180 2T M.02-006635
Δημοφιλεις ετικετες
aprilia
battery
exatmish
exhaust
hpcorse
hp-corse
silencer
slipon
slip-on
teliko
vespa
εξάτμιση
μπαταρια
σιλανσιέ
τελικό
Προβολή όλων
Τροχαλία κίνησης
47340|NVFA000U020001130050100220005||0048145|τροχαλια-κινησησ-385|Τροχαλία κίνησης
Προβολή ως
Πλέγμα
Λίστα
Ταξινόμηση ανά
Κορυφαίες επιλογές πρώτα
Αλφαβητικά Α - Ω
Αλφαβητικά Ω - Α
Αύξουσα τιμή
Φθίνουσα τιμή
Δημιουργήθηκε στις
Εμφάνιση
30
60
120
ανά σελίδα
ΑΠΟΣΤΑΤΗΣ ΒΑΡΙΑΤΟΡ LIB-FLY-GTS-LX-SPRINT-B017652
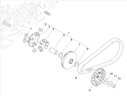
Το προιόν είναι το Νουμερο: 7 στην εικόνα.
€1,90
+Καλάθι
+Σύγκριση
Προσθήκη στα αγαπημένα
ΑΠΟΣΤΑΤΗΣ ΒΑΡΙΑΤΟΡ LIB-PRIM-LX 125 E5+-1A015792
Το προιόν είναι το Νουμερο: 5 στην εικόνα.
€14,00
+Καλάθι
+Σύγκριση
Προσθήκη στα αγαπημένα
ΑΣΦΑΛΕΙΑ SEEGER-1A008144
Το προιόν είναι το Νουμερο: 6 στην εικόνα.
€1,20
+Καλάθι
+Σύγκριση
Προσθήκη στα αγαπημένα
ΒΑΡΙΑΤΟΡ LIB-LX-S 125/150 4T 3V MY13>-CM169002
Το προιόν είναι το Νουμερο: 1 στην εικόνα.
€32,00
+Καλάθι
+Σύγκριση
Προσθήκη στα αγαπημένα
ΒΑΡΙΑΤΟΡ LIB-PRIM-SPRINT 125 4T3V MY13-CM261202
Το προιόν είναι το Νουμερο: 1 στην εικόνα.
€40,00
+Καλάθι
+Σύγκριση
Προσθήκη στα αγαπημένα
ΒΑΡΙΑΤΟΡ SCOOTER 125 CC 4Τ 3V E5-CM309802
Το προιόν είναι το Νουμερο: 1 στην εικόνα.
€48,00
+Καλάθι
+Σύγκριση
Προσθήκη στα αγαπημένα
ΔΙΣΚΟΣ ΒΑΡΙΑΤΩΡ SCOOTER 125 4T 3V-B017664
Το προιόν είναι το Νουμερο: 2 στην εικόνα.
€5,60
+Καλάθι
+Σύγκριση
Προσθήκη στα αγαπημένα
ΔΙΣΚΟΣ-ΓΡΑΝΑΖΙ ΒΑΡ SCOOTER 125 MY13-1A000798
Το προιόν είναι το Νουμερο: 9 στην εικόνα.
€17,00
+Καλάθι
+Σύγκριση
Προσθήκη στα αγαπημένα
ΙΜΑΝΤΑΣ ΚΙΝΗΣ SCOOTER 125 4T 3V-1A003396
Το προιόν είναι το Νουμερο: 8 στην εικόνα.
€23,00
+Καλάθι
+Σύγκριση
Προσθήκη στα αγαπημένα
ΟΔΗΓΟΣ ΒΑΡΙΑΤΩΡ LIB-PRIM-LX 125 E5+-1A015789
Το προιόν είναι το Νουμερο: 3 στην εικόνα.
€2,00
+Καλάθι
+Σύγκριση
Προσθήκη στα αγαπημένα
ΠΑΞΙΜΑΔΙ ΑΣΦΑΛΕΙΑΣ SCOOTER 125<>310-486324
Το προιόν είναι το Νουμερο: 12 στην εικόνα.
€0,76
+Καλάθι
+Σύγκριση
Προσθήκη στα αγαπημένα
ΡΑΟΥΛΑ ΒΑΡ LIBERTY-PRIMAV-SPRINT 125 E5-CM309702
Το προιόν είναι το Νουμερο: 4 στην εικόνα.
€3,60
+Καλάθι
+Σύγκριση
Προσθήκη στα αγαπημένα
ΡΟΔΕΛΑ ΒΑΡΙΑΤΟΡ 12.1x36x2-840533
Το προιόν είναι το Νουμερο: 10 στην εικόνα.
€0,86
+Καλάθι
+Σύγκριση
Προσθήκη στα αγαπημένα
ΡΟΔΕΛΑ ΒΑΡΙΑΤΩΡ SCOOTER 300<>310-880950
Το προιόν είναι το Νουμερο: 11 στην εικόνα.
€1,50
+Καλάθι
+Σύγκριση
Προσθήκη στα αγαπημένα
Τα cookies μας βοηθούν να παρέχουμε τις υπηρεσίες μας. Με τη χρήση των υπηρεσιών μας, συμφωνείτε με τη χρήση των cookies.
ΟΚ
Μάθε περισσότερα