Εγγραφή
Σύνδεση
(0)
(0)
Δεν υπάρχουν προϊόντα στο καλάθι σας.
Αναζήτηση
Genuine Piaggio Group Parts
UpMap
Μοτοσυκλέτα
Scooter
Εξατμίσεις
Βάσεις κινητού, ActionCam, GPS
Λιπαντικά
Αναβάτης
Αντικλεπτικά
Μπαταρίες
Βιβλία
Πακέτα Συντήρησης Scooter/Moto
Motoholics e-Gift Card
Μεταχειρισμένα
Service
Μενου
Genuine Piaggio Group Parts
UpMap
Μοτοσυκλέτα
Scooter
Εξατμίσεις
Βάσεις κινητού, ActionCam, GPS
Λιπαντικά
Αναβάτης
Αντικλεπτικά
Μπαταρίες
Βιβλία
Πακέτα Συντήρησης Scooter/Moto
Motoholics e-Gift Card
Service
Αρχική σελίδα
/
Genuine Piaggio Group Parts
/
Moto Guzzi
/
Motorbike
/
V 7 E5
/
V7 Stone TEN 850 E5 ABS 2024 (EMEA)
/
Κινητήρας
/
Φιλτρόκουτο
Φιλτράρισμα με τιμή
Κατηγορίες
Genuine Piaggio Group Parts
UpMap
Μοτοσυκλέτα
Scooter
Εξατμίσεις
Βάσεις κινητού, ActionCam, GPS
Λιπαντικά
Αναβάτης
Αντικλεπτικά
Μπαταρίες
Βιβλία
Πακέτα Συντήρησης Scooter/Moto
Motoholics e-Gift Card
Κατασκευαστές
AKRAPOVIC
VICMA
Bart Factory
PMT TYRES
Barnett
CHT CHIARAVALLI
ABUS
AFAM
Aprilia
Armadillo Covers
aSpecialParts
AWA TECH
AXP
Barkbusters
Beeline
Benelli
BITUBO
BMW
BONAMICI RACING
Brembo
BS BATTERY
Bullster
Cardo
CFMOTO
CMS
CNC Racing
Denicol Lubricants
DNA
domino
Double Take Mirrors
Προβολή όλων
Είδατε πρόσφατα
ΑΣΦΑΛΕΙΑ-AP8152409
Ο-ΡΙΝΓΚ 11,11x1,78-AP8144007
ΛΑΜΠΑ 12V-55W H7-294353
Δημοφιλεις ετικετες
aprilia
battery
exatmish
exhaust
hpcorse
hp-corse
silencer
slipon
slip-on
teliko
vespa
εξάτμιση
μπαταρια
σιλανσιέ
τελικό
Προβολή όλων
Φιλτρόκουτο
54567|GU903214400003050060100360005||0109271|φιλτροκουτο-4d56|Φιλτρόκουτο
Προβολή ως
Πλέγμα
Λίστα
Ταξινόμηση ανά
Κορυφαίες επιλογές πρώτα
Αλφαβητικά Α - Ω
Αλφαβητικά Ω - Α
Αύξουσα τιμή
Φθίνουσα τιμή
Δημιουργήθηκε στις
Εμφάνιση
30
60
120
ανά σελίδα
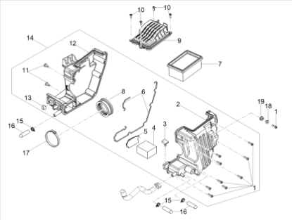
ΒΑΣΗ-890760
Το προιόν είναι το Νουμερο: 13 στην εικόνα.
€0,41
+Καλάθι
+Σύγκριση
Προσθήκη στα αγαπημένα
ΒΙΔΑ 5x14-AP8150509
Το προιόν είναι το Νουμερο: 10 στην εικόνα.
€0,12
+Καλάθι
+Σύγκριση
Προσθήκη στα αγαπημένα
ΒΙΔΑ-AP8152329
Το προιόν είναι το Νουμερο: 1 στην εικόνα.
€0,12
+Καλάθι
+Σύγκριση
Προσθήκη στα αγαπημένα
ΚΑΠΑΚΙ ΘΑΛΑΜΟΥ ΦΙΛΤΡΟΥ NEVADA-V7-887843
Το προιόν είναι το Νουμερο: 9 στην εικόνα.
€7,01
+Καλάθι
+Σύγκριση
Προσθήκη στα αγαπημένα
ΛΑΣΤΙΧΑΚΙ ΑΝΤΙΚΡΑΔΑΣΜΙΚΟ =S=-AP8120455
Το προιόν είναι το Νουμερο: 3 στην εικόνα.
€1,80
+Καλάθι
+Σύγκριση
Προσθήκη στα αγαπημένα
ΛΑΣΤΙΧΑΚΙ ΣΤΗΡΙΞΗΣ 10Χ20-GU91551010
Το προιόν είναι το Νουμερο: 19 στην εικόνα.
€2,10
+Καλάθι
+Σύγκριση
Προσθήκη στα αγαπημένα
ΛΑΣΤΙΧΑΚΙ-AP8221023
Το προιόν είναι το Νουμερο: 18 στην εικόνα.
€0,86
+Καλάθι
+Σύγκριση
Προσθήκη στα αγαπημένα
ΣΦΥΚΤΗΡΑΣ ΤΑΠΑΣ ΑΠΟΣΤΡ ΘΑΛ ΦΙΛΤ ΜΑΝΑ 850-AP8102520
Το προιόν είναι το Νουμερο: 15 στην εικόνα.
€0,12
+Καλάθι
+Σύγκριση
Προσθήκη στα αγαπημένα
ΤΑΠΑ ΑΠΟΣΤΡ ΘΑΛΑΜΟΥ ΦΙΛΤΡ MANA850-AP8161054
Το προιόν είναι το Νουμερο: 16 στην εικόνα.
€0,95
+Καλάθι
+Σύγκριση
Προσθήκη στα αγαπημένα
ΤΑΠΑ ΑΠΟΣΤΡ ΘΑΛΑΜΟΥ ΦΙΛΤΡ MOTO-AP8120876
Το προιόν είναι το Νουμερο: 11 στην εικόνα.
€0,19
+Καλάθι
+Σύγκριση
Προσθήκη στα αγαπημένα
ΦΙΛΤΡΟ BLOW-BY TUONO/RSV/RS 660-AP8104525
Το προιόν είναι το Νουμερο: 4 στην εικόνα.
€4,90
+Καλάθι
+Σύγκριση
Προσθήκη στα αγαπημένα
ΦΙΛΤΡΟ ΑΕΡΟΣ MG V7 STONE-AP8104924
Το προιόν είναι το Νουμερο: 7 στην εικόνα.
€11,00
+Καλάθι
+Σύγκριση
Προσθήκη στα αγαπημένα
ΦΛΑΝΤΖΑ ΛΑΣΤ ΘΑΛΑΜΟΥ ΦΙΛΤΡΟΥ-AP8120615
Το προιόν είναι το Νουμερο: 6 στην εικόνα.
€5,80
+Καλάθι
+Σύγκριση
Προσθήκη στα αγαπημένα
Τα cookies μας βοηθούν να παρέχουμε τις υπηρεσίες μας. Με τη χρήση των υπηρεσιών μας, συμφωνείτε με τη χρήση των cookies.
ΟΚ
Μάθε περισσότερα