Εγγραφή
Σύνδεση
(0)
(0)
Δεν υπάρχουν προϊόντα στο καλάθι σας.
Αναζήτηση
Genuine Piaggio Group Parts
UpMap
Μοτοσυκλέτα
Scooter
Εξατμίσεις
Βάσεις κινητού, ActionCam, GPS
Λιπαντικά
Αναβάτης
Αντικλεπτικά
Μπαταρίες
Βιβλία
Πακέτα Συντήρησης Scooter/Moto
Motoholics e-Gift Card
Μεταχειρισμένα
Service
Μενου
Genuine Piaggio Group Parts
UpMap
Μοτοσυκλέτα
Scooter
Εξατμίσεις
Βάσεις κινητού, ActionCam, GPS
Λιπαντικά
Αναβάτης
Αντικλεπτικά
Μπαταρίες
Βιβλία
Πακέτα Συντήρησης Scooter/Moto
Motoholics e-Gift Card
Service
Αρχική σελίδα
/
Genuine Piaggio Group Parts
/
Vespa
/
Scooter
/
Vespa S 125
/
Vespa S 125 4T 3V ie NOABS E3 2012 (EMEA)
/
Κινητήρας
/
Φρένο πίσω - Σιαγόνες
Φιλτράρισμα με τιμή
Κατηγορίες
Genuine Piaggio Group Parts
UpMap
Μοτοσυκλέτα
Scooter
Εξατμίσεις
Βάσεις κινητού, ActionCam, GPS
Λιπαντικά
Αναβάτης
Αντικλεπτικά
Μπαταρίες
Βιβλία
Πακέτα Συντήρησης Scooter/Moto
Motoholics e-Gift Card
Κατασκευαστές
AKRAPOVIC
VICMA
Bart Factory
PMT TYRES
Barnett
CHT CHIARAVALLI
MAXIMA RACING OILS
ABUS
AFAM
Aprilia
Armadillo Covers
aSpecialParts
AWA TECH
AXP
Barkbusters
Beeline
Benelli
BITUBO
BMW
BONAMICI RACING
Brembo
BS BATTERY
Bullster
Cardo
CFMOTO
CMS
CNC Racing
Denicol Lubricants
DNA
domino
Προβολή όλων
Είδατε πρόσφατα
ΣΥΝΑΓΕΡΜΟΣ BEV-GTSE4>> 1D002554-1D001770
ΟΔΗΓΟΣ ΚΑΠΑΚΙΟΥ SC 50<>500 4T 7,5 x 12-277916
ΟΔΗΓΟΣ ΚΑΠΑΚΙΟΥ SC 50<>500 4T 7,5 x 12-277916
Δημοφιλεις ετικετες
aprilia
battery
exatmish
exhaust
hpcorse
hp-corse
silencer
slipon
slip-on
teliko
vespa
εξάτμιση
μπαταρια
σιλανσιέ
τελικό
Προβολή όλων
Φρένο πίσω - Σιαγόνες
51057|NVPL000U010001350050100170001||0051807|φρενο-πισω-σιαγονεσ-161|Φρένο πίσω - Σιαγόνες
Προβολή ως
Πλέγμα
Λίστα
Ταξινόμηση ανά
Κορυφαίες επιλογές πρώτα
Αλφαβητικά Α - Ω
Αλφαβητικά Ω - Α
Αύξουσα τιμή
Φθίνουσα τιμή
Δημιουργήθηκε στις
Εμφάνιση
30
60
120
ανά σελίδα
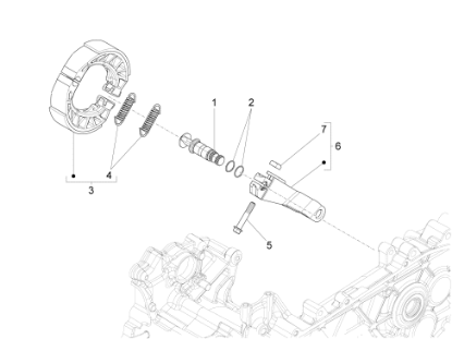
ΒΙΔΑ M6x35-414838
Το προιόν είναι το Νουμερο: 5 στην εικόνα.
€0,31
+Καλάθι
+Σύγκριση
Προσθήκη στα αγαπημένα
ΕΛΑΤΗΡΙΟ ΣΙΑΓΩΝΩΝ SCOOTER-647384
Το προιόν είναι το Νουμερο: 4 στην εικόνα.
€1,10
+Καλάθι
+Σύγκριση
Προσθήκη στα αγαπημένα
ΚΑΡΥΔΑΚΙ ΠΙΣΩ ΦΡΕΝ VESPA ELETTRICA-B016476
Το προιόν είναι το Νουμερο: 1 στην εικόνα.
€9,99
+Καλάθι
+Σύγκριση
Προσθήκη στα αγαπημένα
ΛΕΒΙΕΣ ΦΡΕΝΟΥ LIBERTY 125/150 E5+-1C004081
Το προιόν είναι το Νουμερο: 6 στην εικόνα.
€9,10
+Καλάθι
+Σύγκριση
Προσθήκη στα αγαπημένα
ΜΟΧΛΟΣ ΠΙΣΩ ΦΡΕΝΟΥ LIB 125-150 4T 3V-B016731
Το προιόν είναι το Νουμερο: 6 στην εικόνα.
€13,00
+Καλάθι
+Σύγκριση
Προσθήκη στα αγαπημένα
Ο-ΡΙΝΓΚ ΚΑΡΥΔΑΚΙ ΠΙΣΩ ΦΡΕΝ VESPA ELETTR-B016477
Το προιόν είναι το Νουμερο: 2 στην εικόνα.
€0,07
+Καλάθι
+Σύγκριση
Προσθήκη στα αγαπημένα
ΠΑΞΙΜΑΔΙ M6 H=5-828862
Το προιόν είναι το Νουμερο: 7 στην εικόνα.
€1,00
+Καλάθι
+Σύγκριση
Προσθήκη στα αγαπημένα
ΣΙΑΓΩΝΕΣ ΠΙΣΩ ΦΡΕΝΟΥ RU-NRG-ET4-LX-TY125-82907R
Το προιόν είναι το Νουμερο: 3 στην εικόνα.
€11,00
+Καλάθι
+Σύγκριση
Προσθήκη στα αγαπημένα
Τα cookies μας βοηθούν να παρέχουμε τις υπηρεσίες μας. Με τη χρήση των υπηρεσιών μας, συμφωνείτε με τη χρήση των cookies.
ΟΚ
Μάθε περισσότερα