Εγγραφή
Σύνδεση
(0)
(0)
Δεν υπάρχουν προϊόντα στο καλάθι σας.
Αναζήτηση
Genuine Piaggio Group Parts
UpMap
Μοτοσυκλέτα
Scooter
Εξατμίσεις
Βάσεις κινητού, ActionCam, GPS
Λιπαντικά
Αναβάτης
Αντικλεπτικά
Μπαταρίες
Βιβλία
Πακέτα Συντήρησης Scooter/Moto
Motoholics e-Gift Card
Μεταχειρισμένα
Service
Μενου
Genuine Piaggio Group Parts
UpMap
Μοτοσυκλέτα
Scooter
Εξατμίσεις
Βάσεις κινητού, ActionCam, GPS
Λιπαντικά
Αναβάτης
Αντικλεπτικά
Μπαταρίες
Βιβλία
Πακέτα Συντήρησης Scooter/Moto
Motoholics e-Gift Card
Service
Αρχική σελίδα
/
Genuine Piaggio Group Parts
/
Porter
/
Commercial Vehicles
/
Porter Benzina GPL Metano Standard
/
Porter Multitech E6, E6-C 2015-2020
/
Αναρτήσεις - Τροχοί
/
Ψαλίδι
Φιλτράρισμα με τιμή
Κατηγορίες
Genuine Piaggio Group Parts
UpMap
Μοτοσυκλέτα
Scooter
Εξατμίσεις
Βάσεις κινητού, ActionCam, GPS
Λιπαντικά
Αναβάτης
Αντικλεπτικά
Μπαταρίες
Βιβλία
Πακέτα Συντήρησης Scooter/Moto
Motoholics e-Gift Card
Κατασκευαστές
AKRAPOVIC
VICMA
Bart Factory
PMT TYRES
Barnett
CHT CHIARAVALLI
ABUS
AFAM
Aprilia
Armadillo Covers
aSpecialParts
AWA TECH
AXP
Barkbusters
Beeline
Benelli
BITUBO
BMW
BONAMICI RACING
Brembo
BS BATTERY
Bullster
Cardo
CFMOTO
CMS
CNC Racing
Denicol Lubricants
DNA
domino
Double Take Mirrors
Προβολή όλων
Είδατε πρόσφατα
ΒΙΔΑ 5x14-AP8150509
ΒΙΔΑ M6X16-AP8152278
ΒΙΔΑ M5X10-1C001493
Δημοφιλεις ετικετες
aprilia
battery
exatmish
exhaust
hpcorse
hp-corse
silencer
slipon
slip-on
teliko
vespa
εξάτμιση
μπαταρια
σιλανσιέ
τελικό
Προβολή όλων
Ψαλίδι
31799|MM6R8KAT020004010070100020006||0032754|ψαλιδι-120|Ψαλίδι
Προβολή ως
Πλέγμα
Λίστα
Ταξινόμηση ανά
Κορυφαίες επιλογές πρώτα
Αλφαβητικά Α - Ω
Αλφαβητικά Ω - Α
Αύξουσα τιμή
Φθίνουσα τιμή
Δημιουργήθηκε στις
Εμφάνιση
30
60
120
ανά σελίδα
ΒΑΣΗ ΔΙΣΚΟΦΡΕΝΟΥ PORTER ΑΡΙΣΤ-D4321287Z01
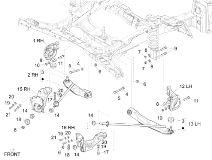
Το προιόν είναι το Νουμερο: 11 στην εικόνα.
€167,00
+Καλάθι
+Σύγκριση
Προσθήκη στα αγαπημένα
ΒΑΣΗ ΔΙΣΚΟΦΡΕΝΟΥ PORTER ΔΕΞΙΑ-D4321187Z01
Το προιόν είναι το Νουμερο: 1 στην εικόνα.
€126,00
+Καλάθι
+Σύγκριση
Προσθήκη στα αγαπημένα
ΒΙΔΑ M12x1,25x55-1E003312
Το προιόν είναι το Νουμερο: 9 στην εικόνα.
€1,80
+Καλάθι
+Σύγκριση
Προσθήκη στα αγαπημένα
ΒΙΔΑ M12x90 ps 1.25-B007665
Το προιόν είναι το Νουμερο: 5 στην εικόνα.
€2,29
+Καλάθι
+Σύγκριση
Προσθήκη στα αγαπημένα
ΒΙΔΑ ΣΥΝΕΜΠΛΟΚ QUARGO ΠΙΣΩ-D9004101583
Το προιόν είναι το Νουμερο: 11 στην εικόνα.
€8,00
+Καλάθι
+Σύγκριση
Προσθήκη στα αγαπημένα
ΚΟΝΤΡΑ ΨΑΛΙΔΙΟΥ PORTER ΑΡΙΣΤΕΡΗ-4807487Z02000
Το προιόν είναι το Νουμερο: 16 στην εικόνα.
€61,00
+Καλάθι
+Σύγκριση
Προσθήκη στα αγαπημένα
ΚΟΝΤΡΑ ΨΑΛΙΔΙΟΥ PORTER ΔΕΞΙΑ-4807387Z01000
Το προιόν είναι το Νουμερο: 15 στην εικόνα.
€63,00
+Καλάθι
+Σύγκριση
Προσθήκη στα αγαπημένα
ΜΟΥΑΓΙΕ ΜΠΡΟΣ ΤΡΟΧΟΥ PORTER E4<>E6 ΑΡΙΣΤ-B000521
Το προιόν είναι το Νουμερο: 12 στην εικόνα.
€138,00
+Καλάθι
+Σύγκριση
Προσθήκη στα αγαπημένα
ΜΟΥΑΓΙΕ ΜΠΡΟΣ ΤΡΟΧΟΥ PORTER E4<>E6 ΔΕΞΙ-B000522
Το προιόν είναι το Νουμερο: 1 στην εικόνα.
€138,00
+Καλάθι
+Σύγκριση
Προσθήκη στα αγαπημένα
ΠΑΞΙΜΑΔΙ ΒΙΔΑΣ ΣΟΥΣΤΑΣ PORTER M12x1,25-6-264878
Το προιόν είναι το Νουμερο: 6 στην εικόνα.
€0,83
+Καλάθι
+Σύγκριση
Προσθήκη στα αγαπημένα
ΠΑΞΙΜΑΔΙ-D9411551200
Το προιόν είναι το Νουμερο: 7 στην εικόνα.
€0,72
+Καλάθι
+Σύγκριση
Προσθήκη στα αγαπημένα
ΠΑΞΙΜΑΔΙ-D9411571200
Το προιόν είναι το Νουμερο: 10 στην εικόνα.
€5,10
+Καλάθι
+Σύγκριση
Προσθήκη στα αγαπημένα
ΡΟΔΕΛΑ ΕΛΑΣΤΙΚΗ 12,2X3,6-CM289012
Το προιόν είναι το Νουμερο: 4 στην εικόνα.
€0,35
+Καλάθι
+Σύγκριση
Προσθήκη στα αγαπημένα
ΡΟΔΕΛΛΑ==>>CM289012-D9451201200
Το προιόν είναι το Νουμερο: 4 στην εικόνα.
€0,10
+Καλάθι
+Σύγκριση
Προσθήκη στα αγαπημένα
ΣΥΝΕΜΠΛΟΚ ΜΠΡ ΨΑΛΙΔ PORTER-QUARGO-4867487Z010006
Το προιόν είναι το Νουμερο: 14 στην εικόνα.
€2,19
+Καλάθι
+Σύγκριση
Προσθήκη στα αγαπημένα
ΣΥΝΕΜΠΛΟΚ ΜΠΡ==>>4867487Z010006-4867487Z01000
Το προιόν είναι το Νουμερο: 14 στην εικόνα.
€1,50
+Καλάθι
+Σύγκριση
Προσθήκη στα αγαπημένα
ΦΟΥΣΚΑ ΨΑΛΙΔΙΟΥ PORTER-4334587507000
Το προιόν είναι το Νουμερο: 3 στην εικόνα.
€33,00
+Καλάθι
+Σύγκριση
Προσθήκη στα αγαπημένα
ΨΑΛΙΔΙ ΜΠΡΟΣ PORTER 16V-EFI-DIES-QUAR ΑΡ-B0075556
Το προιόν είναι το Νουμερο: 13 στην εικόνα.
€163,00
+Καλάθι
+Σύγκριση
Προσθήκη στα αγαπημένα
ΨΑΛΙΔΙ ΜΠΡΟΣ PORTER 16V-EFI-DIES-QUAR ΔΕ-B0075546
Το προιόν είναι το Νουμερο: 2 στην εικόνα.
€163,00
+Καλάθι
+Σύγκριση
Προσθήκη στα αγαπημένα
ΨΑΛΙΔΙ ΜΠΡΟΣ PORTER==>>B0075546-B007554
Το προιόν είναι το Νουμερο: 2 στην εικόνα.
€135,00
+Καλάθι
+Σύγκριση
Προσθήκη στα αγαπημένα
ΨΑΛΙΔΙ ΜΠΡΟΣ PORTER==>>B0075556-B007555
Το προιόν είναι το Νουμερο: 13 στην εικόνα.
€135,00
+Καλάθι
+Σύγκριση
Προσθήκη στα αγαπημένα
Τα cookies μας βοηθούν να παρέχουμε τις υπηρεσίες μας. Με τη χρήση των υπηρεσιών μας, συμφωνείτε με τη χρήση των cookies.
ΟΚ
Μάθε περισσότερα