Εγγραφή
Σύνδεση
(0)
(0)
Δεν υπάρχουν προϊόντα στο καλάθι σας.
Αναζήτηση
Genuine Piaggio Group Parts
UpMap
Μοτοσυκλέτα
Scooter
Εξατμίσεις
Βάσεις κινητού, ActionCam, GPS
Λιπαντικά
Αναβάτης
Αντικλεπτικά
Μπαταρίες
Βιβλία
Πακέτα Συντήρησης Scooter/Moto
Motoholics e-Gift Card
Μεταχειρισμένα
Service
Μενου
Genuine Piaggio Group Parts
UpMap
Μοτοσυκλέτα
Scooter
Εξατμίσεις
Βάσεις κινητού, ActionCam, GPS
Λιπαντικά
Αναβάτης
Αντικλεπτικά
Μπαταρίες
Βιβλία
Πακέτα Συντήρησης Scooter/Moto
Motoholics e-Gift Card
Service
Αρχική σελίδα
/
Genuine Piaggio Group Parts
/
Piaggio
/
Scooter
/
Beverly 310
/
Beverly 310 E5+ Classic- Sport 2025 (EMEA)
/
Αναρτήσεις - Τροχοί
/
Ψαλίδι
Φιλτράρισμα με τιμή
Κατηγορίες
Genuine Piaggio Group Parts
UpMap
Μοτοσυκλέτα
Scooter
Εξατμίσεις
Βάσεις κινητού, ActionCam, GPS
Λιπαντικά
Αναβάτης
Αντικλεπτικά
Μπαταρίες
Βιβλία
Πακέτα Συντήρησης Scooter/Moto
Motoholics e-Gift Card
Κατασκευαστές
AKRAPOVIC
VICMA
Bart Factory
PMT TYRES
Barnett
CHT CHIARAVALLI
ABUS
AFAM
Aprilia
Armadillo Covers
aSpecialParts
AWA TECH
AXP
Barkbusters
Beeline
Benelli
BITUBO
BMW
BONAMICI RACING
Brembo
BS BATTERY
Bullster
Cardo
CFMOTO
CMS
CNC Racing
Denicol Lubricants
DNA
domino
Double Take Mirrors
Προβολή όλων
Δημοφιλεις ετικετες
aprilia
battery
exatmish
exhaust
hpcorse
hp-corse
silencer
slipon
slip-on
teliko
vespa
εξάτμιση
μπαταρια
σιλανσιέ
τελικό
Προβολή όλων
Ψαλίδι
54769|NCPQ000U060004010010100540001||0109454|ψαλιδι-3666|Ψαλίδι
Προβολή ως
Πλέγμα
Λίστα
Ταξινόμηση ανά
Κορυφαίες επιλογές πρώτα
Αλφαβητικά Α - Ω
Αλφαβητικά Ω - Α
Αύξουσα τιμή
Φθίνουσα τιμή
Δημιουργήθηκε στις
Εμφάνιση
30
60
120
ανά σελίδα
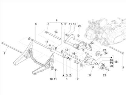
ΑΞΟΝΑΣ ΜΠΡΑΤΣΟΥ ΚΙΝΗΤΗΡΑ BEV 400-Χ10 350-CM067807
Το προιόν είναι το Νουμερο: 13 στην εικόνα.
€8,00
+Καλάθι
+Σύγκριση
Προσθήκη στα αγαπημένα
ΑΠΟΣΤΑΤΗΣ ΜΠΡΑΤΣΟΥ ΚΙΝΗΤ BEV350-400-Χ10-CM067809
Το προιόν είναι το Νουμερο: 8 στην εικόνα.
€8,00
+Καλάθι
+Σύγκριση
Προσθήκη στα αγαπημένα
ΑΣΦΑΛΕΙΑ ΑΞΟΝΑ ΚΙΝ SKIP-HEX 16mm-006416
Το προιόν είναι το Νουμερο: 21 στην εικόνα.
€0,04
+Καλάθι
+Σύγκριση
Προσθήκη στα αγαπημένα
ΒΑΣΗ ΣΥΝΕΜΠΛΟΚ BEV 350-400 ΚΟΜΠΛΕ-666884
Το προιόν είναι το Νουμερο: 18 στην εικόνα.
€90,00
+Καλάθι
+Σύγκριση
Προσθήκη στα αγαπημένα
ΒΙΔΑ Μ10Χ210-597081
Το προιόν είναι το Νουμερο: 14 στην εικόνα.
€5,10
+Καλάθι
+Σύγκριση
Προσθήκη στα αγαπημένα
ΒΙΔΑ ΜΠΡΑΤΣΟΥ ΚΙΝΗΤ BEV-Χ10 350 M10X225-667827
Το προιόν είναι το Νουμερο: 12 στην εικόνα.
€2,80
+Καλάθι
+Σύγκριση
Προσθήκη στα αγαπημένα
ΒΙΔΑ ΜΠΡΑΤΣΟΥ ΚΙΝΗΤ SC 125-500 M10X20-597893
Το προιόν είναι το Νουμερο: 16 στην εικόνα.
€0,74
+Καλάθι
+Σύγκριση
Προσθήκη στα αγαπημένα
ΒΙΔΑ ΜΠΡΑΤΣΟΥ ΚΙΝΗΤ X10 350-MEDLEY-667441
Το προιόν είναι το Νουμερο: 7 στην εικόνα.
€4,50
+Καλάθι
+Σύγκριση
Προσθήκη στα αγαπημένα
ΔΑΚΤΥΛΙΔΙ ΑΞΟΝΑ ΚΙΝΗΤ SC 125<>400 ΜΕΓΑΛΟ-273460
Το προιόν είναι το Νουμερο: 20 στην εικόνα.
€0,69
+Καλάθι
+Σύγκριση
Προσθήκη στα αγαπημένα
ΔΑΚΤΥΛΙΔΙ ΑΞΟΝΑ ΚΙΝΗΤ SC 125<>500 ΜΙΚΡΟ-597317
Το προιόν είναι το Νουμερο: 2 στην εικόνα.
€0,72
+Καλάθι
+Σύγκριση
Προσθήκη στα αγαπημένα
ΔΑΚΤΥΛΙΔΙ ΨΑΛΙΔΙΟΥ BEVERLY 400 MY21-Χ10-657451
Το προιόν είναι το Νουμερο: 25 στην εικόνα.
€2,10
+Καλάθι
+Σύγκριση
Προσθήκη στα αγαπημένα
ΔΑΚΤΥΛΙΔΙ ΨΑΛΙΔΙΟΥ BEVERLY-Χ7-Χ8-597774
Το προιόν είναι το Νουμερο: 9 στην εικόνα.
€23,99
+Καλάθι
+Σύγκριση
Προσθήκη στα αγαπημένα
ΕΛΑΤΗΡΙΟ ΜΠΡΑΤΣΟΥ ΚΙΝ SCOOTER 125<>400-597490
Το προιόν είναι το Νουμερο: 23 στην εικόνα.
€2,19
+Καλάθι
+Σύγκριση
Προσθήκη στα αγαπημένα
ΜΠΡΑΤΣΟ ΚΙΝΗΤΗΡΑ BEVERLY 310 E5+-1C007995
Το προιόν είναι το Νουμερο: 4 στην εικόνα.
€155,00
+Καλάθι
+Σύγκριση
Προσθήκη στα αγαπημένα
ΜΠΡΑΤΣΟ ΚΙΝΗΤΗΡΑ BEVERLY 350 11-400 21-1C000001R5
Το προιόν είναι το Νουμερο: 1 στην εικόνα.
€33,00
+Καλάθι
+Σύγκριση
Προσθήκη στα αγαπημένα
ΠΑΞΙΜΑΔΙ Μ10 Χ 1,50-002440
Το προιόν είναι το Νουμερο: 11 στην εικόνα.
€2,00
+Καλάθι
+Σύγκριση
Προσθήκη στα αγαπημένα
ΠΑΞΙΜΑΔΙ Μ22Χ2-564611
Το προιόν είναι το Νουμερο: 10 στην εικόνα.
€4,90
+Καλάθι
+Σύγκριση
Προσθήκη στα αγαπημένα
ΡΟΔΕΛΑ-178790
Το προιόν είναι το Νουμερο: 15 στην εικόνα.
€1,10
+Καλάθι
+Σύγκριση
Προσθήκη στα αγαπημένα
ΡΟΥΛΕΜΑΝ ΜΑΚΑΡ ΑΞΟΝΑ SC 50<>300 (ΔΑΧΤΥΛ)-56127R
Το προιόν είναι το Νουμερο: 3 στην εικόνα.
€3,60
+Καλάθι
+Σύγκριση
Προσθήκη στα αγαπημένα
ΣΥΝΕΜΠΛΟΚ MALOSSI 60*15mm-M0816707B
Το προιόν είναι το Νουμερο: 19 στην εικόνα.
€53,20
+Καλάθι
+Σύγκριση
Προσθήκη στα αγαπημένα
ΣΥΝΕΜΠΛΟΚ ΜΠΡΑΤΣΟΥ ΚΙΝ BEV-Χ7-Χ8-FLY-LIB-272750
Το προιόν είναι το Νουμερο: 19 στην εικόνα.
€26,00
+Καλάθι
+Σύγκριση
Προσθήκη στα αγαπημένα
ΣΥΝΕΜΠΛΟΚ ΨΑΛΙΔΙΟΥ ΕΣ VESPA GT 200-BEV-599250
Το προιόν είναι το Νουμερο: 22 στην εικόνα.
€8,10
+Καλάθι
+Σύγκριση
Προσθήκη στα αγαπημένα
ΤΣΙΜΟΥΧΑΚΙ ΒΑΛΒΙΔΩΝ RUN-NRG INIEZ-830434
Το προιόν είναι το Νουμερο: 24 στην εικόνα.
€0,86
+Καλάθι
+Σύγκριση
Προσθήκη στα αγαπημένα
Τα cookies μας βοηθούν να παρέχουμε τις υπηρεσίες μας. Με τη χρήση των υπηρεσιών μας, συμφωνείτε με τη χρήση των cookies.
ΟΚ
Μάθε περισσότερα