Εγγραφή
Σύνδεση
(0)
(0)
Δεν υπάρχουν προϊόντα στο καλάθι σας.
Αναζήτηση
Genuine Piaggio Group Parts
UpMap
Μοτοσυκλέτα
Scooter
Εξατμίσεις
Βάσεις κινητού, ActionCam, GPS
Λιπαντικά
Αναβάτης
Αντικλεπτικά
Μπαταρίες
Βιβλία
Πακέτα Συντήρησης Scooter/Moto
Motoholics e-Gift Card
Μεταχειρισμένα
Service
Μενου
Genuine Piaggio Group Parts
UpMap
Μοτοσυκλέτα
Scooter
Εξατμίσεις
Βάσεις κινητού, ActionCam, GPS
Λιπαντικά
Αναβάτης
Αντικλεπτικά
Μπαταρίες
Βιβλία
Πακέτα Συντήρησης Scooter/Moto
Motoholics e-Gift Card
Service
Αρχική σελίδα
/
Genuine Piaggio Group Parts
/
Aprilia
/
Scooter
/
SR GT COMPACT 125 - 200
/
SR GT 200 ABS E5+ REPLICA 2025 (EMEA)
/
Αναρτήσεις - Τροχοί
/
Ψαλίδι
Φιλτράρισμα με τιμή
Κατηγορίες
Genuine Piaggio Group Parts
UpMap
Μοτοσυκλέτα
Scooter
Εξατμίσεις
Βάσεις κινητού, ActionCam, GPS
Λιπαντικά
Αναβάτης
Αντικλεπτικά
Μπαταρίες
Βιβλία
Πακέτα Συντήρησης Scooter/Moto
Motoholics e-Gift Card
Κατασκευαστές
AKRAPOVIC
VICMA
Bart Factory
PMT TYRES
Barnett
CHT CHIARAVALLI
ABUS
AFAM
Aprilia
Armadillo Covers
aSpecialParts
AWA TECH
AXP
Barkbusters
Beeline
Benelli
BITUBO
BMW
BONAMICI RACING
Brembo
BS BATTERY
Bullster
Cardo
CFMOTO
CMS
CNC Racing
Denicol Lubricants
DNA
domino
Double Take Mirrors
Προβολή όλων
Είδατε πρόσφατα
ΒΙΔΑ M6X12-AP8152277
ΒΙΔΑM10X40-AP8152325
ΒΙΔΑ M5x12-AP8152272
Δημοφιλεις ετικετες
aprilia
battery
exatmish
exhaust
hpcorse
hp-corse
silencer
slipon
slip-on
teliko
vespa
εξάτμιση
μπαταρια
σιλανσιέ
τελικό
Προβολή όλων
Ψαλίδι
56647|NSSL000U070004010030100190006||0111650|ψαλιδι-3986|Ψαλίδι
Προβολή ως
Πλέγμα
Λίστα
Ταξινόμηση ανά
Κορυφαίες επιλογές πρώτα
Αλφαβητικά Α - Ω
Αλφαβητικά Ω - Α
Αύξουσα τιμή
Φθίνουσα τιμή
Δημιουργήθηκε στις
Εμφάνιση
30
60
120
ανά σελίδα
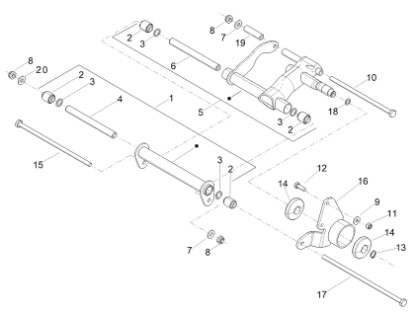
ΑΞΟΝΑΚΙ ΨΑΛΙΔΙΟΥ VESPA GT 200-599077
Το προιόν είναι το Νουμερο: 19 στην εικόνα.
€6,00
+Καλάθι
+Σύγκριση
Προσθήκη στα αγαπημένα
ΑΠΟΣΤΑΤΗΣ ΜΠΡΑΤΣΟΥ ΚΙΝ MEDLEY-CM272201
Το προιόν είναι το Νουμερο: 6 στην εικόνα.
€5,39
+Καλάθι
+Σύγκριση
Προσθήκη στα αγαπημένα
ΑΠΟΣΤΑΤΗΣ ΜΠΡΑΤΣΟΥ ΚΙΝ SR GT-CM272207
Το προιόν είναι το Νουμερο: 4 στην εικόνα.
€13,00
+Καλάθι
+Σύγκριση
Προσθήκη στα αγαπημένα
ΑΣΦΑΛΕΙΑ SEEGER-1C002625
Το προιόν είναι το Νουμερο: 13 στην εικόνα.
€0,25
+Καλάθι
+Σύγκριση
Προσθήκη στα αγαπημένα
ΒΑΣΗ ΣΥΝΕΜΠΛΟΚ SR GT-1C005101
Το προιόν είναι το Νουμερο: 16 στην εικόνα.
€26,00
+Καλάθι
+Σύγκριση
Προσθήκη στα αγαπημένα
ΒΙΔΑ ΚΙΝΗΤΗΡΑ BEV 200-X8-597080
Το προιόν είναι το Νουμερο: 17 στην εικόνα.
€5,10
+Καλάθι
+Σύγκριση
Προσθήκη στα αγαπημένα
ΒΙΔΑ ΚΙΝΗΤΗΡΑ ΡΚ-078588
Το προιόν είναι το Νουμερο: 10 στην εικόνα.
€4,70
+Καλάθι
+Σύγκριση
Προσθήκη στα αγαπημένα
ΒΙΔΑ ΜΠΡΑΤΣΟΥ ΚΙΝΗΤ GP800-ΗΕΧ GTX-597043
Το προιόν είναι το Νουμερο: 17 στην εικόνα.
€5,90
+Καλάθι
+Σύγκριση
Προσθήκη στα αγαπημένα
ΒΙΔΑ ΜΠΡΑΤΣΟΥ ΚΙΝΗΤ VESPA GT 200-598237
Το προιόν είναι το Νουμερο: 10 στην εικόνα.
€5,20
+Καλάθι
+Σύγκριση
Προσθήκη στα αγαπημένα
ΒΙΔΑ ΜΠΡΑΤΣΟΥ ΚΙΝΗΤ-563977
Το προιόν είναι το Νουμερο: 15 στην εικόνα.
€3,40
+Καλάθι
+Σύγκριση
Προσθήκη στα αγαπημένα
ΒΙΔΑ ΣΥΝΕΜΠΛΟΚ ΜΠΡΑΤΣΟΥ ΚΙΝ LIB IGET-1C001844
Το προιόν είναι το Νουμερο: 12 στην εικόνα.
€0,55
+Καλάθι
+Σύγκριση
Προσθήκη στα αγαπημένα
ΛΑΣΤΙΧΑΚΙ-006721
Το προιόν είναι το Νουμερο: 3 στην εικόνα.
€0,76
+Καλάθι
+Σύγκριση
Προσθήκη στα αγαπημένα
ΜΠΡΑΤΣΟ ΚΙΝΗΤΗΡΑ SR GT (ΚΙΝΗΤΗΡΑ)-1C005531
Το προιόν είναι το Νουμερο: 5 στην εικόνα.
€143,00
+Καλάθι
+Σύγκριση
Προσθήκη στα αγαπημένα
ΜΠΡΑΤΣΟ ΚΙΝΗΤΗΡΑ SR GT (ΠΛΑΙΣΙΟΥ)-1C005855
Το προιόν είναι το Νουμερο: 1 στην εικόνα.
€75,00
+Καλάθι
+Σύγκριση
Προσθήκη στα αγαπημένα
ΠΑΞΙΜΑΔΙ M8 8G-709052
Το προιόν είναι το Νουμερο: 11 στην εικόνα.
€0,99
+Καλάθι
+Σύγκριση
Προσθήκη στα αγαπημένα
ΠΑΞΙΜΑΔΙ Μ10 Χ 1,50-002440
Το προιόν είναι το Νουμερο: 8 στην εικόνα.
€2,00
+Καλάθι
+Σύγκριση
Προσθήκη στα αγαπημένα
ΡΟΔΕΛΑ-178790
Το προιόν είναι το Νουμερο: 7 στην εικόνα.
€1,10
+Καλάθι
+Σύγκριση
Προσθήκη στα αγαπημένα
ΡΟΔΕΛΛΑ-013861
Το προιόν είναι το Νουμερο: 9 στην εικόνα.
€0,07
+Καλάθι
+Σύγκριση
Προσθήκη στα αγαπημένα
ΣΥΝΕΜΠΛΟΚ ΜΠΡ ΕΤ4-RUN VXR-VES GT-X8-FLY-486081
Το προιόν είναι το Νουμερο: 2 στην εικόνα.
€3,40
+Καλάθι
+Σύγκριση
Προσθήκη στα αγαπημένα
ΣΥΝΕΜΠΛΟΚ ΜΠΡΑΤΣΟΥ ΚΙΝ MEDL-PRIM-SPRINT-1C002624
Το προιόν είναι το Νουμερο: 14 στην εικόνα.
€9,60
+Καλάθι
+Σύγκριση
Προσθήκη στα αγαπημένα
ΤΣΙΜΟΥΧΑΚΙ ΒΑΛΒΙΔΩΝ RUN-NRG INIEZ-830434
Το προιόν είναι το Νουμερο: 18 στην εικόνα.
€0,86
+Καλάθι
+Σύγκριση
Προσθήκη στα αγαπημένα
Τα cookies μας βοηθούν να παρέχουμε τις υπηρεσίες μας. Με τη χρήση των υπηρεσιών μας, συμφωνείτε με τη χρήση των cookies.
ΟΚ
Μάθε περισσότερα